Starts, runs rough for 30 seconds, then it shuts off or just will not start?

Tiny
JIS001
  • MECHANIC
  • 3,412 POSTS
The picture you posted was the turbo? And yes, you may have moved the transaxle mount bolt. I think maybe you should tow it to a shop. If it is not starting, I would recommend that you look at the fuel pump control module as previously recommended.
Was this
answer
helpful?
Yes
No
Tuesday, November 1st, 2022 AT 7:45 PM
Tiny
AL514
  • MECHANIC
  • 5,595 POSTS
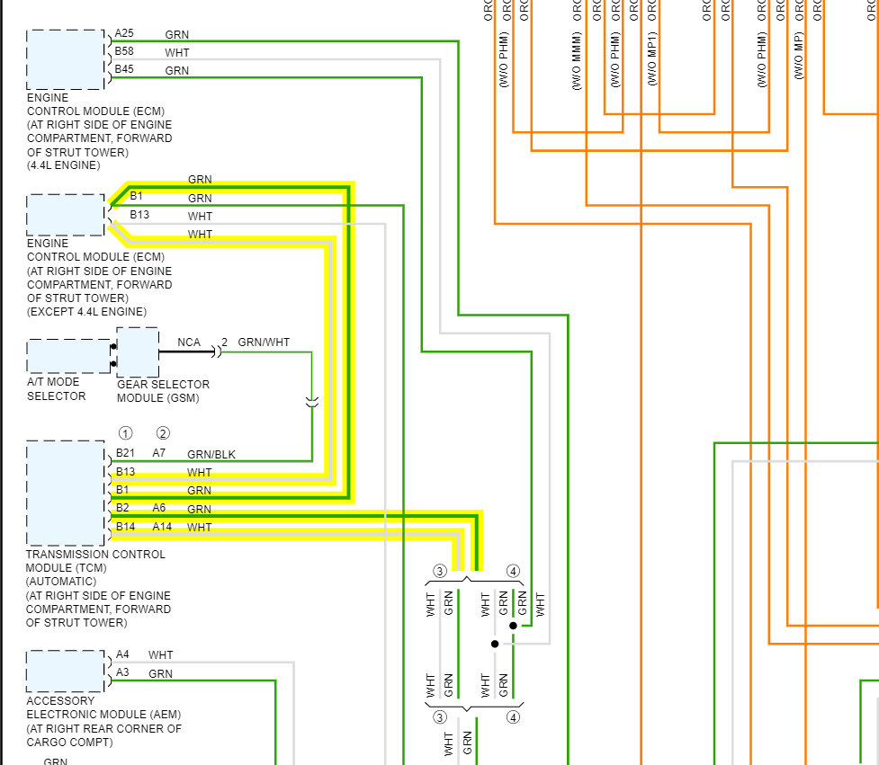
In the second picture, are those the two bolt holes that you removed? If so, to the left there looks like an engine mount to me. Here's a picture of the throttle body, if it was part of the transmission/transaxle that moved, I think you may have pulled the wiring harness apart, the code you're getting (U0073) is a network no communications code, it's probably why your scan won't communicate either. If the CANbus network, which is a 2-wire network, either shorted out together or both shorted to ground it would take the whole network down. Try to get things back together first, you may have to put a jack under the transaxle to lift it into position to get the bolts back in. Also check for any wiring harnesses that either got pulled apart or if any connectors were pulled apart. I'm pretty sure you're going to find a damaged harness due to the new issues you're having.
The third diagram is the info on the CANbus A network, and the fourth diagram are the two wires for the network (green and white).
Was this
answer
helpful?
Yes
No
Tuesday, November 1st, 2022 AT 7:48 PM
Tiny
HOTSAUCE
  • MEMBER
  • 15 POSTS
I believe that I can get the bolts back in. The photo was taken while I was on my back looking up.
I'll order a fuel pump control module then. Thank you.
Was this
answer
helpful?
Yes
No
Tuesday, November 1st, 2022 AT 7:49 PM
Tiny
HOTSAUCE
  • MEMBER
  • 15 POSTS
If it's going to require a new harness, I may as well just scrap it, no?
Was this
answer
helpful?
Yes
No
Tuesday, November 1st, 2022 AT 7:52 PM
Tiny
JIS001
  • MECHANIC
  • 3,412 POSTS
That is why you need to inspect it first to verify that is the issue. If you see corrosion on the terminals, then that is your issue with the no start.
Was this
answer
helpful?
Yes
No
Tuesday, November 1st, 2022 AT 8:04 PM
Tiny
AL514
  • MECHANIC
  • 5,595 POSTS
No, its most likely just the harness in the area where things moved around. I wouldn't scrap it unless you had planned on getting rid of it. But if things are too much to handle then I would follow what Jorge said. Just relay everything that happened to the shop you take it to, so they have an idea of what happened.
Was this
answer
helpful?
Yes
No
+1
Tuesday, November 1st, 2022 AT 8:07 PM
Tiny
HOTSAUCE
  • MEMBER
  • 15 POSTS
I put the bolts back in place. I was able to start it briefly. The middle row of seats are removed so I could change the fuel pump. There are quite a few wires / connections that I could have accidentally moved. I did something after the 26th because I only had the one code then.

I don't know what my next move is. There's no telling how much it would cost me to get it fixed. Even if I get it fixed, it has close to 200k miles. Is it worth it?
Was this
answer
helpful?
Yes
No
Tuesday, November 1st, 2022 AT 8:49 PM
Tiny
JIS001
  • MECHANIC
  • 3,412 POSTS
Inspect the fuel pump module before doing the pump. The harness as mentioned earlier is a pigtail and not the body harness. Trust me, I have done a body harness on your vehicle model, and it is not fun.
Was this
answer
helpful?
Yes
No
Tuesday, November 1st, 2022 AT 9:52 PM
Tiny
HOTSAUCE
  • MEMBER
  • 15 POSTS
I just want to make sure that I'm understanding the current plan. It's likely that I accidentally disconnected a wire recently, but the rest of the harness is probably okay? So, I need to check connections in the areas that I've been working on. The OBD2 will let me know when I've reconnected the proper wires.

Also, I should replace the fuel pump control module? I installed a new fuel pump 2 weeks ago.
Was this
answer
helpful?
Yes
No
Wednesday, November 2nd, 2022 AT 8:17 AM

Please login or register to post a reply.