Monday, December 26th, 2022 AT 10:45 AM
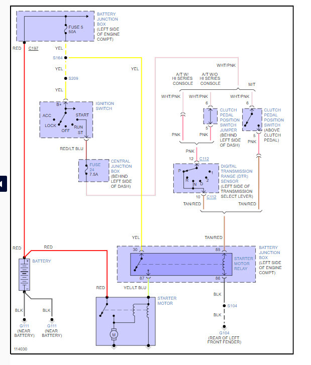
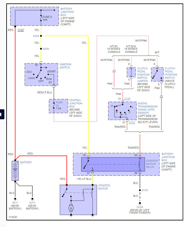
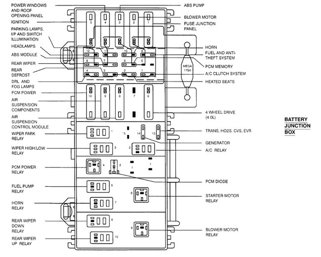
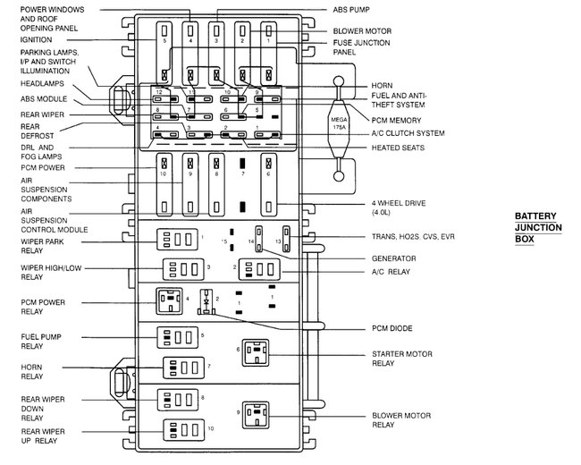
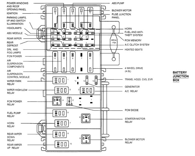
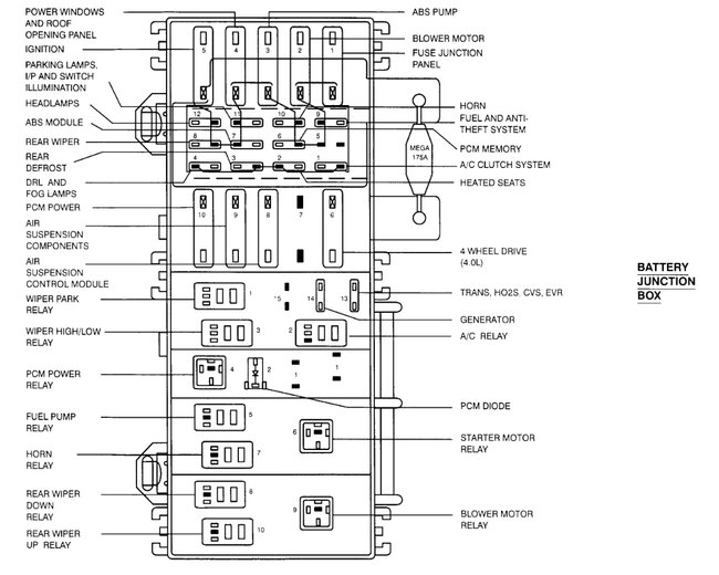
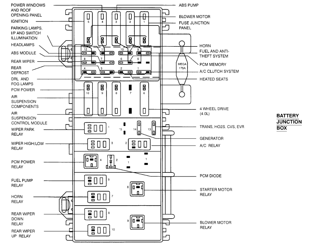
No crank. Battery reads 12.6. On starter relay, jumped out post 30 to 85 (or 86) and starter turns on. Replaced said relay. Replaced starter safety switch. Removed and clean key ignition switch.








