Engine will not rev, no power?

Tiny
JOHN6996
  • MEMBER
  • 1994 HONDA CIVIC
  • 1.5L
  • 4 CYL
  • 2WD
  • MANUAL
  • 200,000 MILES
I have a jdm d15b vtec. It will not rev past 4,000 rpm's. If I jump power to vtec solenoid it will rev to 5,500 it has a 7,000 rpm red line. I've checked for codes and there are none. I've tried swapping ECU and still same problem.
Wednesday, August 28th, 2019 AT 7:49 PM

39 Replies

Tiny
KEN L
  • MASTER CERTIFIED MECHANIC
  • 55,512 POSTS
If it doesn't blink it means there are no codes. Have you checked the engine oil level? Vtec will not work if the oil is low. Can you check it and get back to me?
Was this
answer
helpful?
Yes
No
+1
Saturday, August 31st, 2019 AT 12:48 PM
Tiny
JOHN6996
  • MEMBER
  • 4 POSTS
Yes, oil is full.
Was this
answer
helpful?
Yes
No
Saturday, August 31st, 2019 AT 6:18 PM
Tiny
KEN L
  • MASTER CERTIFIED MECHANIC
  • 55,512 POSTS
Also the engine must be at operating temperature before Vtec will work doe the engine have a thermostat?
Was this
answer
helpful?
Yes
No
Sunday, September 1st, 2019 AT 10:50 AM
Tiny
JOHN6996
  • MEMBER
  • 4 POSTS
Yes, it has a working temperature gauge that goes into the normal range. I also pulled and checked the screens I do notice that it hunts for idle wen it's warmed up sometimes but no code for the IAC working.
Was this
answer
helpful?
Yes
No
Tuesday, September 3rd, 2019 AT 9:59 PM
Tiny
KEN L
  • MASTER CERTIFIED MECHANIC
  • 55,512 POSTS
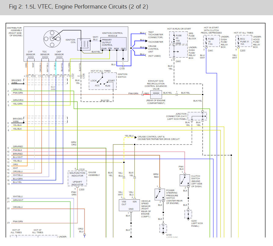
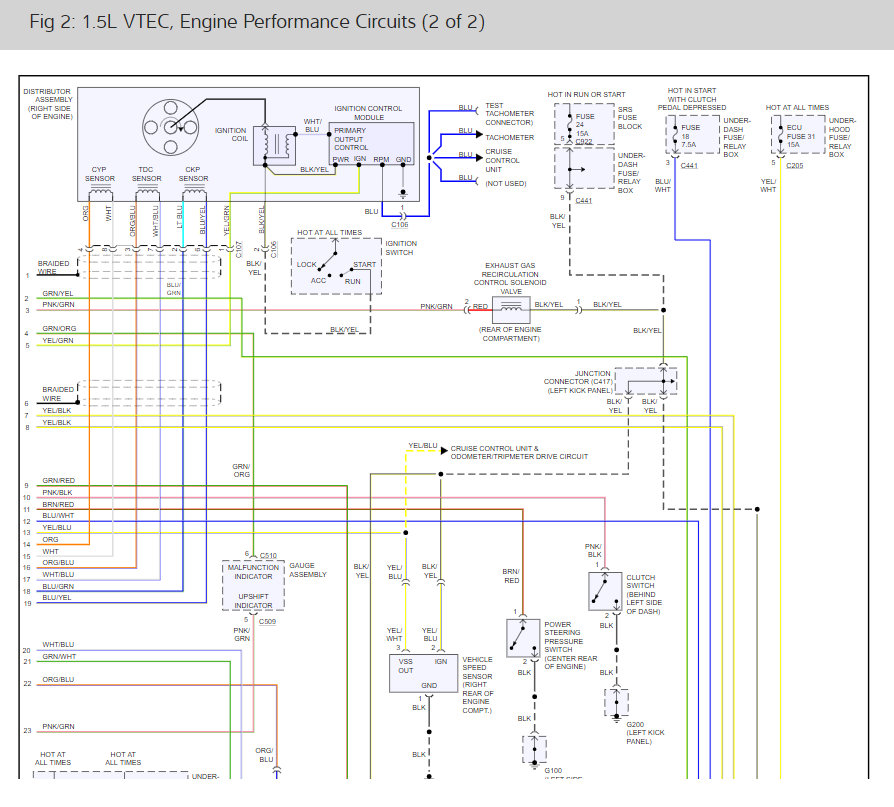
It sounds like the PCM is bad. To be sure lets check the wiring between the Vtec and ECU. here is a guide and the engine wiring diagrams so you can see which wires to test:

https://www.2carpros.com/articles/how-to-check-wiring

Check out the diagrams (below). Please let us know what happens.
Was this
answer
helpful?
Yes
No
Thursday, September 5th, 2019 AT 11:21 AM
Tiny
JRPEREZ
  • MEMBER
  • 1 POST
  • 1994 HONDA CIVIC
  • 4 CYL
  • 2WD
  • MANUAL
  • 120,000 MILES
Everytime I start the car and I dont step on the gasoline pedal, the rpm revert back to zero.
Was this
answer
helpful?
Yes
No
Saturday, August 8th, 2020 AT 11:21 AM (Merged)
Tiny
KHLOW2008
  • MECHANIC
  • 41,814 POSTS
Hi jrperez@hotmail. Com,

The idling system is malfunctioning. What is the idling speed?

Does stalling occur even when starting from cold?
Was this
answer
helpful?
Yes
No
Saturday, August 8th, 2020 AT 11:21 AM (Merged)
Tiny
SUKATHAI
  • MEMBER
  • 1 POST
  • 1994 HONDA CIVIC
  • 6 CYL
  • FWD
  • MANUAL
  • 70,000 MILES
Loss of power and stalling. Revs ok when stationary.
Air filter seems clean. Fitted new radiator 2 weeks ago
Was this
answer
helpful?
Yes
No
Saturday, August 8th, 2020 AT 11:21 AM (Merged)
Tiny
MHPAUTOS
  • MECHANIC
  • 31,937 POSTS
Hi there, check fuel filter, plugs, leads, coil and compressions, start here as this is a miss under load and will normally be ignition related.

Mark (mhpautos)
Was this
answer
helpful?
Yes
No
Saturday, August 8th, 2020 AT 11:21 AM (Merged)
Tiny
MANNY7546
  • MEMBER
  • 1 POST
  • 1994 HONDA CIVIC
  • 4 CYL
  • 2WD
  • AUTOMATIC
  • 25,500 MILES
Hello:)I was going to remove the distributer so I can remove a hose because my car is so compact I thought if I remove the distributer I can have more leverage. After removing the three bolts holding the distributer I pulled out the distributer about a quater of a inch then decided to not to remove it. Now my car has bad acceleration and doesnt want to shift gears properly. But it starts fine. What could be the problem?Is it because when I removed the distributer the oring got damaged? I only removed it a quarter of an inch. How could I ruined the oring. Thanxs:)
Was this
answer
helpful?
Yes
No
+1
Saturday, August 8th, 2020 AT 11:21 AM (Merged)
Tiny
KHLOW2008
  • MECHANIC
  • 41,814 POSTS
Hi manny7546,

Did you tighten the bolts according to the initial position?
If not, the ignition could have been retarded when the distributor is twisted and retightened.
Was this
answer
helpful?
Yes
No
Saturday, August 8th, 2020 AT 11:21 AM (Merged)
Tiny
AMARTINEZ209
  • MEMBER
  • 6 POSTS
  • 1994 HONDA CIVIC
  • 4 CYL
  • FWD
  • MANUAL
  • 169,789 MILES
I have a 94 honda civic Dx 1.5L D15b7 I seem to have loss of power and hesitation upon acceleration. I've replaced the fuel pump, fuel filter, main relay, distributor, wires, plugs, did a valve adjustment, and checked the timing. All seems to be in working order. I have pulled the DTC it is 43 fuel system malfunction. I have performed a fuel pressure test and everything seems at standard but the problem still persist. Could this be the EGR valve? Does this year and model of Civic have an EGR valve or ports and if so how do you clean them? Thanks for your time sorry about the long write up!
Was this
answer
helpful?
Yes
No
Saturday, August 8th, 2020 AT 11:21 AM (Merged)
Tiny
F4I_GUY
  • MECHANIC
  • 3,302 POSTS
Replace the primary oxygen sensor. Code 43 is 9/10 because of a faulty oxygen sensor.
Was this
answer
helpful?
Yes
No
Saturday, August 8th, 2020 AT 11:21 AM (Merged)
Tiny
AMARTINEZ209
  • MEMBER
  • 6 POSTS
After replacing the O2 sensor like you recommended all is well and in perfect running condition thanx
Was this
answer
helpful?
Yes
No
Saturday, August 8th, 2020 AT 11:21 AM (Merged)
Tiny
BRENDAN123
  • MEMBER
  • 2 POSTS
  • 1994 HONDA CIVIC
  • 4 CYL
  • 2WD
  • MANUAL
  • 190,000 MILES
Hi,

I own a 1994 Honda Civic 180i. The car has served me well and I am very happy with it. Recently the car has started "hunting". The engine seems to rev on its own and will not stabilize at the normal 800 - 900RPM. On start up, when the car is idling, the revs climb to about 2500RPM then drop back to 1000RPM - this occurs continuously every 1 or 2 seconds for the first 30 minutes or so, and even after the engine has reached its normal running temperature this still continues. After about 30 minutes of driving, this usually stops and the revs return to normal.

Is there anything to worry about? Can you offer some advice on how to fix this problem?

Any assistance that you can provide will be greatly appreciated.

Many thanks
Brendan
Was this
answer
helpful?
Yes
No
Saturday, August 8th, 2020 AT 11:21 AM (Merged)
Tiny
RASMATAZ
  • MECHANIC
  • 75,992 POSTS
Clean out the idle air control valve and test the throttle positon and intake air temperature sensors.
Was this
answer
helpful?
Yes
No
Saturday, August 8th, 2020 AT 11:21 AM (Merged)
Tiny
BRENDAN123
  • MEMBER
  • 2 POSTS
Thank you for your advise.

I will try what you have recommended.

Many thanks.
Was this
answer
helpful?
Yes
No
Saturday, August 8th, 2020 AT 11:21 AM (Merged)
Tiny
CBTURNER
  • MEMBER
  • 2 POSTS
  • 1994 HONDA CIVIC
Hello,
I have a 1994 honda civic DX 5 speed with 185,000 miles. Right now we are experiencing a problem with accelerating. The car has no real power in 1st or 2nd gears, only after patting the accelerator while taking off will the car pick up speed. The entire time there is a strain. Also, the is no acceleration in reverse either. Please help!
Was this
answer
helpful?
Yes
No
Saturday, August 8th, 2020 AT 11:21 AM (Merged)
Tiny
BRUCE HUNT
  • MECHANIC
  • 3,754 POSTS
Feed me more information about fluid levels, what you have had to add, is there any overheating, what else is happening or happened?
Was this
answer
helpful?
Yes
No
Saturday, August 8th, 2020 AT 11:21 AM (Merged)
Tiny
CBTURNER
  • MEMBER
  • 2 POSTS
The car has never overheated nor have I had to apply any fluids. My wife remindered me that the car did a similar thing before we replaced the clutch slay cylinder about a year ago. The car shifts ok, but there is no real power in any gear.
Was this
answer
helpful?
Yes
No
Saturday, August 8th, 2020 AT 11:22 AM (Merged)

Please login or register to post a reply.