No crank no start issue

Tiny
JSMITH4659
  • MEMBER
  • 2004 MITSUBISHI GALANT
  • 2.4L
  • 4 CYL
  • 2WD
  • AUTOMATIC
  • 200,000 MILES
No start no crank, used a ob2 reader no codes. Got to get home ASAP. Please help.
Friday, May 14th, 2021 AT 9:48 AM

1 Reply

Tiny
KASEKENNY
  • MECHANIC
  • 18,907 POSTS
If the engine is not cranking then we need to suspect a starter issue or something prohibiting the starter from engaging.

So we need to start with checking voltage at the starter to find out if it is a starter issue.

https://www.2carpros.com/articles/starter-not-working-repair

https://www.2carpros.com/articles/how-to-check-wiring

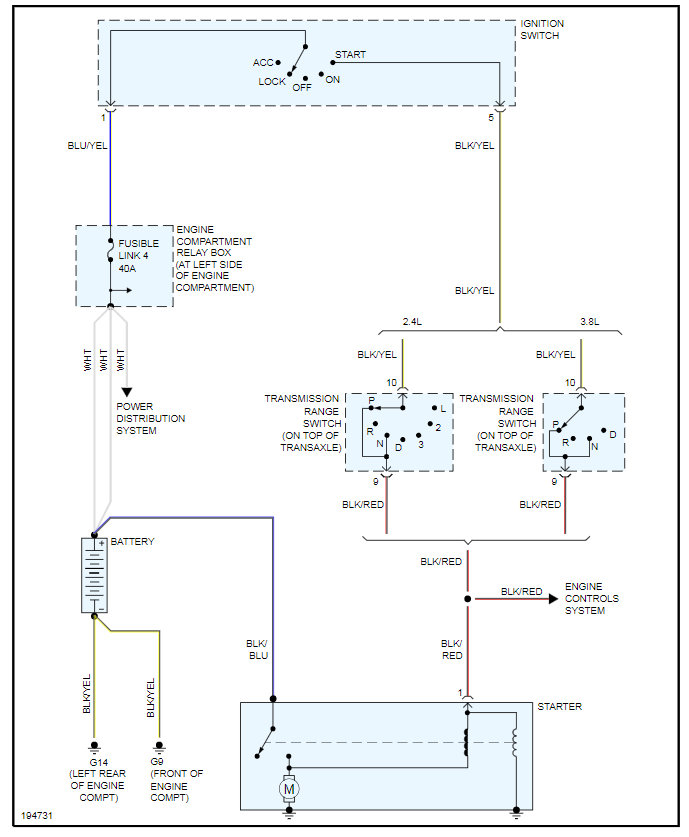
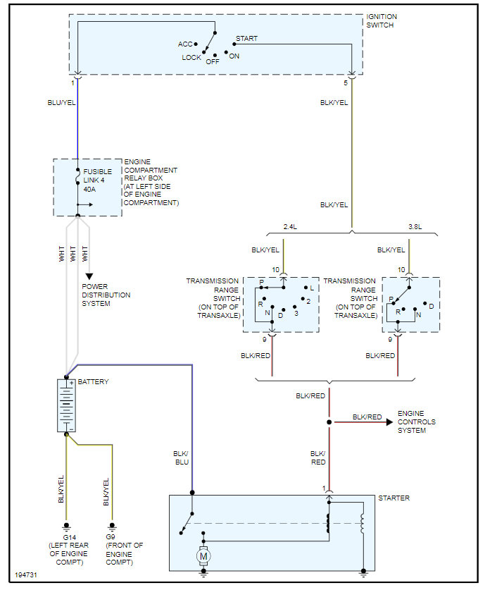
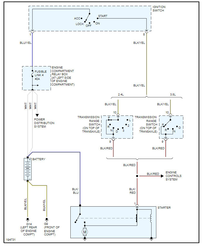
Below is the wiring diagram for the starter. This is what we need to find out what voltage you have on both wires while cranking we can go to the next step.

However, if you have no voltage on the control wire then we need to go back to the range switch and see if we have power going in and out of the switch. If we have it going in and not out then the switch is the issue.

If there is nothing going in then you move likely have a fuse or ignition switch issue.

There is a chance of a wiring issue but this is less likely.

Let us know if you have questions. Thanks
Was this
answer
helpful?
Yes
No
Saturday, May 15th, 2021 AT 7:35 PM

Please login or register to post a reply.