Three different garages including the dealership cannot find why my starter is not working?

Tiny
HPEREZ
  • MEMBER
  • 2007 HONDA ACCORD
  • V6
  • AUTOMATIC
  • 131,000 MILES
My car did not start. Took it to a garage and they said it was the battery. Replaced the battery and it was good for a few days. Car doesn’t star again intermittently. Diagnosed as the ignition switch. Had that replaced. Car worked for a few days and then had intermittent starting problems again. There are times my car has a “jingling sound” coming from underneath the car. Then I was driving and the RPM's were jumping up to 3 but my car felt like it was going slower and that it was going to stall. They said my throttle body was dirty and they cleaned my whole fuel system. Same day my car starts having trouble starting again. I made an appointment with the dealer. They said it was the ignition switch (again) and my serpentine belt was stretched and both were replaced. I picked it up last night and today I have trouble starting it again.
three different garages including the dealer lots of things checked and no real answers. Please help!
Thursday, September 5th, 2019 AT 4:45 PM

4 Replies

Tiny
KEN L
  • MASTER CERTIFIED MECHANIC
  • 55,488 POSTS
Yes I need to codes so does it have 2 problem cranking slow and not starting? Or does it run okay once the starter can turn the car over?

Here is a guide

https://www.2carpros.com/articles/starter-not-working-repair

Please run down this guide and report back.
Was this
answer
helpful?
Yes
No
Friday, June 25th, 2021 AT 11:58 AM
Tiny
HPEREZ
  • MEMBER
  • 3 POSTS
Okay, the light is no longer on it but they can see the last code right? Sometimes my car cranks really slow and then starts, sometimes it will crank slow and not start and sometimes it will not crank at all. If it sits for a while (like overnight) it seems to have a better chance than if I go get gas and try to start it 5-10 minutes after I turn it off.
Was this
answer
helpful?
Yes
No
Friday, June 25th, 2021 AT 11:58 AM
Tiny
KEN L
  • MASTER CERTIFIED MECHANIC
  • 55,488 POSTS
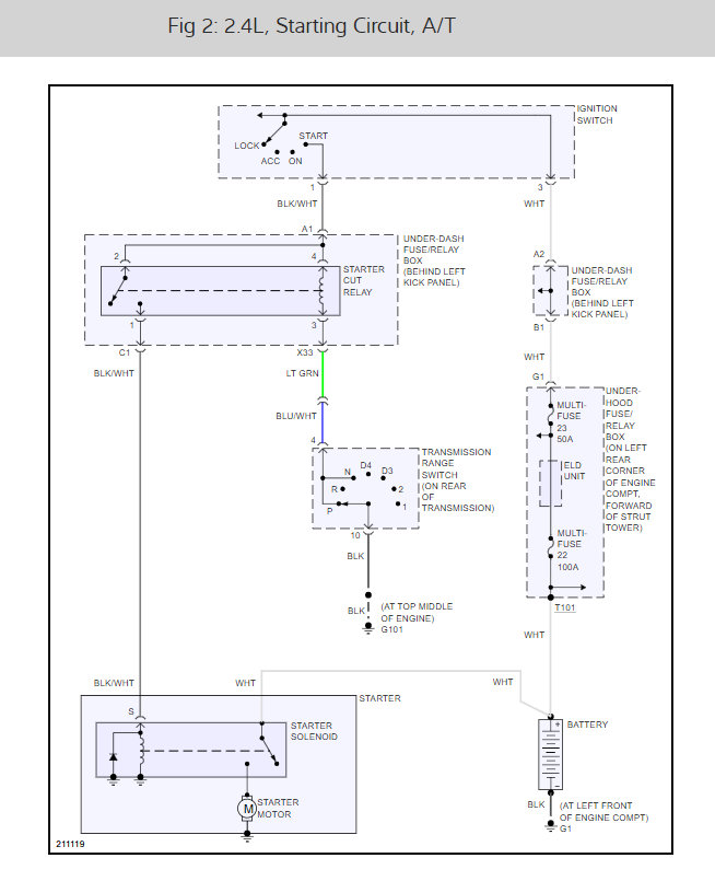
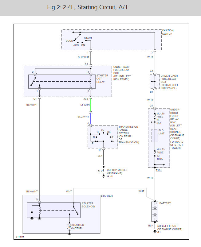
It does sound like the starter is out. To be sure here is the wiring diagrams and a guide to help check for power I updated the link above to help check the starter system so please check that out (I had the wrong link before, sorry) :

https://www.2carpros.com/articles/how-to-use-a-test-light-circuit-tester

There is a starter relay as well we need to check. Here is the location of the relay and how to change out the starter (steps) with diagrams below to show you how on your car.

https://www.2carpros.com/articles/how-to-replace-a-starter-motor

Check out the diagrams (below). Please let us know what you find.
Was this
answer
helpful?
Yes
No
Friday, June 25th, 2021 AT 11:58 AM
Tiny
HPEREZ
  • MEMBER
  • 3 POSTS
We had already put in a new starter relay so it definitely was not that. We ended up having it towed back to the dealer and they replaced the battery cables that fixed it thanks for the help.
Was this
answer
helpful?
Yes
No
Friday, June 25th, 2021 AT 11:58 AM

Please login or register to post a reply.