Why is my back turn signal not working but has new bulbs?

Tiny
HSTAM0497
  • MEMBER
  • 2003 TOYOTA CAMRY
  • 1.2L
  • 4 CYL
  • 2WD
  • AUTOMATIC
  • 180,000 MILES
When I use my left turn signal it's very fast while the right is on tempo and works.
Tuesday, March 15th, 2022 AT 7:59 AM

1 Reply

Tiny
JACOBANDNICKOLAS
  • MECHANIC
  • 110,192 POSTS
Hi,

If the left rear signal is the only one not working, it could be a bulb (which you replaced) a wiring issue, or a faulty light socket.

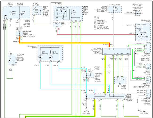
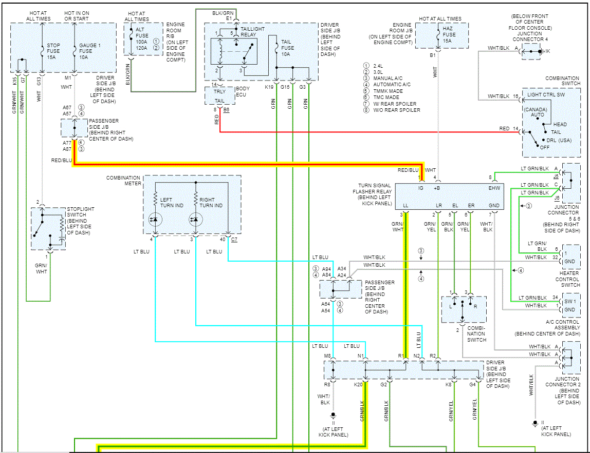
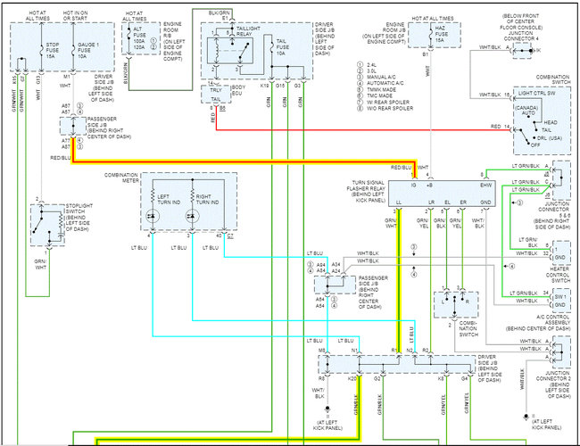
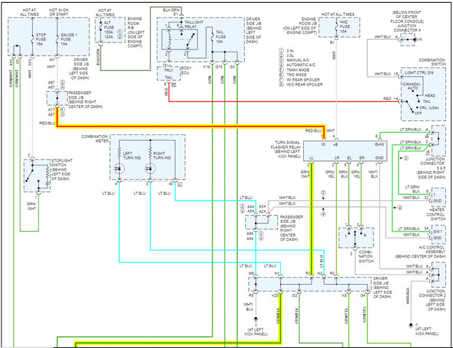
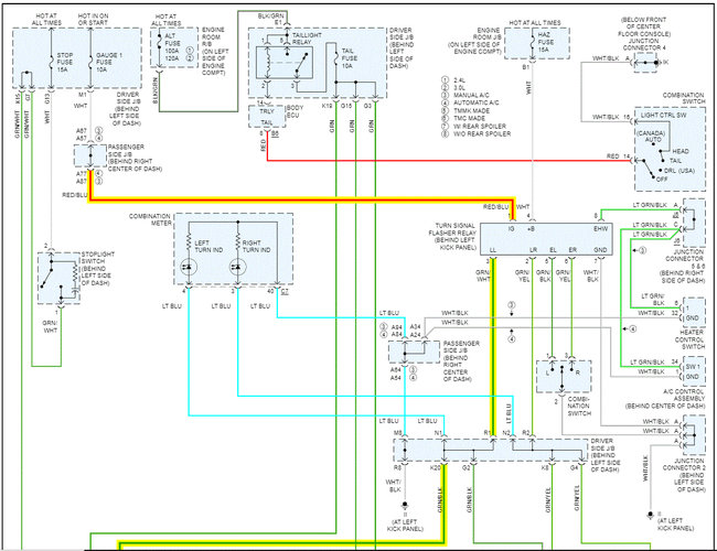
I attached the wiring schematic and will explain how it works.

Power comes from the gauge 1 fuse under the dash and goes to the flasher. Since the other lights are working, the fuse is good.

From the flasher, power goes to the left signal light via a green wire with a black tracer. Since the other lights at the taillight assembly are working, then we know it isn't a ground issue because all of the bulbs have the same common ground.

Here is what that means. Either there is an open circuit between the flasher and bulb, or the socket is bad. The flasher supplies power to the front signal as well, so that isn't the problem.

So, remove the bulb from the light socket and locate the green/black wire at the connector. Turn the left signals on. Using a test light or voltmeter, see if there is alternating power. If there is power, then either you installed the wrong type of bulb or the socket itself is bad.

If there is no power, then I suspect an open circuit between the flasher and bulb. In this case, first, remove the flasher relay and make sure the connectors are in good condition and not corroded. If that looks good, let me know.

Here is a link you may find helpful:

https://www.2carpros.com/articles/how-to-check-wiring

Let me know what you find or if you have other questions.

Take care,

Joe

See pics below (pic 3 shows the flasher relay location).
Was this
answer
helpful?
Yes
No
Tuesday, March 15th, 2022 AT 7:25 PM

Please login or register to post a reply.