Why dose the battery light go on and off intermittently

Tiny
CRUMPGREGORY
  • MEMBER
  • 2007 LINCOLN NAVIGATOR
  • 0.5L
  • V8
  • 2WD
  • AUTOMATIC
  • 130,000 MILES
Just bought the truck 2 weeks later the battery light goes on and off intermittently. The battery checked out good replace the alternator that's good, but that likes teams to just keep going on and off.
Tuesday, December 24th, 2019 AT 4:46 PM

1 Reply

Tiny
SCGRANTURISMO
  • MECHANIC
  • 4,897 POSTS
Hello,

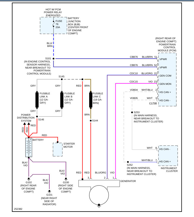
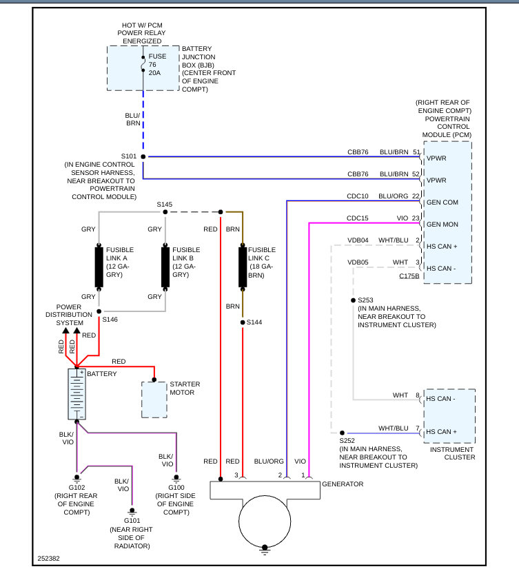
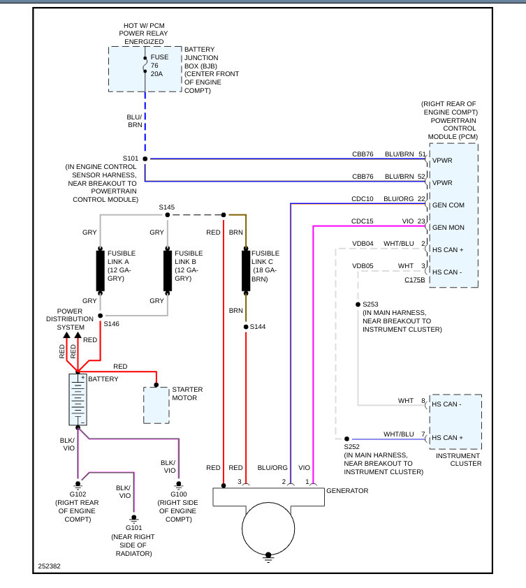
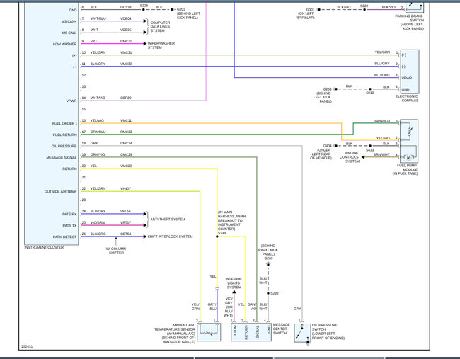
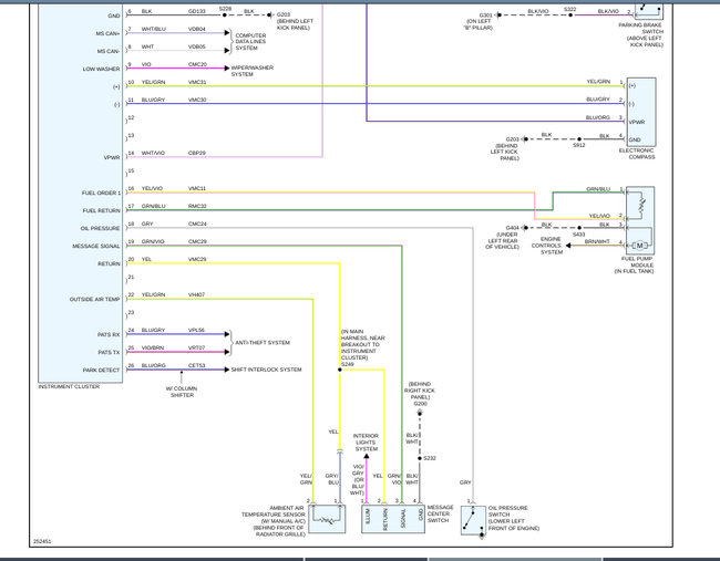
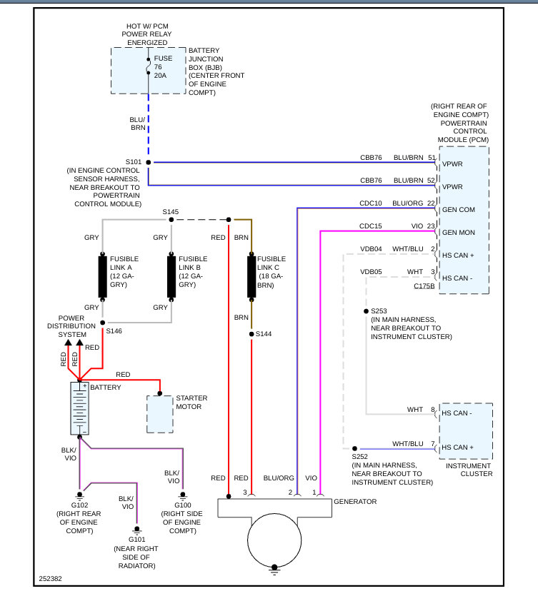
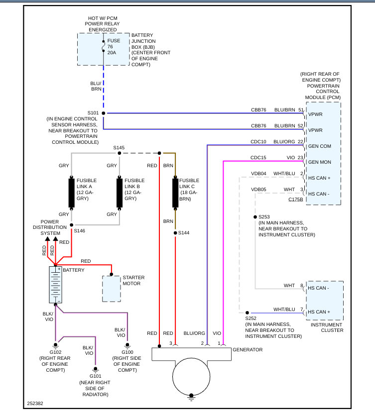
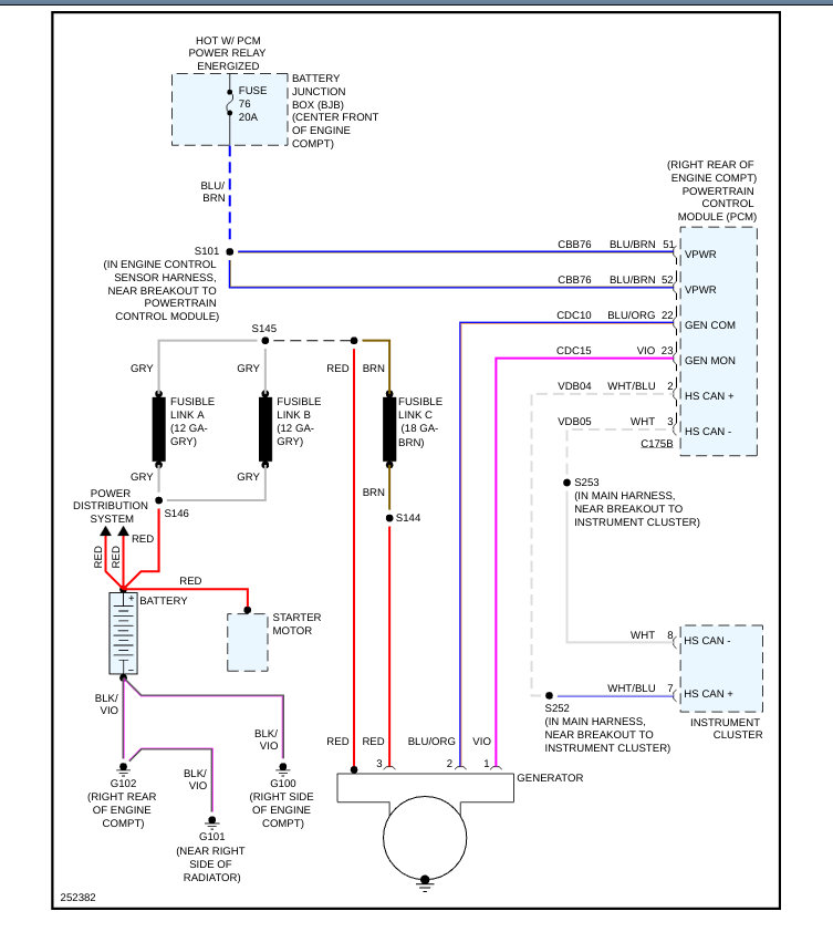
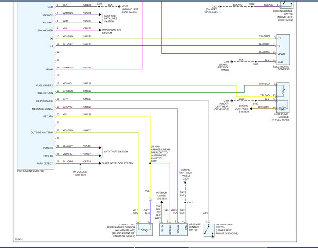
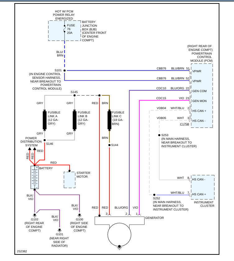
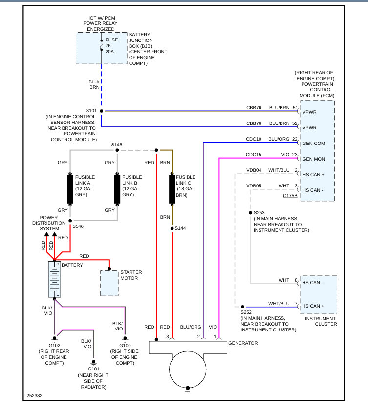
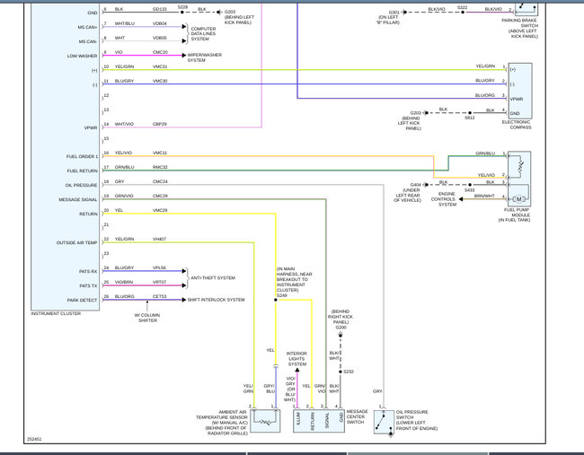
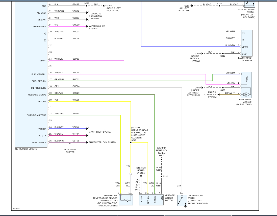
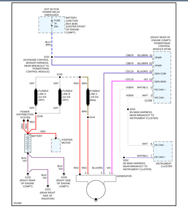
This sounds like you could have a loose wire or a damaged electrical connector that is causing the light to come on intermittently. In the diagrams down below I have included the wiring diagrams for the instrument panel and the charging circuit for your vehicle and a guide for finding intermittent conditions in an automotive electrical circuit. You will need to use a Digital Multi-meter [DMM] to go through these guides, so here is a link below with instructions on how to use one, if needed:

https://www.2carpros.com/articles/how-to-use-a-voltmeter

Please go through these guides and get back to us with what you are able to find out. We can go from there, if needed

Thanks,
Alex
2CarPros
Was this
answer
helpful?
Yes
No
Tuesday, December 24th, 2019 AT 8:14 PM

Please login or register to post a reply.