Sometimes when reversing it is hard to turn the wheel

Tiny
LAURAMANION1
  • MEMBER
  • 1995 MERCEDES BENZ C220
  • 2.2L
  • AUTOMATIC
  • 149,000 MILES
I got this car from a used car dealer. At first everything seemed fine, but then I had to get the guy to fix the camshaft sensor, then the motor mount after that. When they fixed the motor mount when I came to pick it up the check engine light was on as soon as I drove off with it, but I had to go to work. My brother told me to ignore it and thought they just didn’t turn it off. So my brother turned it off and that was I was about a week or two ago I guess? And it hasn’t been on since but I’ve noticed when I back up too hard turning the wheel left or right the engine sometimes but not every time will cut off but my lights and radio and everything are still on and my gears will let me shift but not work but if I start the car again it works fine.
Sunday, April 12th, 2020 AT 6:52 PM

1 Reply

Tiny
JACOBANDNICKOLAS
  • MECHANIC
  • 110,192 POSTS
Hi,

If this is happening when you make a hard turn at idle, it sounds related to a idle speed control actuator (ISC). Do you ever notice it if you are in gear at idle and turn the AC on?

The ISC is what maintains idle speed. Now, when you turn hard left or right, the power steering pump places a heavier load on the engine. If the ISC doesn't react to the added load, the engine can stall. I mentioned the AC. That places a heavy load on the engine as well. That's why I questioned if you ever noticed it happen when the AC is turned on.

What I would like you to do is simple. Pay attention to the engine RPM's when you make the turns or turn the AC on. If you notice the RPM's dropping to a degree that it could stall the engine. The ISC is my first suspect.

This component is mounted on the throttle body of the vehicle. I attached a pic of it. Basically, it consists of a throttle valve (which is what increases and decreases the engine speed and a small electric motor which responds to engine load only at idle.

If you decide to replace the part, here are the directions. The remaining pictures correlate with the directions. First, here is a link that explains how it's done in general:

https://www.2carpros.com/articles/how-to-replace-an-idle-speed-control-motor-iac

__________________________

Here are the directions specific to your vehicle:

_________________________

1995 Mercedes Benz C 220 (202.022) L4-2.2L (111.961)
Remove/Install Idle Speed Control (ISC) Actuator
Vehicle Powertrain Management Fuel Delivery and Air Induction Idle Speed/Throttle Actuator - Electronic Service and Repair Removal and Replacement Remove/Install Idle Speed Control (ISC) Actuator
REMOVE/INSTALL IDLE SPEED CONTROL (ISC) ACTUATOR

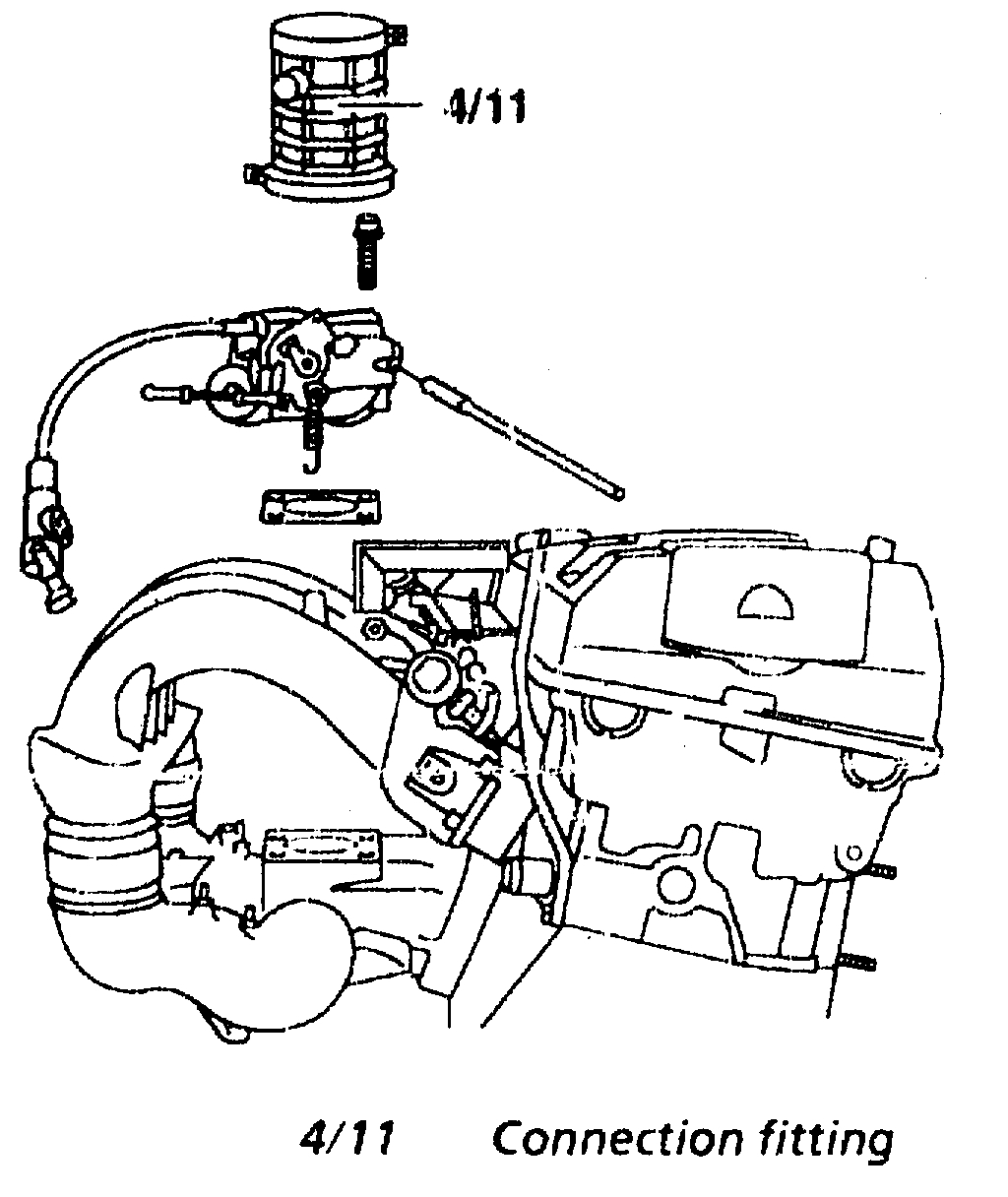
see pic 2

Engine 104

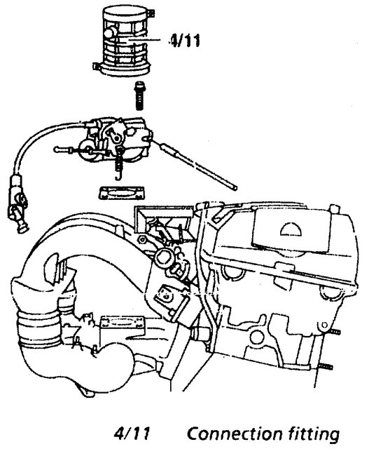
see pic 3

Shows engine 111.942/70

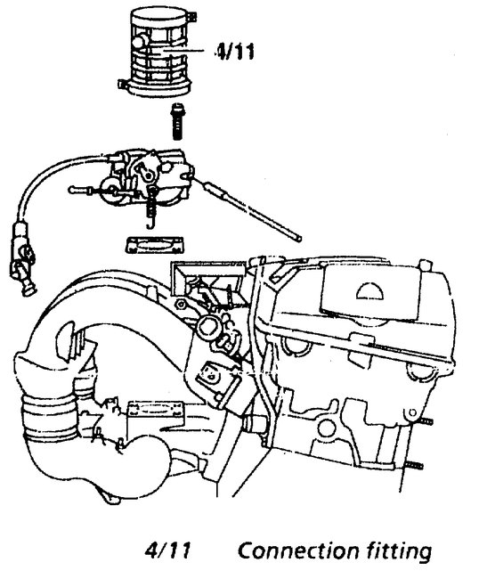
see pic 4

Engines 111.92/940/41/44/960/61/975

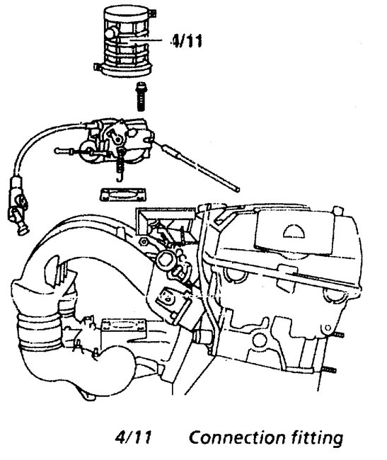
see pic 5 (the actual procedure for replacement)

_________________________________________________________________

Before just replacing the component, you may want to try simply performing a throttle body service and check/clean the ISC. Here are a couple links you may find helpful:

https://www.2carpros.com/articles/idle-air-control-valve-service

https://www.2carpros.com/articles/throttle-actuator-service

________________________________________________________________
Let me know about the AC. If you have other questions, feel free to ask.

Take care and I hope you had a nice Easter.

Joe
Was this
answer
helpful?
Yes
No
+1
Sunday, April 12th, 2020 AT 7:21 PM

Please login or register to post a reply.