Tuesday, February 21st, 2023 AT 8:01 AM
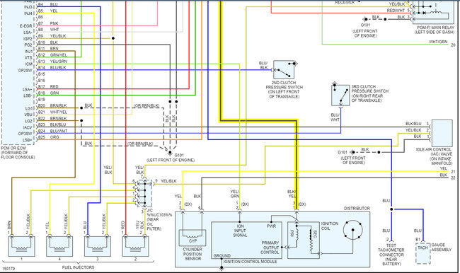
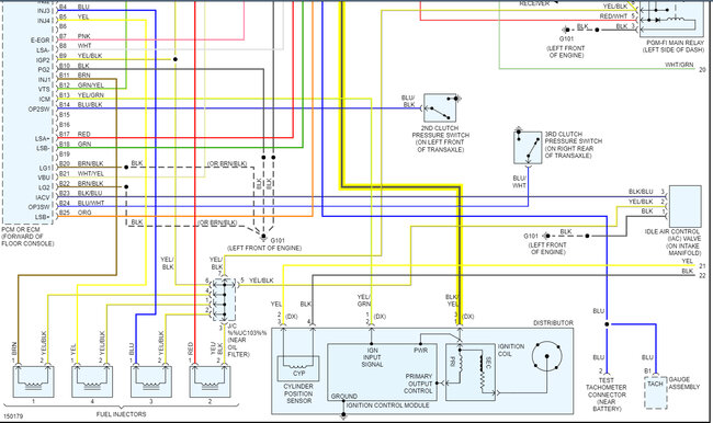
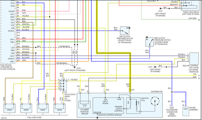
I was at a stop sign and my car shut off and couldn't get it to start back up. It is not getting any spark. I replaced the crank sensor and distributor still nothing. The car with crank also put a diagnostic tester on it and is showing nothing has a new battery fuel pump is coming on everything is working properly besides not having a spark. What could it be?






