White smoke coming out of exhaust smells like gas?

Tiny
CLINTON MALLORY
  • MEMBER
  • 2000 CHEVROLET SUBURBAN
  • 5.3L
  • V8
  • 2WD
  • AUTOMATIC
  • 200,000 MILES
Smokes more the more I give it gas. And it's not overheating and not smoking from engine and also nothing in the oil. No leaks under the hood anywhere. I need help please.
Saturday, October 7th, 2023 AT 9:38 AM

1 Reply

Tiny
AL514
  • MECHANIC
  • 5,562 POSTS
Hello, it sounds like you have a fuel injector stuck open, pouring out white smoke, you can try unplugging the injectors one by one, but that may not help if its mechanically stuck open. If it's one of the fuel injector drivers in the PCM that has shorted out and is now a constant path to ground, unplugging the injector should shut it off. The white smoke will stop, but if it's mechanically stuck open, to find which one it is, you can use a long screwdriver to listen to each injector, like a stethoscope and you should hear each one clicking as they open and close. You will come across one that is not making any noise or very little compared to the other.
Another test is with a fuel pressure gauge on the fuel rail, and using an injector pulse tool that hooks to the battery, you can pulse each injector for a certain amount of time and each injector should have the same amount of fuel pressure drop while they are being pulsed. I'll put up a picture of the tool, it just has two leads that go to the fuel injector and then two wires that hook to the battery positive and negative. You prime the fuel system by turning the key to the on position.
With a mechanically stuck injector you will notice an immediate drop in fuel pressure, if it's a drive issue in the PCM this will not happen.
This is a great tool to have for checking the flow of fuel injectors but see if you can hear each fuel injector clicking away while its running. Having a fuel pressure gauge on the fuel rail will tell you pretty quickly if it's stuck open or shorted out through the PCM and its staying on constantly. You can also check the spark plugs, there should be one that is noticeably flooded out.

If you do discover that the injector is staying on constantly due to a failed driver in the PCM, you will need to check the resistance of it compared to the rest. They should be around 12 Ohms of resistance. If one shorts out internally, this causes excessive current flow through the PCM transistor that controls that injector, and most of the time they either melt, or just short straight to ground and it will stay on. They can fill a cylinder with fuel and cause a hydro lock as well, so getting a fuel pressure gauge on the rail first thing is important. A hydro locked cylinder can bend or break a piston connecting rod.
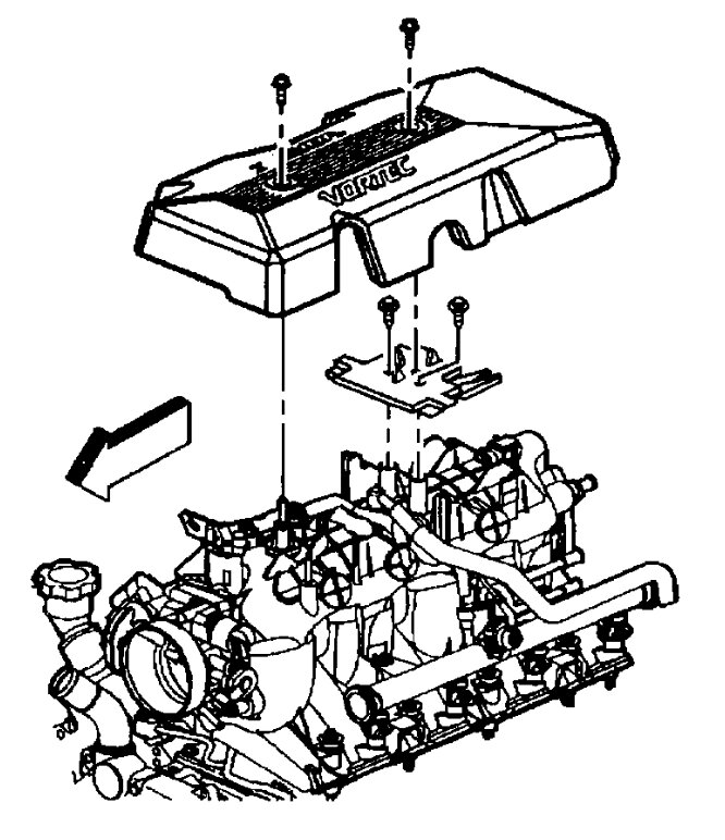
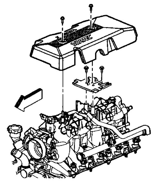
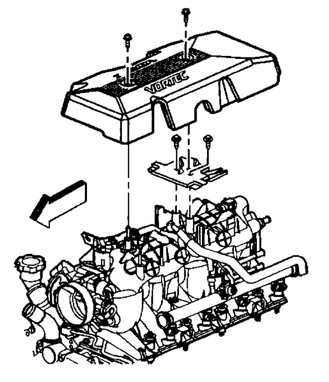
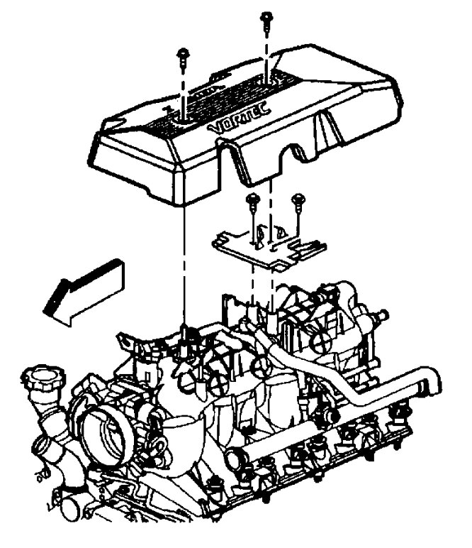
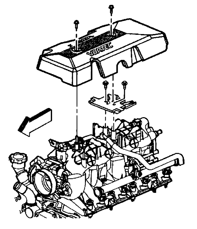
It looks like there is a fuel pressure port on the connecting hose that runs in between the two fuel rails, you'll have to take the top cover off the engine to see it. To release the fuel pressure in the rails before putting the gauge on, you can pull out the Fuel pump relay and start the vehicle until it stalls out. Then open the gas tank cap, which will help with any pressure built up in the tank, then install the pressure gauge on the fuel rail, reinstall the relay, and turn the key to On and it should prime the fuel rail for 2 seconds. Then watch to see if it drops off quickly.

https://www.2carpros.com/articles/how-to-test-a-fuel-injector

https://www.2carpros.com/articles/how-to-check-fuel-system-pressure-and-regulator
Was this
answer
helpful?
Yes
No
Saturday, October 7th, 2023 AT 11:50 AM

Please login or register to post a reply.