Whining sound in the fuel tank

Tiny
REDCRU777
  • MEMBER
  • 1998 PLYMOUTH NEON
  • 2.0L
  • 4 CYL
  • 2WD
  • AUTOMATIC
  • 200,000 MILES
Hello,

There's a whining sound coming from inside of the fuel tank that won't stop after a started the engine but stops when I turn the engine off. Could it be the fuel pump?

Please advise.

Thank you.

Rey
Saturday, April 30th, 2022 AT 5:34 PM

7 Replies

Tiny
JACOBANDNICKOLAS
  • MECHANIC
  • 110,194 POSTS
Hi,

Test it. When you first turn the key from off to run, (engine off) see if you hear it, and then it stops and then starts again after starting the engine.

Really, that is the only thing that would make a whining noise. However, since the pump prims for a second when the key is first turned on, it may help you confirm.

As far as replacing the pump, the fuel tank needs to be removed to gain access. If you look below, I provided the directions for tank removal and replacement first and then the removal and replacement of the pump.

Let me know if this helps or if you have other questions.

Take care,

Joe

See pics below.
Was this
answer
helpful?
Yes
No
Saturday, April 30th, 2022 AT 10:22 PM
Tiny
REDCRU777
  • MEMBER
  • 84 POSTS
Hello Joe,

Thanks for your advice re fuel pump replacement.

3 days ago, I had the old battery replaced with a new one since it's already gone bad (it's only a year old), the engine starts with one click and since then everything works fine, the fuel pump whining sound is gone.

But this afternoon, the problem returned, the car stalled and there was totally no power. I checked the battery charge it was only 10.7v, so I boosted the car's battery via the cable jumper from my other car and it started right away but the fuel pump is whining again; it ran about 3 kms, then shut off again. I checked the charge it was down to 7v.

Could it be the alternator this time? Please advise.

Thank you.

Rey
Was this
answer
helpful?
Yes
No
Thursday, May 12th, 2022 AT 9:28 PM
Tiny
JACOBANDNICKOLAS
  • MECHANIC
  • 110,194 POSTS
Rey,

There is a chance that was the issue all along. Do me a favor. Charge the battery, then follow the directions in this link. It will confirm if the alternator is the issue. Based on your description, it sounds like it is. The noise is likely due to low voltage.

https://www.2carpros.com/articles/how-to-check-a-car-alternator

This would also explain the battery issue with the one that was a year old.

Let me know your findings.

Take care of yourself,

Joe
Was this
answer
helpful?
Yes
No
Friday, May 13th, 2022 AT 6:53 PM
Tiny
REDCRU777
  • MEMBER
  • 84 POSTS
Thanks Joe, I'll work on this ASAP.
Will keep you posted.

Take care boss!

Rey
Was this
answer
helpful?
Yes
No
Friday, May 13th, 2022 AT 7:12 PM
Tiny
JACOBANDNICKOLAS
  • MECHANIC
  • 110,194 POSTS
Rey,

I had an afterthought. If you find the alternator isn't producing, I need you to check something else. There should be a black wire with a gray tracer at the alternator. That wire should have 12v at all times. So, if it fails the aforementioned test, confirm that the wire gets power.

If it does, I then will need you to disconnect the battery, remove the alternator, and take it to a parts store to have it bench tested. I really recommend having it bench tested for one specific reason. This charging system doesn't have a traditional voltage regulator which is part of the alternator. Instead, voltage is regulated via the powertrain control module (PCM).

I want to be 100% sure the alternator is the problem and not the PCM.

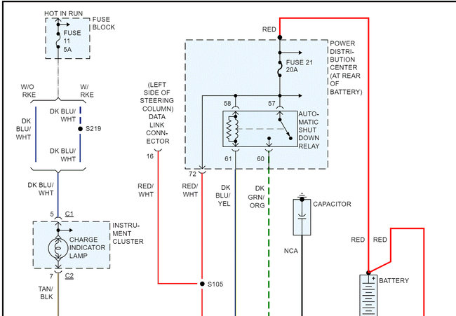
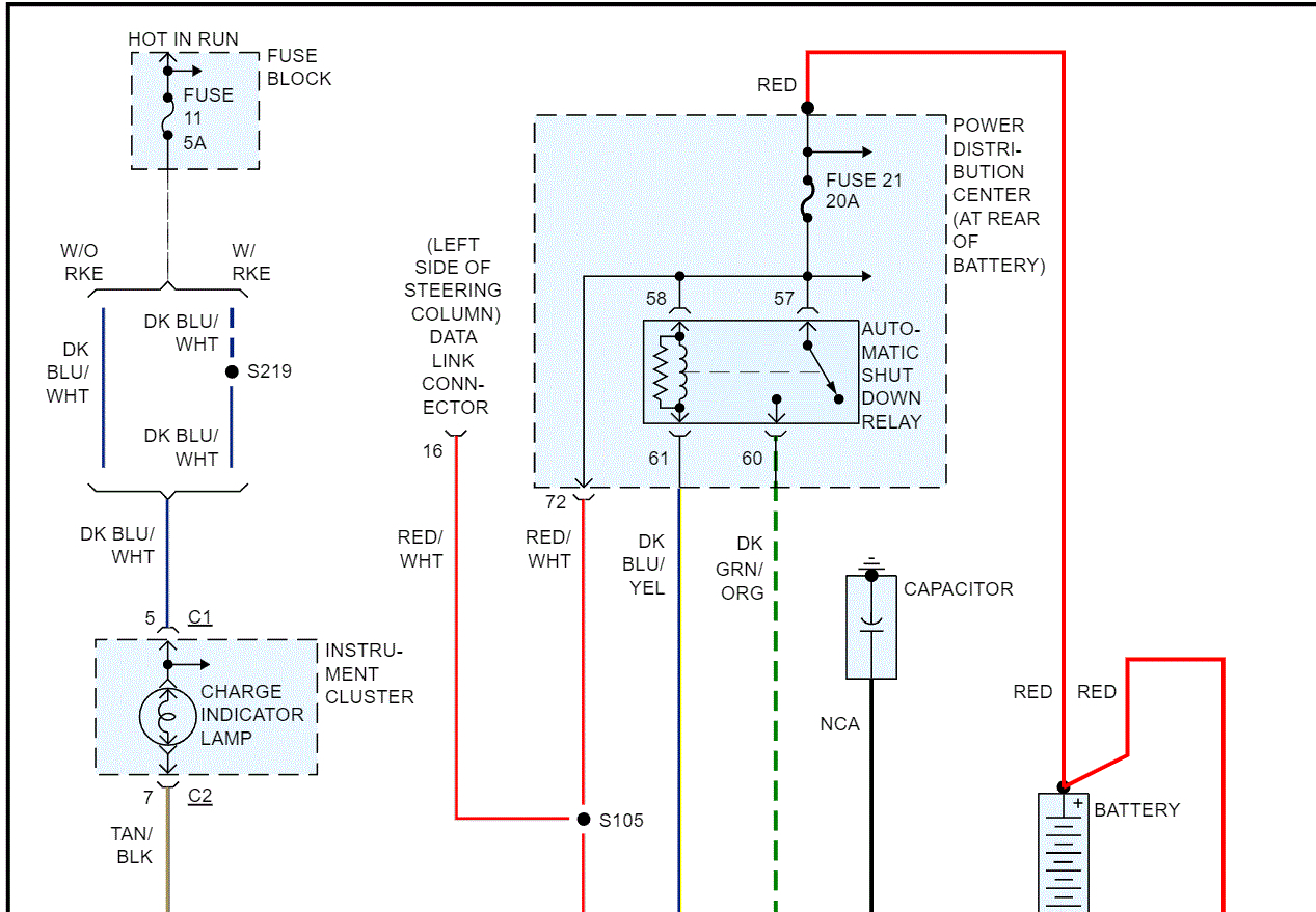
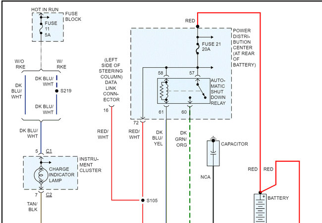
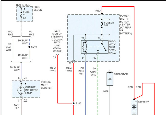
I attached the wiring schematic below for the charging system, so you have a reference. Note the wire I mentioned comes straight from the starter motor but in the middle of the wire, there is a fusible link.

A fusible link functions the same as a fuse but looks like a regular wire. If it failed, the alternator will not be getting battery voltage and won't charge.

Let me know what you find or if you have questions.

Take care,

Joe

See pics below.
Was this
answer
helpful?
Yes
No
Friday, May 13th, 2022 AT 8:13 PM
Tiny
REDCRU777
  • MEMBER
  • 84 POSTS
Hey Joe,

Mission accomplished! It's the alternator, I already changed it, and it's all good. But, there's another issue to address. Looks like the ignition switch is broken too. Looks like the contact in the switch is giving way, last night it took me a x3 to start the engine, and this morning I was able to start the engine x2 with 1 try, but on the third time, looks like there's totally no contact in the switch.

Please advise Joe.

Thanks, and regards.

Rey
Was this
answer
helpful?
Yes
No
Wednesday, June 8th, 2022 AT 1:29 PM
Tiny
JACOBANDNICKOLAS
  • MECHANIC
  • 110,194 POSTS
Hi,

Thank you for the update. I'm glad to know at least one issue is resolved. LOL

As far as the switch is concerned, I would be happy to help. However, I have a favor to ask. To make the site more helpful to others, we request that each thread is specific to one topic. Is it possible for you to copy your new question and paste it onto a new thread?

Here is the link to start a new one:

https://www.2carpros.com/questions/new

Again, I hope you understand. I will watch for your new post.

Take care,

Joe
Was this
answer
helpful?
Yes
No
Wednesday, June 8th, 2022 AT 8:37 PM

Please login or register to post a reply.