Whether subwoofers are compatible

Tiny
MOUSE357
  • MEMBER
  • 2001 VOLKSWAGEN JETTA
  • 1.8L
  • 4 CYL
  • TURBO
  • 2WD
  • AUTOMATIC
  • 108,435 MILES
I have a 12" renegade 600 watts subwoofer with a 12" 800 watts pyle Blue Wave series dual voice coil. I'm wondering if they are compatible and able to be hooked up in single boxes in my trunk.
Saturday, September 11th, 2021 AT 1:46 PM

1 Reply

Tiny
KASEKENNY
  • MECHANIC
  • 18,907 POSTS
Subwoofers do not have to be compatible with each other. Only if the amp that you are using will power both. So if you have an amp that will run these then you just need to hook them up and you should be fine.

They may not sound good together but that is unlikely because a sub is pretty standard.

As for putting them in a box together, that is just a matter of cutting holes that will fit each size and then wiring them up. A box is nothing more then a container for these subs and gives them air space so that they can generate the bass that is needed. Tight spaces are not a subs friend because it needs to move air in order to sound good.

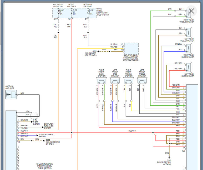
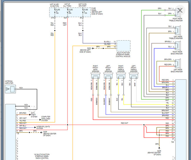
I am not sure if you need it but I am attaching the info from the manual on the wiring diagram in case you do.

Please let us know if you have other questions. Thanks
Was this
answer
helpful?
Yes
No
Saturday, September 11th, 2021 AT 8:34 PM

Please login or register to post a reply.