Where is the flasher relay located on my car?

Tiny
GHOSTIE2477
  • MEMBER
  • 2006 BUICK LUCERNE
  • 3.8L
  • V6
  • 2WD
  • AUTOMATIC
  • 200,000 MILES
Car listed above is the CXL model. Can't find flasher relay.
Tuesday, October 27th, 2020 AT 2:07 AM

1 Reply

Tiny
ASEMASTER6371
  • MECHANIC
  • 52,796 POSTS
Good morning,

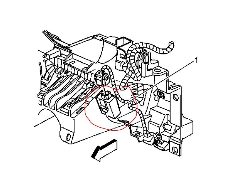
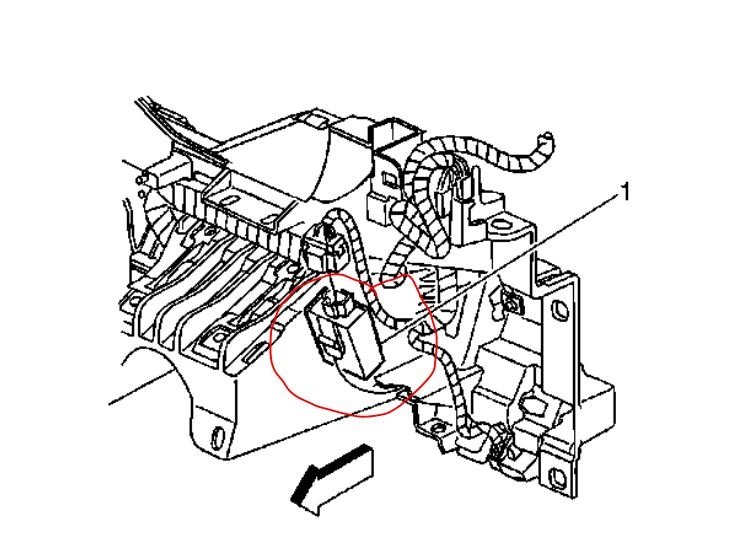
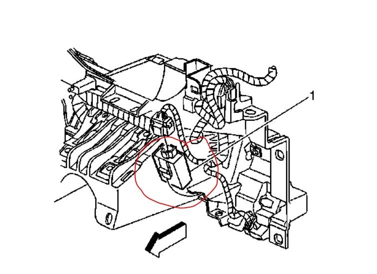
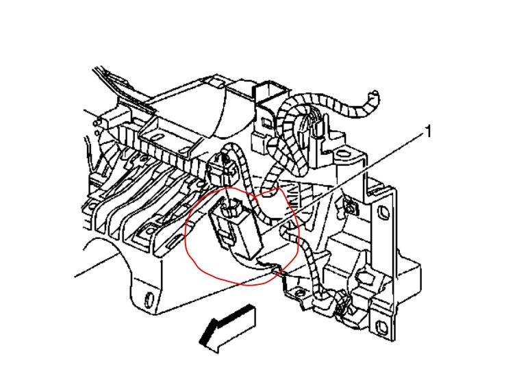
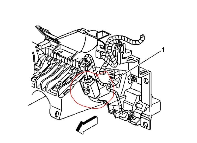
At the end of the instrument panel, there is a closeout panel you can open. Open the panel and relay is there.

I attached a picture for you of the location.

Roy

HAZARD AND TURN SIGNAL FLASHER REPLACEMENT

REMOVAL PROCEDURE
1. Remove the left closeout/insulator panel.

ImageOpen In New TabZoom/Print

2. Remove the turn/hazard flasher module (1).
3. Disconnect the electrical connector.
Was this
answer
helpful?
Yes
No
-4
Tuesday, October 27th, 2020 AT 2:27 AM

Please login or register to post a reply.