Code P1723, where is the automatic transmission control relay located?

Tiny
MATT IN CHRIST
  • MEMBER
  • 2004 KIA AMANTI
  • 3.5L
  • 6 CYL
  • AUTOMATIC
  • 175,000 MILES
The code was p1723 and with the same symptoms or problem like features.
Wednesday, May 4th, 2022 AT 7:58 PM

1 Reply

Tiny
JACOBANDNICKOLAS
  • MECHANIC
  • 110,194 POSTS
Hi,

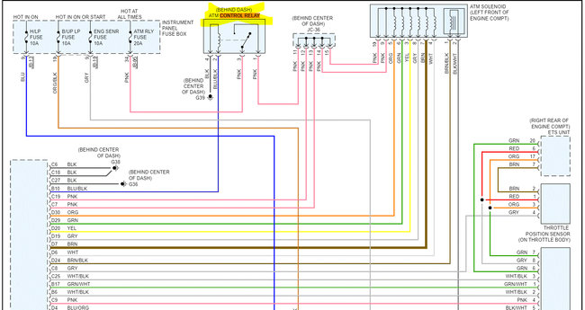
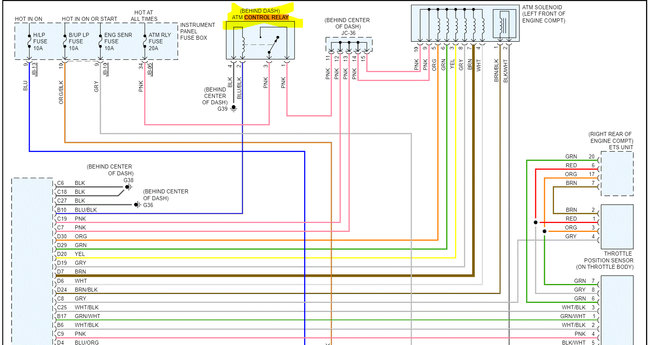
The transmission control relay is under the dash approximately center. I attached the wiring schematic below and a pic showing the location. Additionally, the last two pics are the diagnostics for this specific code.

Here are two links you may find helpful:

https://www.2carpros.com/articles/how-to-check-wiring

https://www.2carpros.com/articles/how-to-check-an-electrical-relay-and-wiring-control-circuit

Let me know if this helps or if you have other questions.

Take care,

Joe

See pics below.
Was this
answer
helpful?
Yes
No
-1
Wednesday, May 4th, 2022 AT 9:19 PM

Please login or register to post a reply.