I took care of the first one which was replacing all 4 engine mounts.
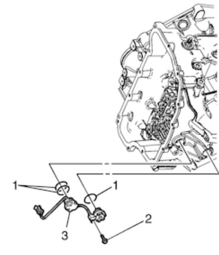
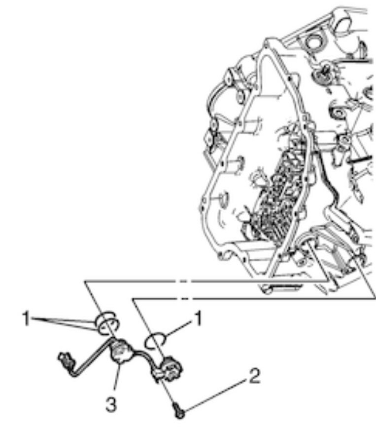
I have yet to replace the input speed sensor. I don't know exactly where it is. I've checked online and some say is on the driver's side and some say is on the passenger side. Any help will be appreciated.
I'm also thinking of flushing the old trans fluid and changing the filter and see If that fixes my issues.
Saturday, June 29th, 2024 AT 5:40 AM





