Where is the flasher module located?

Tiny
MARK GRAYSON SNYDER
  • MEMBER
  • 2009 CHEVROLET EXPRESS
  • 4.8L
  • V8
  • 2WD
  • 30,000 MILES
I’m having trouble finding anything online for this makes year as to the location of the flasher module. Please help
Thursday, May 11th, 2023 AT 8:02 AM

1 Reply

Tiny
KEN L
  • MASTER CERTIFIED MECHANIC
  • 55,297 POSTS
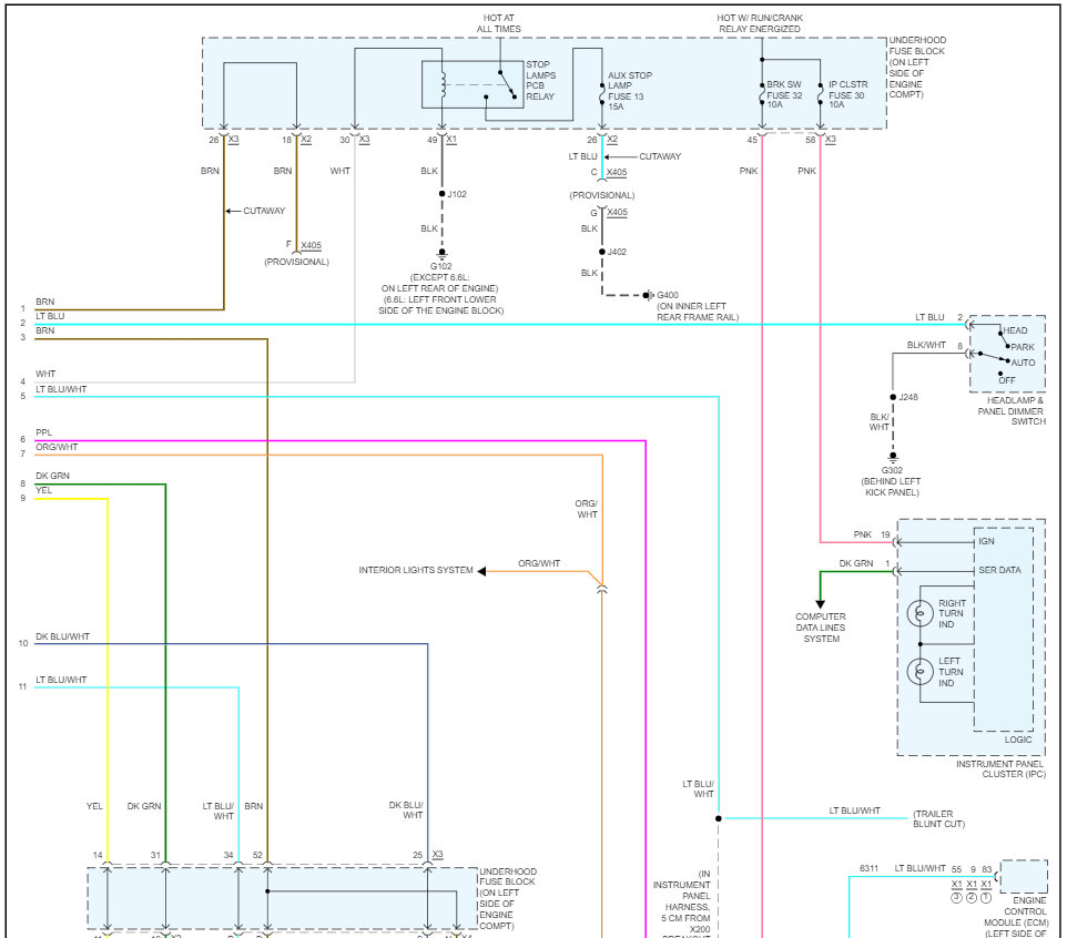
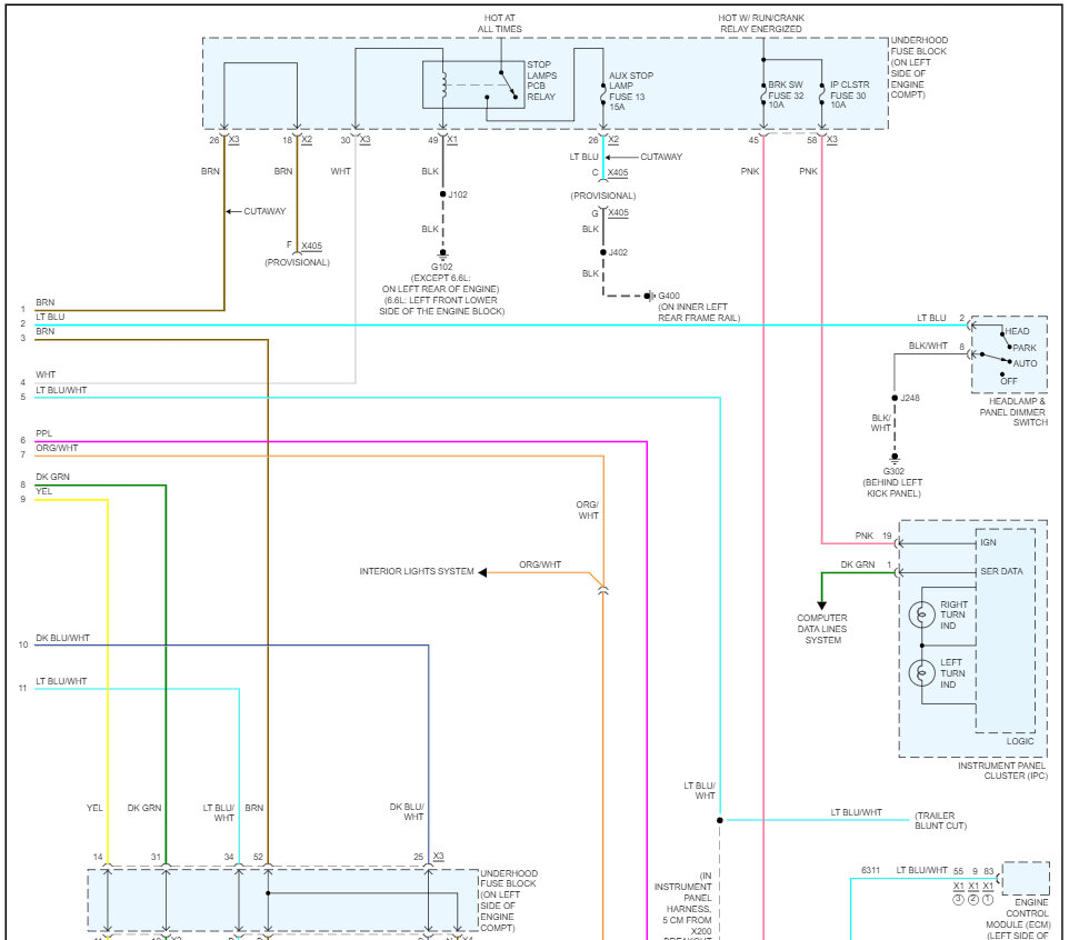
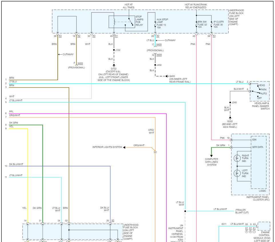
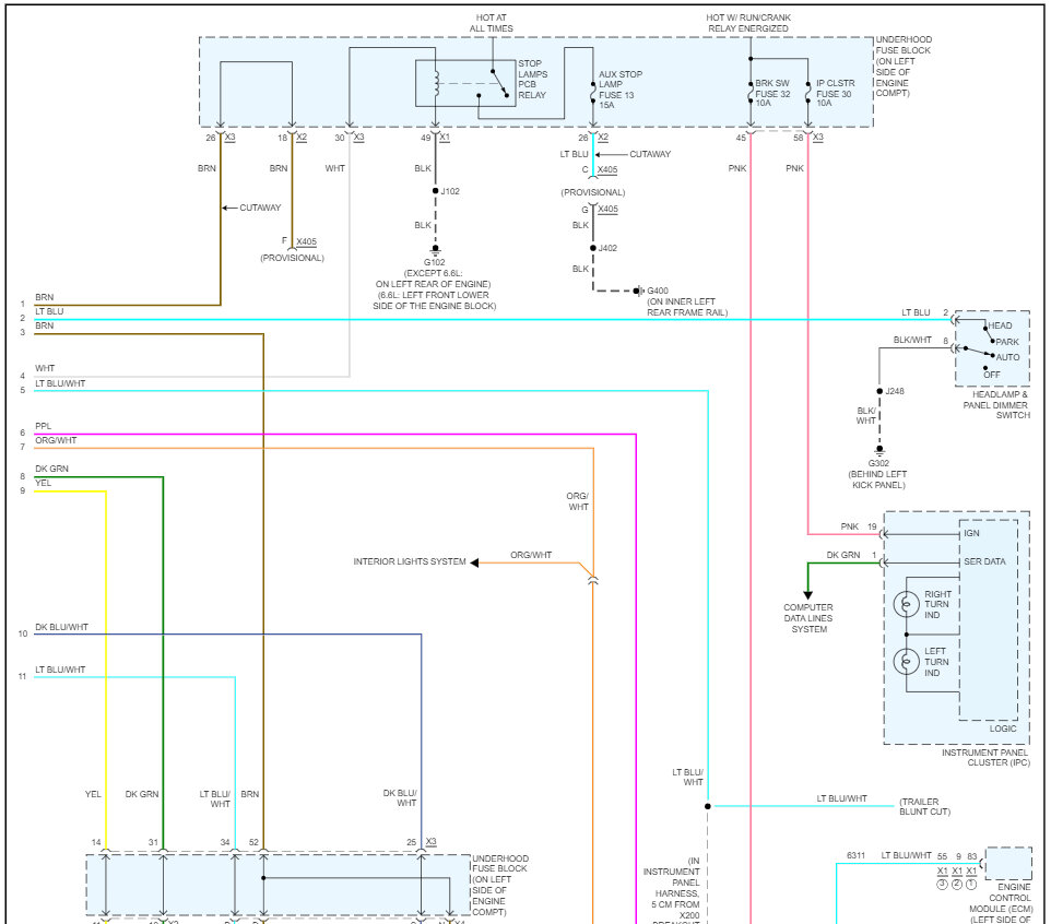
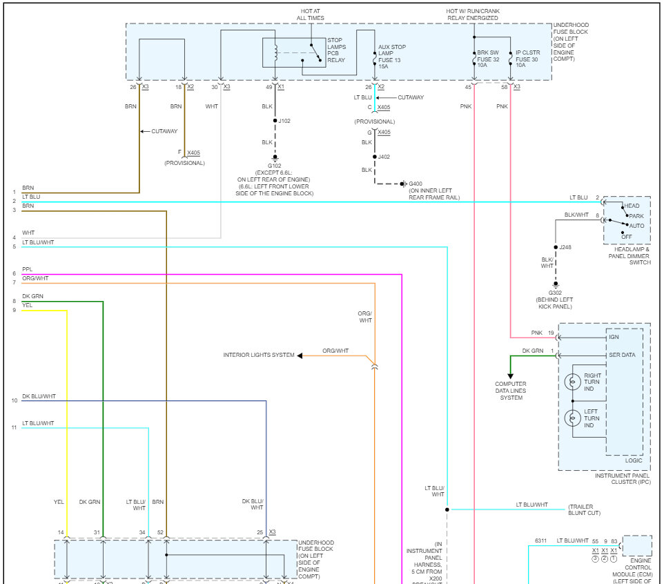
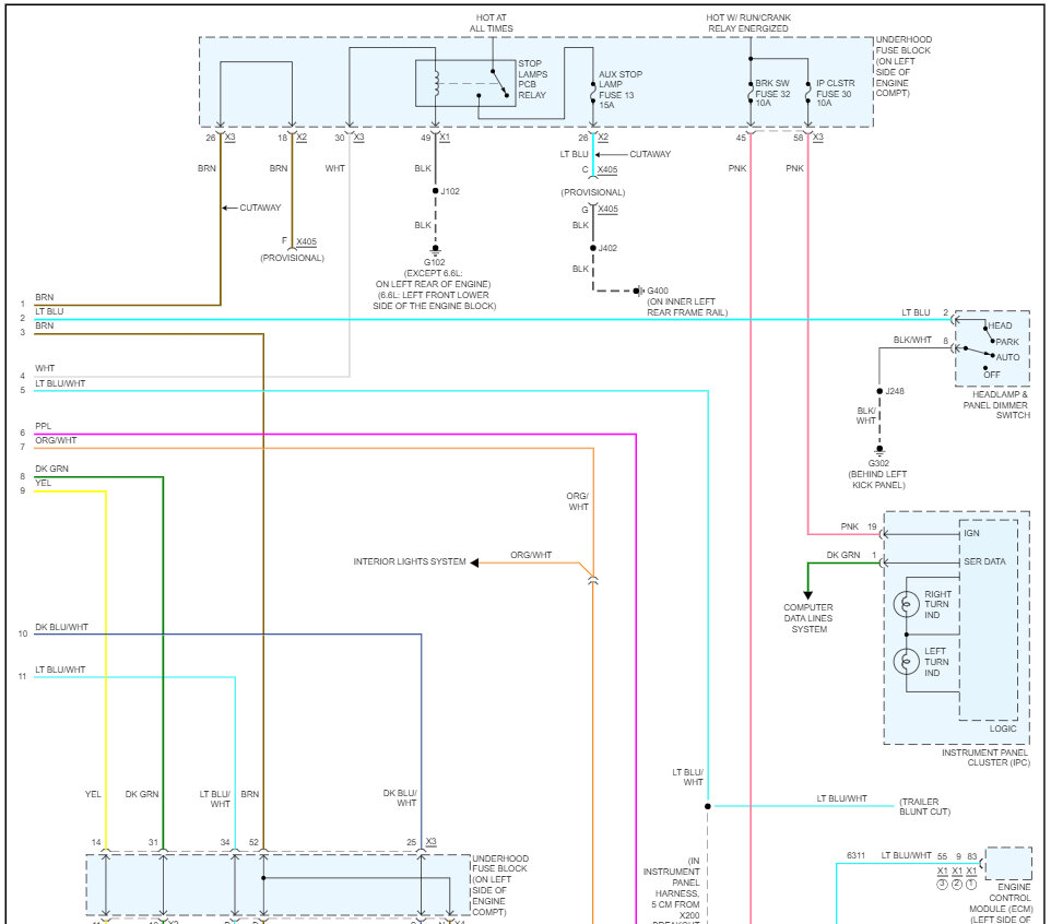
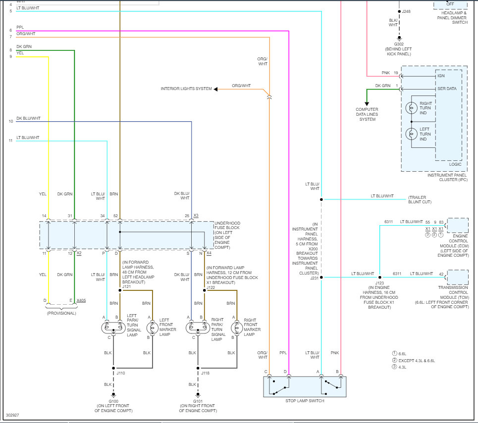
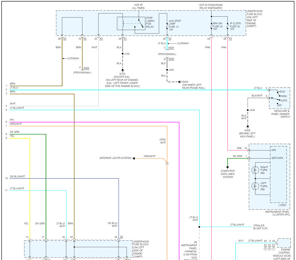
There is no flasher on this vehicle is the blinking operation is handled by the BCM. What kind of problem are you having? Here is a guide that can help, and I have included the blinker wiring diagrams so you can see how the system works. I would start by checking the blinker system fuses which you can see in the wiring diagrams.

https://www.2carpros.com/articles/turn-signals-not-working-blinker

and

https://www.2carpros.com/articles/how-to-check-a-car-fuse

Check out the images (below). Let us know what happens and please upload pictures or videos of the problem so we can see what's going on.
Was this
answer
helpful?
Yes
No
Thursday, May 11th, 2023 AT 11:47 AM

Please login or register to post a reply.