Blower motor does not work?

Tiny
ROBERTOHABIB
  • MEMBER
  • 2007 FORD F-150
  • 100,000 MILES
Where is location of the fuse and relay for the blower of air conditioner?
Monday, December 18th, 2017 AT 9:05 AM

1 Reply

Tiny
ASEMASTER6371
  • MECHANIC
  • 52,796 POSTS
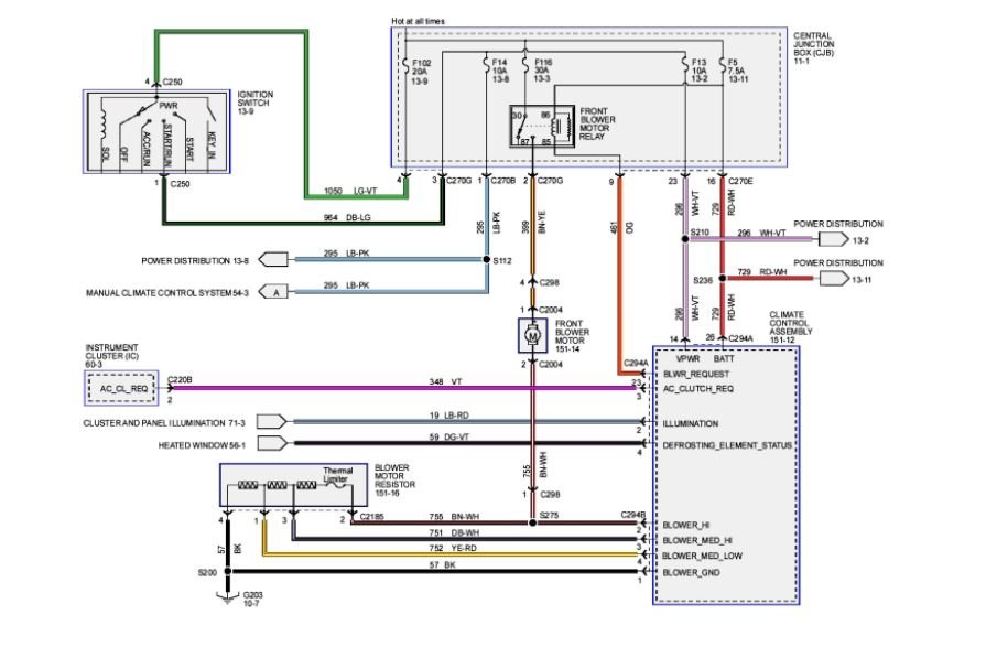
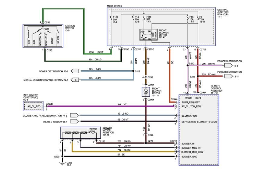
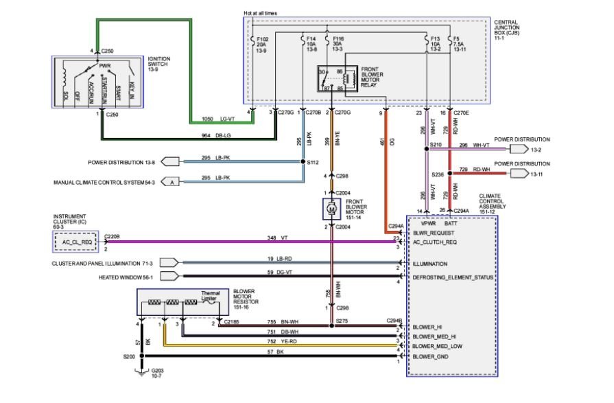
Okay, looking for relay number six in the fuse block diagram. Fuses for the blower are marked in the diagram. There are two fuses that feed the relay.

Also lets check for power and ground at the blower motor this guide will help walk you through.

https://www.2carpros.com/articles/blower-fan-motor-works-on-high-speed-only

Check out the diagrams (Below). Please let us know what you find. We are interested to see what it is.
Was this
answer
helpful?
Yes
No
-1
Monday, April 19th, 2021 AT 11:11 AM

Please login or register to post a reply.