Where is idle air control valve e located?

Tiny
THOMAS FRENZEL
  • MEMBER
  • 2007 HYUNDAI SONATA
  • 124,000 MILES
Loss of power bugging down. I replaced plugs coils even ignition coil assembly condenser capacitor. Checked fuses got it started last, oh both cam sensors and crank sensor replaced. Now fuel pump isn't working wtf else could ot be?

The vehicle listed above has a 3.3 l v6 engine.
Tuesday, August 15th, 2023 AT 4:02 PM

8 Replies

Tiny
JACOBANDNICKOLAS
  • MECHANIC
  • 110,194 POSTS
Hi,

This vehicle uses the throttle position sensor to maintain engine idle speed. The TPS is controlled by the powertrain control module. (See pic below)

What is happening with the vehicle? Have you checked for diagnostic trouble codes?

Let me know what I can do to help.

Take care,

joe

See pic below.
Was this
answer
helpful?
Yes
No
Tuesday, August 15th, 2023 AT 10:04 PM
Tiny
THOMAS FRENZEL
  • MEMBER
  • 7 POSTS
Yes, let me start by saying when scanned the first time it said 3 02 sensers were bad, waiting for those to come in. On my way home from all of a sudden the engine light started blinking then the misfire started. The car didn't want to accelerate. Stopped, scanned it at auto parts store codes again 02 sensors followed by cam sensor a so replaced both cam sensors, also the crank sensor plugs and coils and even ignition coil condenser compassiter still would fire once then just turn over I I started to check fuses had to replace a blown fuse did that car started but still ran rough bit won't start and now I need a fuel pump but if there was a fuel pump in ot it push gas pedal down motor boggs down.
Was this
answer
helpful?
Yes
No
Wednesday, August 16th, 2023 AT 12:28 AM
Tiny
THOMAS FRENZEL
  • MEMBER
  • 7 POSTS
After replacing all that, no codes appear after scanning again.
Was this
answer
helpful?
Yes
No
Wednesday, August 16th, 2023 AT 12:29 AM
Tiny
JACOBANDNICKOLAS
  • MECHANIC
  • 110,194 POSTS
Hi,

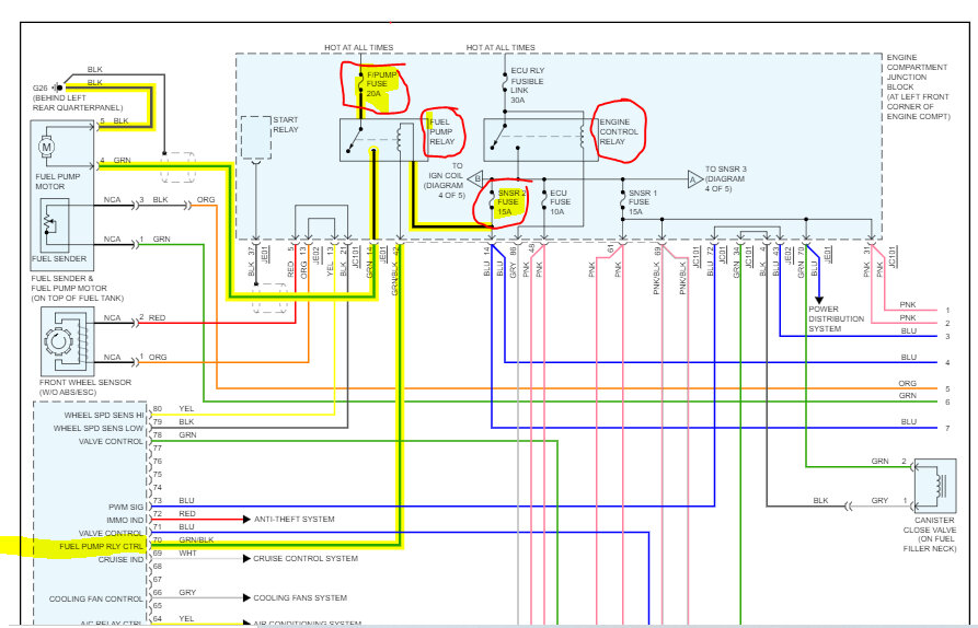
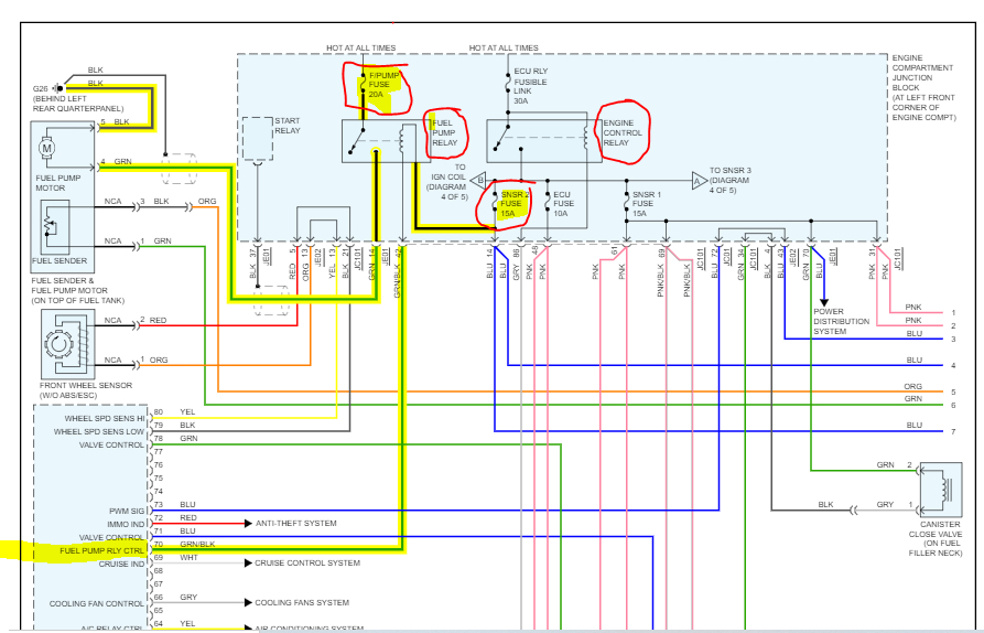
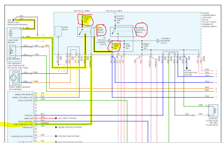
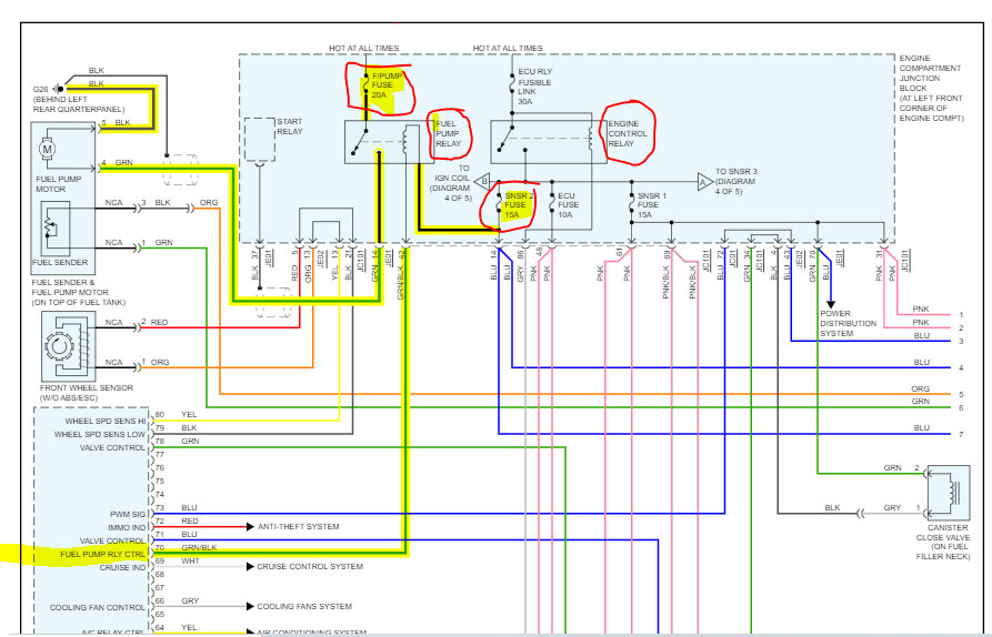
Looking back at your post, we know the fuel pump isn't working. So, we need to figure out why.

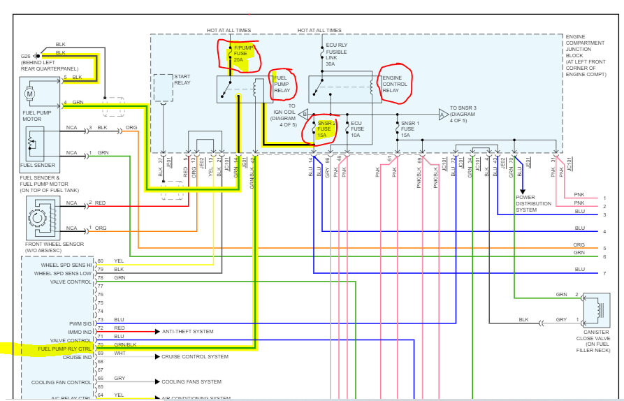
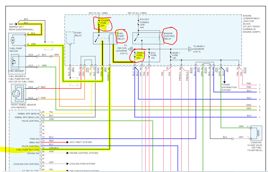
I attached the schematic below for the pump. I need you to check the fuel pump fuse and the "SNSR" fuse (sensor fuse which also powers the O2 sensors). You mentioned problems with them.

When you check the fuel pump fuse, make sure there is power to and from it. Also, when checking the SNSR fuse, the key must be in the run position.

Do this and let me know the results.

Take care,

Joe

See pics below.
Was this
answer
helpful?
Yes
No
+1
Wednesday, August 16th, 2023 AT 9:44 PM
Tiny
THOMAS FRENZEL
  • MEMBER
  • 7 POSTS
Thank you. I will check that out and let you know.
Was this
answer
helpful?
Yes
No
Wednesday, August 16th, 2023 AT 9:47 PM
Tiny
THOMAS FRENZEL
  • MEMBER
  • 7 POSTS
Thank you, that helped. The fuel pump has power to it but not from it will actually fire everything I turn the key engine over but won't stay running. I have a question, could it be injectors that are bad or does this seem to be a fuel pump issue? As I said it fires tries to run if I pump the gas pedal it's like it tries to stay running but isn't getting the right amount of fuel.

Thank you for your advice it has helped immensely.
Was this
answer
helpful?
Yes
No
Thursday, August 17th, 2023 AT 9:38 AM
Tiny
THOMAS FRENZEL
  • MEMBER
  • 7 POSTS
Last question I promise. I got it to start and run, but I shut it off after 10 minutes. Now won't start again. Could it be throttle position sensor?
Was this
answer
helpful?
Yes
No
Thursday, August 17th, 2023 AT 1:13 PM
Tiny
JACOBANDNICKOLAS
  • MECHANIC
  • 110,194 POSTS
Hi,

Chances are it is fuel pressure. At least, I would recommend testing pressure to see if it is within the manufacturer's specifications.

Here is a link that explains how it's done:

https://www.2carpros.com/articles/how-to-check-fuel-system-pressure-and-regulator

You will need a fuel pressure gauge, but most parts stores will lend one to you.

I attached the fuel pressure specifications below for you. Let me know if this is something you are comfortable performing.

Take care,

Joe

See pic below.

Was this
answer
helpful?
Yes
No
Thursday, August 17th, 2023 AT 6:53 PM

Please login or register to post a reply.