Will not start, where is the back-up neutral switch located?

Tiny
MWESTFALL1
  • MEMBER
  • 2006 LINCOLN NAVIGATOR
  • 5.4L
  • V8
  • 2WD
  • AUTOMATIC
  • 115,000 MILES
We have installed a new computer, synced new keys, run diagnostics and the car still will not start. We think it might need a new back-up neutral switch, but don't know where it's located.
Sunday, June 11th, 2023 AT 10:27 AM

10 Replies

Tiny
JACOBANDNICKOLAS
  • MECHANIC
  • 110,192 POSTS
Hi,

If you are referring to the park/neutral position switch (PNP), it is integral to the digital transmission range sensor. See pic 1 below.

When you have the key on and shift through the gears, are the gear indicator lights in line with the gear you selected? When in park, does the P light up? I ask because it could be a cable adjustment issue.

Let me know. Also, see if will crank in any gear. If the cable is off enough, it could happen. Just make sure to keep your foot on the brake. LOL

Let me know.

Take care,

joe

See pic below.
Was this
answer
helpful?
Yes
No
-1
Sunday, June 11th, 2023 AT 6:06 PM
Tiny
MWESTFALL1
  • MEMBER
  • 5 POSTS
We have tried all of the above; the car still won't start. Apparently, we have a 6HP26 transmission and can't locate where to test the back-up neutral switch/transmission range sensor.
Was this
answer
helpful?
Yes
No
Sunday, June 11th, 2023 AT 7:17 PM
Tiny
JACOBANDNICKOLAS
  • MECHANIC
  • 110,192 POSTS
Hi,

I found it. That transmission must not have been used very often on these vehicles. Anyway, the range sensor (PNP) is integral to the transmission control module (TCM)

The TCM for the transmission is mounted on top of the main control valve body. The control module for the transmission has been designed to operate correctly in the environment in which the TCM is located.

If you look below, I attached two pics. Let me know if this helps or if you have other questions.

Take care,

Joe

See pics below.
Was this
answer
helpful?
Yes
No
Monday, June 12th, 2023 AT 8:43 PM
Tiny
ANDYWESTFALL
  • MEMBER
  • 1 POST
Can you give us some troubleshooting recommendations on finding the cause of the no crank. I’ve checked the fuse and relay along with the CPU replacement as mentioned above.
Was this
answer
helpful?
Yes
No
Tuesday, June 13th, 2023 AT 6:29 PM
Tiny
JACOBANDNICKOLAS
  • MECHANIC
  • 110,192 POSTS
Hi,

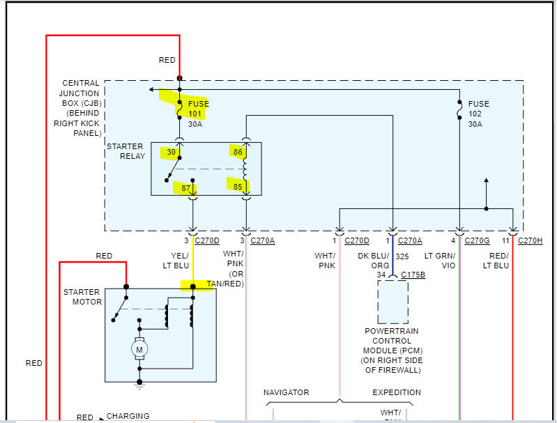
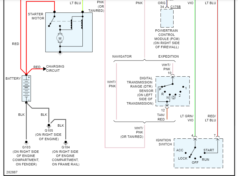
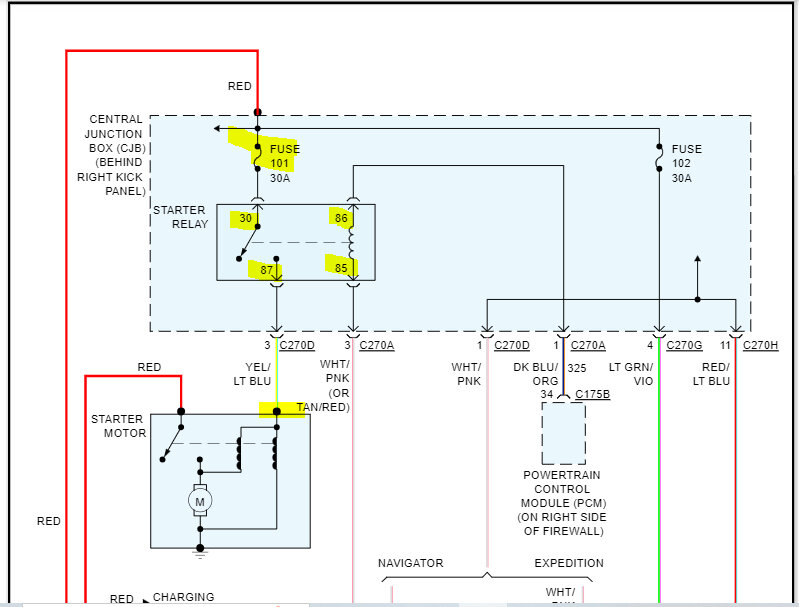
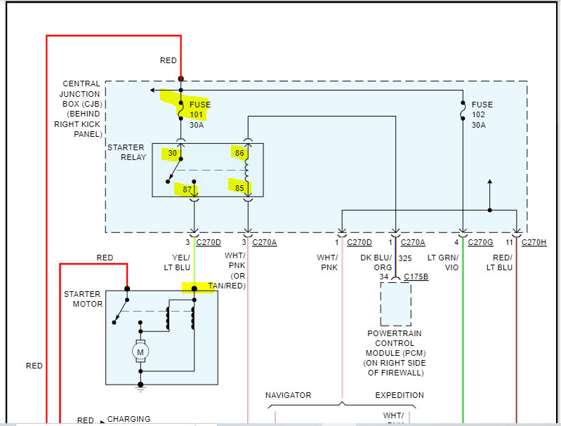
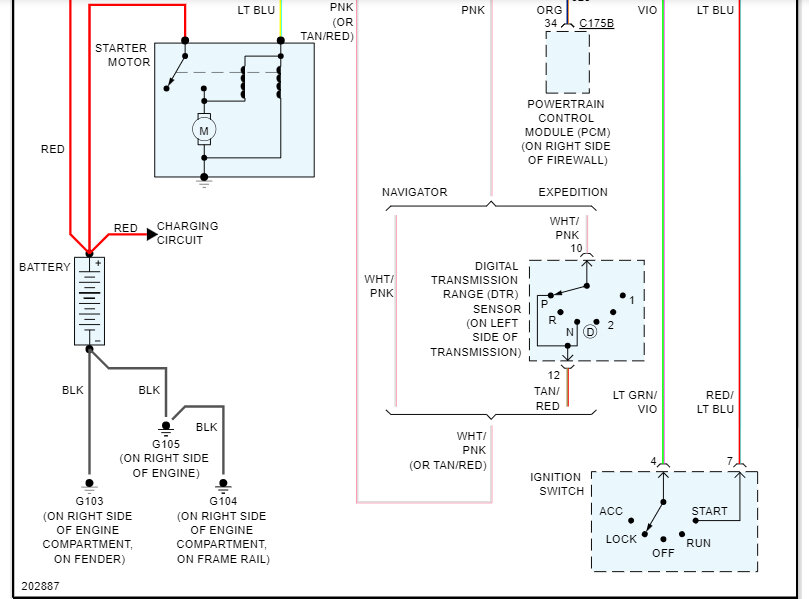
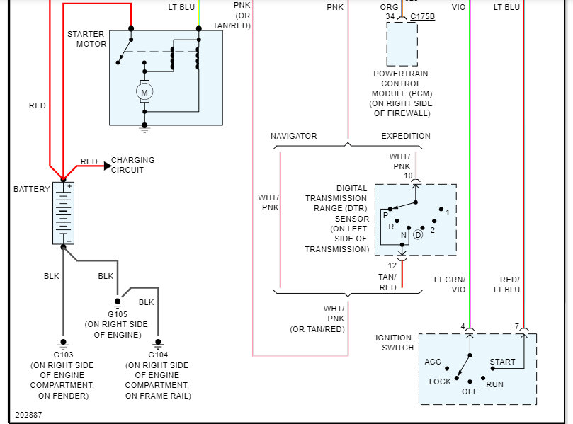
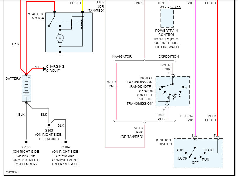
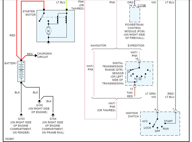
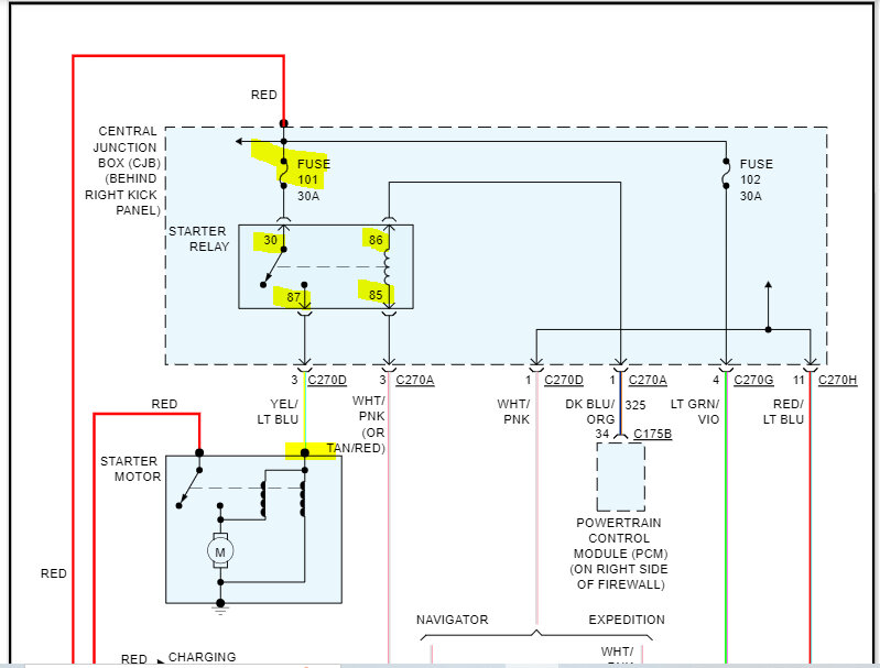
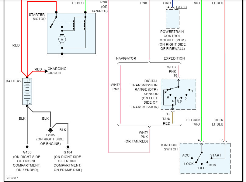
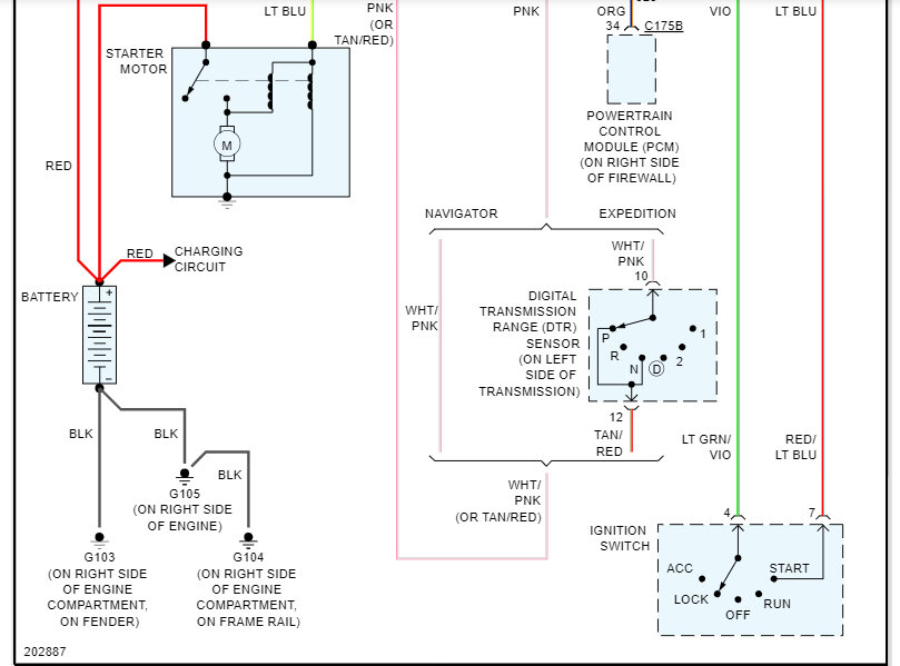
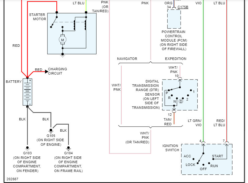
Are you sure the relay has power where it needs to be as well as a signal ground when you turn the key to the start position? Also, I attached the starting circuit wiring schematic below so that you have a reference.

If you haven't already, we need to recheck the relay. Note there are 4 pins on the relay. Each pin will be numbered on the relay itself.

Pin 85 should have power when the key is in the start position only. Confirm that first. Next, pin 30 should have power at all times. Confirm that.

Now, pin 87 is what sends power to the starter motor, so if the starter is good, it should engage if the relay is triggered. For it to trigger, the PCM has to provide a ground path via pin 86. So, to check for ground, take a test light and connect the alligator clip to the battery-positive terminal. Take the test lamp and probe connector pin 86 for a ground path when the key is in the start position. If there is a ground available, the test lamp should turn on.

Let me know what you find so I know where to go next. Note: If you haven't already, confirm the fuse has power to and from it.

https://www.2carpros.com/articles/how-to-check-a-car-fuse

Take care,

Joe

See pics below. Note: I had to cut the schematic in two so you could read it. I did overlap the two so you can follow from one to the next.
Was this
answer
helpful?
Yes
No
Wednesday, June 14th, 2023 AT 8:34 PM
Tiny
MWESTFALL1
  • MEMBER
  • 5 POSTS
This is beyond our expertise. We've thrown in the towel and will have the car towed to our Ford dealer to see if they can pinpoint the problem and get us on the road again.

Thank you so much for your research and advice!
Was this
answer
helpful?
Yes
No
Thursday, June 15th, 2023 AT 8:30 AM
Tiny
JACOBANDNICKOLAS
  • MECHANIC
  • 110,192 POSTS
Hi,

You are very welcome, but I don't feel like I helped. Honestly, it isn't hard to test. If you run into issues, I can help you through them. However, I understand if you are not comfortable.

Let me know if you change your mind. Also, feel free to come back anytime in the future if you have questions.

Take care,

Joe
Was this
answer
helpful?
Yes
No
Thursday, June 15th, 2023 AT 11:06 PM
Tiny
MWESTFALL1
  • MEMBER
  • 5 POSTS
Thank you very much. The car is at the Ford dealer; we'll see what they say.
Was this
answer
helpful?
Yes
No
Wednesday, June 21st, 2023 AT 12:53 PM
Tiny
JACOBANDNICKOLAS
  • MECHANIC
  • 110,192 POSTS
You are very welcome. Also, absolutely let me know what they say. I'm interested in knowing.

Take care,

Joe
Was this
answer
helpful?
Yes
No
Wednesday, June 21st, 2023 AT 11:16 PM
Tiny
MWESTFALL1
  • MEMBER
  • 5 POSTS
Will do!
Was this
answer
helpful?
Yes
No
Thursday, June 22nd, 2023 AT 8:40 AM

Please login or register to post a reply.