Where do the wirers coming off the starter go?

Tiny
DENISE VARNEY
  • MEMBER
  • 1995 TOYOTA 4RUNNER
  • V6
  • MANUAL
  • 1,234 MILES
I'm changing the starter on my truck and I don't know where the two wires on the starter go.
Thursday, December 10th, 2020 AT 12:21 PM

1 Reply

Tiny
KASEKENNY
  • MECHANIC
  • 18,907 POSTS
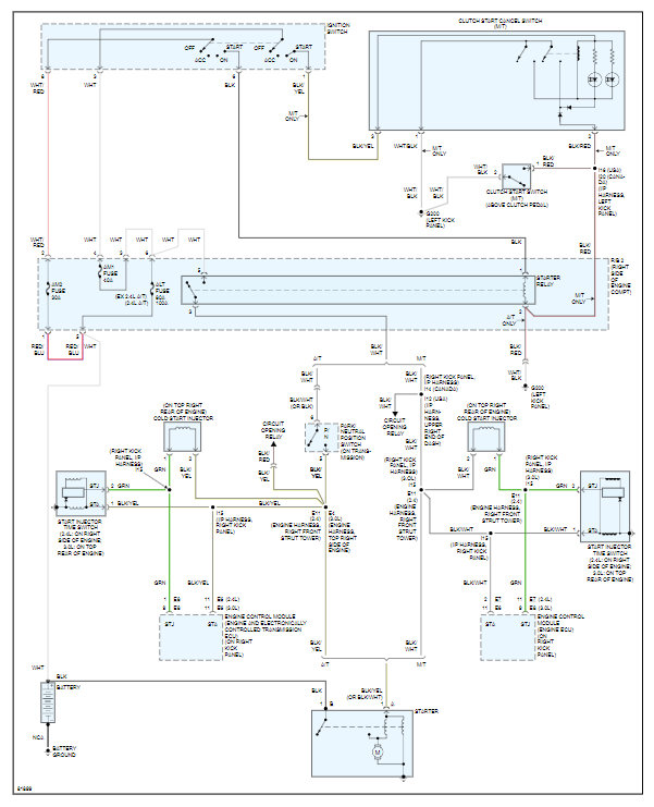
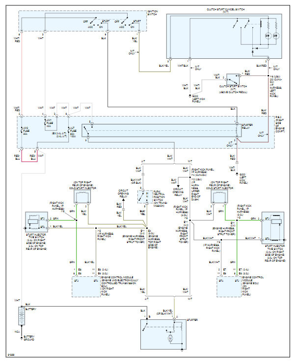
Looks like you have a black wire and then a black and yellow (could be a black and white wire). I am attaching the wiring diagram but the black wire is your battery wire and it connects to terminal B. The other terminal A. I attached a picture with labels of what your starter should look like.

Also, here is a guide that will help:

https://www.2carpros.com/articles/how-to-replace-a-starter-motor

Let me know if this is not matching what you are looking at and if not, get some pictures of the wiring and starter and we will figure it out. Thanks
Was this
answer
helpful?
Yes
No
Thursday, December 10th, 2020 AT 4:38 PM

Please login or register to post a reply.