What wires control rear defoggers that are behind the radio?

Tiny
SEED82
  • MEMBER
  • 2007 HONDA ACCORD
  • 2.4L
  • 4 CYL
  • 2WD
  • AUTOMATIC
  • 200,000 MILES
I bought a new radio, and it don't support the rear defogger so I need the colors for the 2 wires that controls the rear defogger so I can put in a tigger switch for it.
Tuesday, December 20th, 2022 AT 5:41 AM

1 Reply

Tiny
STEVE W.
  • MECHANIC
  • 15,616 POSTS
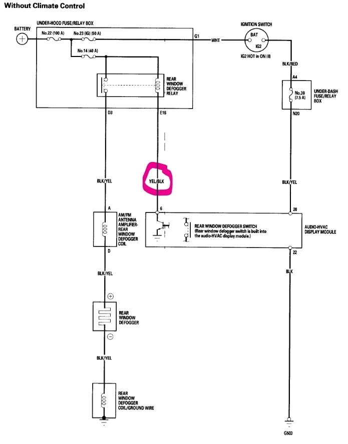
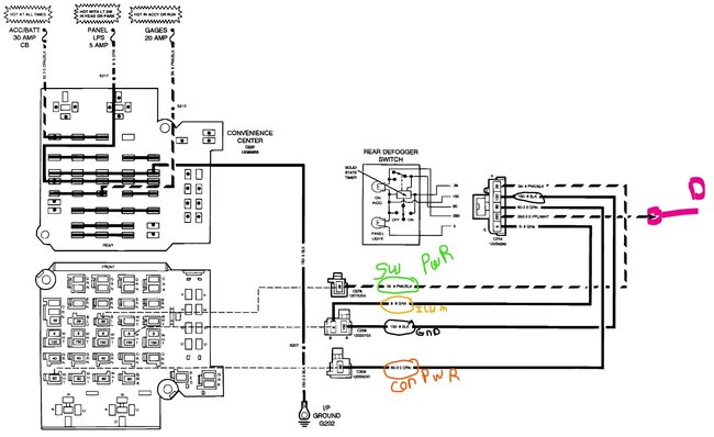
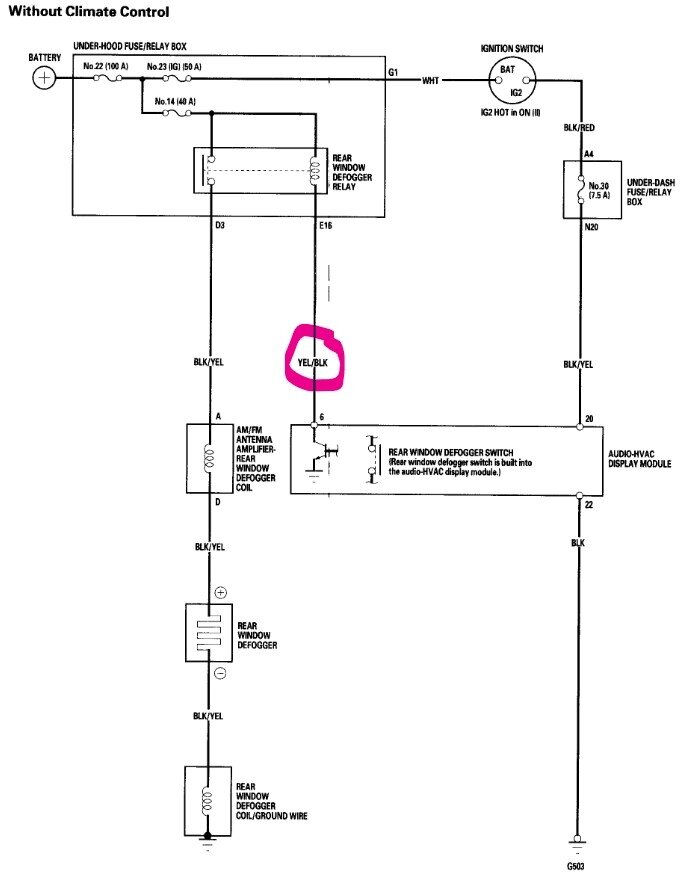
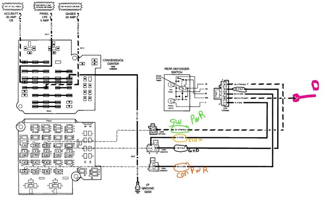
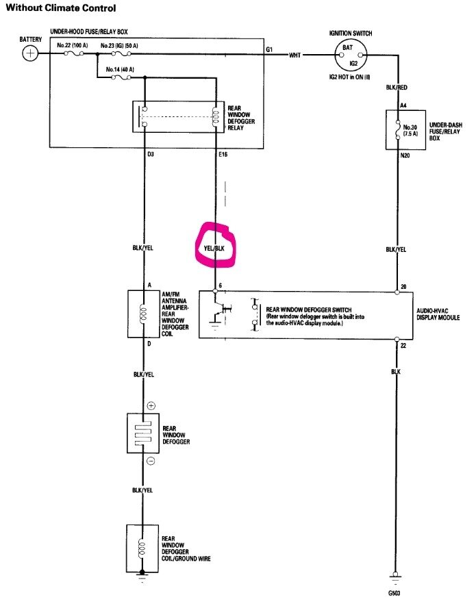
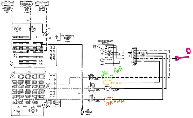
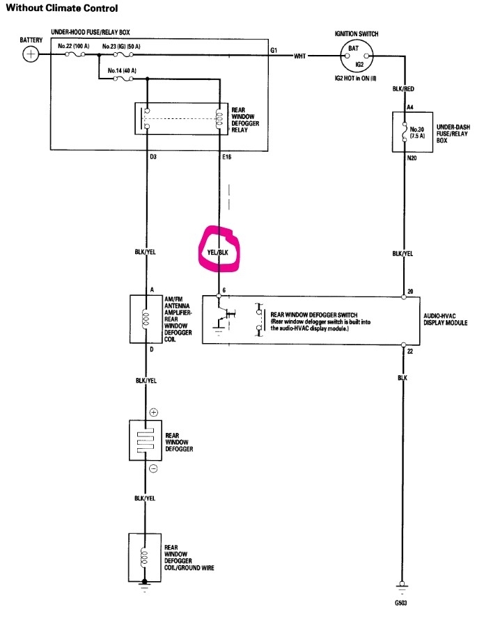
It looks like it would be a single wire Yellow with black stripe on pin 8. It gets grounded to turn the relay on for the defrost. The issue then is that the radio control switch does more than just turn it on. It also controls how long it is on and ensures it turns off with the key.
The wire that grounds the relay does nothing like that, if it is turned on it stays on and doesn't turn off unless you turn the switch off. To make it work like the OE system you would need to add a timer relay from a different vehicle so that you would push the button and that timer relay would turn it on and off. GM and others used timer switches for this, the GM part is #15646349 If you use that switch you would need to use more of the wiring in the car as you would pretty much bypass the cars systems and only use switched power, ground, constant power and the dash light feed with the replacement switch to control the defrost grid. The attached are the wiring diagrams. I added some color to the GM one just to show which connections. There were others that used timer switches and relays but the GM one is a bit easier to use.
Was this
answer
helpful?
Yes
No
Tuesday, December 20th, 2022 AT 9:34 AM

Please login or register to post a reply.