Heater core replacement

Tiny
COREY H JENKINS
  • MEMBER
  • 1996 CHEVROLET TAHOE
  • 5.7L
  • V8
  • 4WD
  • AUTOMATIC
  • 253,000 MILES
Got the Chilton book and a heater core to put in Tahoe. The cover says it includes Tahoe. When I go to the section on replacing heater core, it only shows for a R/V and C/K series.
The Tahoe has a 1500 decal on side door.
How can I tell what my truck is?
Sunday, September 3rd, 2017 AT 8:44 AM

2 Replies

Tiny
JDL
  • MECHANIC
  • 16,098 POSTS
Well, check both procedures, they may be the same? I always thought the R/V stood for recreational vehicle? C1500 pickup is a two wheel drive. K1500 vehicle is four wheel drive. Just my opinion.
Was this
answer
helpful?
Yes
No
+1
Sunday, September 3rd, 2017 AT 11:20 AM
Tiny
STEVE W.
  • MECHANIC
  • 15,647 POSTS
R= C-2WD V= K-4WD They used those letters to make it easier to tell the full sized 1986-1991 Blazers and Suburbans from the small S/T Blazers.
Then they named the full sizes to Tahoe and the small ones became Blazer.

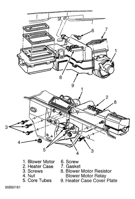
The 1996 Tahoe core is not as bad as some.

Disconnect negative battery cable.
Remove glove box.
Remove center floor duct.
Remove Electronic Control Module (ECM) and tray.
Remove kick panel.
Remove blower motor cover and
blower motor.

Remove steering column. Tilt dash panel back. Remove coolant recovery reservoir. Drain engine coolant.
Disconnect heater hoses at core.
Remove heater case.
Remove heater case cover plate.

Remove screws and bracket attaching core to case. See Fig 1.
Remove heater core.
To install, reverse removal procedure. Fill cooling system. Start engine and check for leaks.
Was this
answer
helpful?
Yes
No
Tuesday, September 5th, 2017 AT 9:34 AM

Please login or register to post a reply.

Related General Content