Easiest way to remove a drive belt and power steering belt

Tiny
COOLOLDS85
  • MEMBER
  • 2010 CHEVROLET AVEO
  • 1.6L
  • 4 CYL
  • 2WD
  • AUTOMATIC
  • 73,000 MILES
It’s driving me crazy. What is the easiest way to remove a drive belt and power steering belt on this vehicle? I cannot seem to get to the tensioner under the hood. I cannot reach the tensioner to loosen belt. Also does the power steering belt have a tensioner? What’s the easiest technique if you don’t have a lift?
Thursday, July 30th, 2020 AT 7:41 PM

11 Replies

Tiny
JACOBANDNICKOLAS
  • MECHANIC
  • 110,192 POSTS
Hi,

You have to remove the front wheel and inner fender to access it. Here are the directions. The attached pics correlate with the directions. The second set of directions are for the PS pump. You are going to either laugh when you see them or be really frustrated. You have to remove the headlamp assembly and the air box assembly. There is no tensioner. Take a look at the directions and let me know if you have questions.

_______________________________

2010 Chevrolet Aveo L4-1.6L
Drive Belt Replacement
Vehicle Engine, Cooling and Exhaust Engine Drive Belts, Mounts, Brackets and Accessories Drive Belt Service and Repair Removal and Replacement Drive Belt Replacement
DRIVE BELT REPLACEMENT
Drive Belt Replacement

Removal Procedure

pic 1

Note: To remove the power steering pump belt, do remove the accessory belt in advance.

1. Rotate the tensioner star-nut (1) and remove the accessory belt.
2. Remove the power steering belt. Refer to Refer to Power Steering Pump Belt Replacement (See: Drive Belt > Removal and Replacement > Power Steering Pump Belt Replacement).

Installation Procedure

pic 2

1. Install the power steering belt. Refer to Power Steering Pump Belt Replacement (See: Drive Belt > Removal and Replacement > Power Steering Pump Belt Replacement).
2. Rotate the tensioner star-nut (1) and install the accessory belt.
3. Install the engine front shield at the position of right front wheel.

________________________________________

Power Steering

2010 Chevrolet Aveo L4-1.6L
Power Steering Pump Belt Replacement
Vehicle Engine, Cooling and Exhaust Engine Drive Belts, Mounts, Brackets and Accessories Drive Belt Service and Repair Removal and Replacement Power Steering Pump Belt Replacement
POWER STEERING PUMP BELT REPLACEMENT
Power Steering Pump Belt Replacement

Removal Procedure

1. Remove the engine accessory drive belt. Refer to Drive Belt Replacement (See: Drive Belt > Removal and Replacement > Drive Belt Replacement).

Pic 3

2. Remove the RH headlamp assembly. Refer to Headlamp Replacement (Notchback) (See: Headlamp > Removal and Replacement > Headlamp Replacement (Notchback))Headlamp Replacement (Hatchback) (See: Headlamp > Removal and Replacement > Headlamp Replacement (Hatchback)).
3. Remove the air cleaner assembly. Refer to Air Cleaner Assembly Replacement (See: Air Cleaner Housing > Removal and Replacement).
4. Place a long bar (1) in the opening between engine and pump drive belt.

Note: This will provide a guide function for the drive belt removal.

5. Using the bar (1) push the drive belt (2) into the opposite side of engine.

Pic 4

Note: Outside surface of the belt should face toward the engine.

6. Rotate the pulley using 3/8 inch hex bit socket (1) in the power steering pump pulley shaft hole.
7. Rotate the power steering pump pulley clockwise while pushing the drive belt until the belt is fully removed from the pulley.

Installation Procedure

pic 5

1. Route the power steering pump drive belt (1).
2. Align the drive belt on the water pump pulley first.
3. Position one of the three pulley holes on top point.

Pic 6

4. Through the pulley hole tie the driver belt to the pump pulley using a cable tie (1).

Note: This will provide a guide function for the drive belt (2) installation.

5. Rotate the pulley using 3/8 inch hex bit socket (3) in the power steering pump pulley shaft hole.
6. Rotate the power steering pump pulley clockwise until the belt is fully installed on the pulley.
7. Remove the rope or cable tie.
8. Inspect for correct belt installation.
9. Install the air cleaner assembly. Refer to Air Cleaner Assembly Replacement (See: Air Cleaner Housing > Removal and Replacement).
10. Install the RH headlamp assembly. Refer to Headlamp Replacement (Notchback) (See: Headlamp > Removal and Replacement > Headlamp Replacement (Notchback))Headlamp Replacement (Hatchback) (See: Headlamp > Removal and Replacement > Headlamp Replacement (Hatchback)).
11. Install the engine accessory belt. Refer to Drive Belt Replacement (See: Drive Belt > Removal and Replacement > Drive Belt Replacement).

________________________________

Let me know if this helps or if you have other questions.

Take care,
Joe
Was this
answer
helpful?
Yes
No
Thursday, July 30th, 2020 AT 7:55 PM
Tiny
COOLOLDS85
  • MEMBER
  • 173 POSTS
  • 2010 CHEVROLET AVEO
  • 1.6L
  • 4 CYL
  • 2WD
  • AUTOMATIC
  • 69,000 MILES
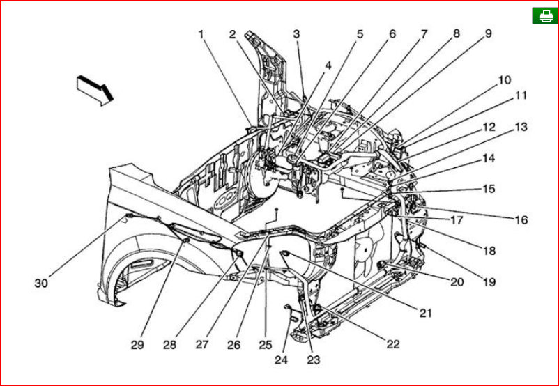
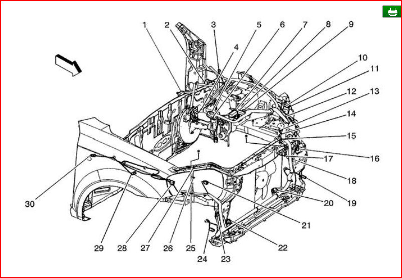
Engine compartment components diagram of all where all the components are located at in the engine compartment and drive belt routing diagram with all accessories driven by the belt.
Was this
answer
helpful?
Yes
No
Saturday, March 13th, 2021 AT 12:22 PM (Merged)
Tiny
DANNY L
  • MECHANIC
  • 5,648 POSTS
Hello, I am Danny.

Just a quick question. What components are you looking for to be located in the engine compartment? I have attached a picture of the serpentine belt diagram and a tutorial showing how to replace it. Hope this helps and feel free to ask any questions if needed. Thanks for using 2CarPros.
Danny-

https://www.2carpros.com/articles/replace-serpentine-belt
Was this
answer
helpful?
Yes
No
Saturday, March 13th, 2021 AT 12:22 PM (Merged)
Tiny
COOLOLDS85
  • MEMBER
  • 173 POSTS
I want to know where all of the sensors are located at.
Was this
answer
helpful?
Yes
No
+1
Saturday, March 13th, 2021 AT 12:22 PM (Merged)
Tiny
DANNY L
  • MECHANIC
  • 5,648 POSTS
Hello again.

Okay, I have attached pictures of the sensors and their location. Hope this helps. Feel free to ask questions if needed.
Danny-
Was this
answer
helpful?
Yes
No
Saturday, March 13th, 2021 AT 12:22 PM (Merged)
Tiny
COOLOLDS85
  • MEMBER
  • 173 POSTS
Do you think you can post a larger photo of the last two so I can see it more closely? If that is okay?
Was this
answer
helpful?
Yes
No
Saturday, March 13th, 2021 AT 12:22 PM (Merged)
Tiny
DANNY L
  • MECHANIC
  • 5,648 POSTS
Hello again.

Okay, here you go. Thanks again for using 2CarPros.
Danny-
Was this
answer
helpful?
Yes
No
Saturday, March 13th, 2021 AT 12:22 PM (Merged)
Tiny
COOLOLDS85
  • MEMBER
  • 173 POSTS
Thanks Danny that is perfect.
Was this
answer
helpful?
Yes
No
Saturday, March 13th, 2021 AT 12:22 PM (Merged)
Tiny
DANNY L
  • MECHANIC
  • 5,648 POSTS
You are welcome!

Thanks again for using 2CarPros.

Danny-
Was this
answer
helpful?
Yes
No
Saturday, March 13th, 2021 AT 12:22 PM (Merged)
Tiny
ANNA HEAVNER
  • MEMBER
  • 1 POST
  • 2009 CHEVROLET AVEO
  • 1.6L
  • 4 CYL
  • 2WD
  • 83,000 MILES
My car is running but the serpentine belt is not turning and the A/C compressor went out. It is overheating.
Was this
answer
helpful?
Yes
No
Saturday, March 13th, 2021 AT 12:22 PM (Merged)
Tiny
MIKE H R
  • MECHANIC
  • 3,094 POSTS
If serpentine belt is not turning then everything else is not turning including your water pump. Need to find out why the belt is not turning, may be a seized up bearing or the A/C compressor may be seized up. First have to find out why the belt is not turning, check the tension-er for the belt.
Was this
answer
helpful?
Yes
No
Saturday, March 13th, 2021 AT 12:22 PM (Merged)

Please login or register to post a reply.