Code PO715

Tiny
TOMMY43
  • MEMBER
  • 2000 MERCEDES BENZ 430E
  • AUTOMATIC
  • 207,000 MILES
What is po715 code? Where the input speed sensor located at?
Friday, September 15th, 2017 AT 6:39 AM

1 Reply

Tiny
KEN L
  • MASTER CERTIFIED MECHANIC
  • 55,244 POSTS
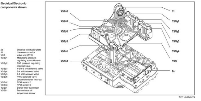
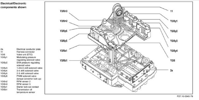
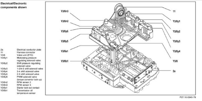
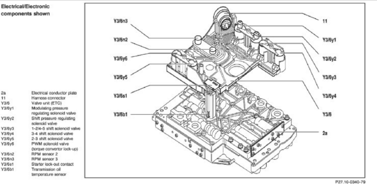
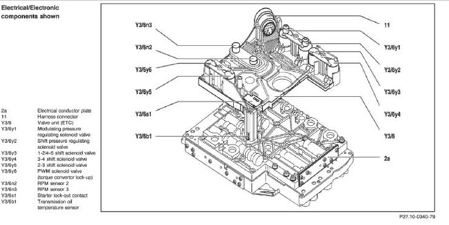
It looks like it is inside the transmission on the valve body, here is a guide that will give you an idea of what you must do to get at the sensor.

https://www.2carpros.com/articles/how-to-service-an-automatic-transmission

Here are some diagrams of its location in your car, (below)

They call it an RPM sensor.

Please let us know what you find.

Cheers, Ken
Was this
answer
helpful?
Yes
No
+3
Saturday, September 16th, 2017 AT 7:22 PM

Please login or register to post a reply.