What fuse and location for rear turning signal?

Tiny
CINDY CARPENTER
  • MEMBER
  • 2013 BUICK REGAL
  • TURBO
  • AUTOMATIC
  • 196,664 MILES
My turning signal is out?
Saturday, October 26th, 2024 AT 8:02 AM

1 Reply

Tiny
KEN L
  • MASTER CERTIFIED MECHANIC
  • 55,499 POSTS
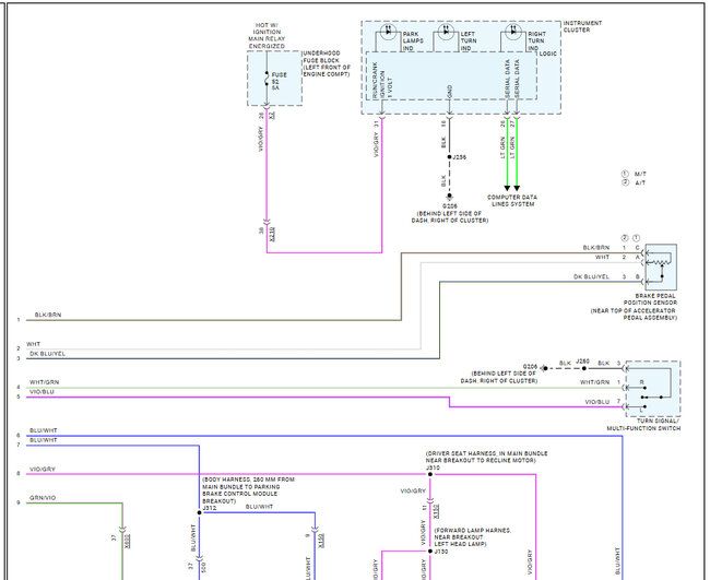
Sure it is fuse #2 in the fuse panel on the left lower side of the dash which I have included the location for in the images below.

https://www.2carpros.com/articles/how-to-check-a-car-fuse

Here are the turn signal wiring diagrams so you can see that the BCM handles the lighting distribution for the car which might be bad. Can I ask if any of the turn signals are working or lighting up at all? Please test the fuse with the ignition system on. Check out the images (below). Let us know what you find.

Was this
answer
helpful?
Yes
No
Sunday, October 27th, 2024 AT 1:03 PM

Please login or register to post a reply.