Wednesday, May 26th, 2021 AT 6:44 AM
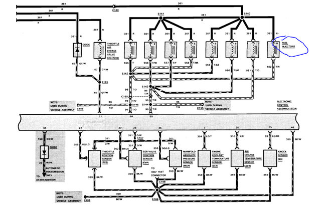
It will not start and it has good fuel pressure and is getting good firing. I squirt a little fuel into the throttle body and it starts. That's the only way I can get it to run. When I quit squirting the fuel in it shuts off.



