Saturday, July 9th, 2022 AT 11:17 AM
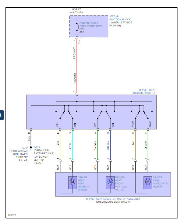
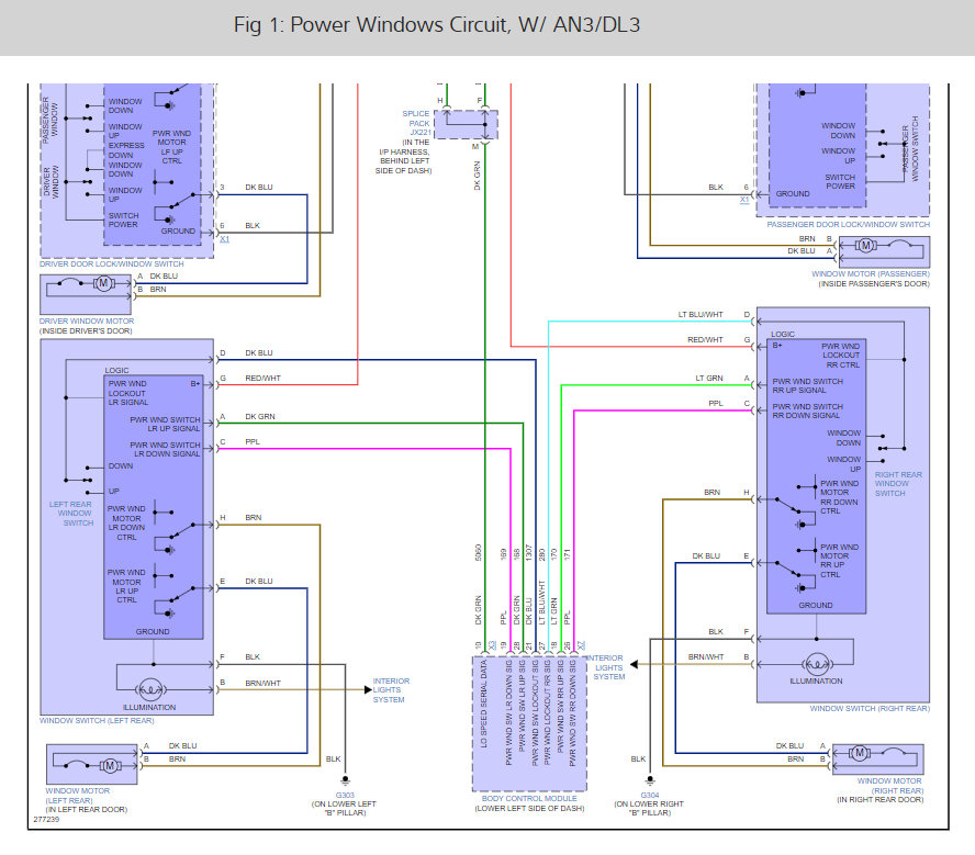
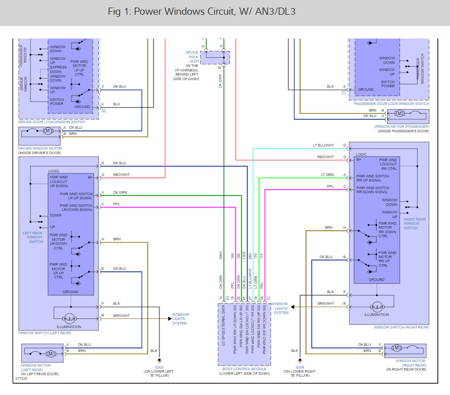
2008 chevy silverado 2500 hd. At the same time my driver's side and passenger side seats stopped working also at the same time. I can't get my passengers windows up front and back. I've checked all fuses and breakers under the dash. Pulled all four out and checked. I hear clicking but nothing moves. Have no clue what else to do any help would be great. Thank you






