Cruise control is not working?

Tiny
GARY MELTON
  • MEMBER
  • 2005 CHEVROLET AVALANCHE
  • 0.6L
  • V8
  • 4WD
  • AUTOMATIC
  • 140,000 MILES
What and where are the four fuses that are located for the cruise control?
Monday, October 10th, 2022 AT 3:07 PM

1 Reply

Tiny
JACOBANDNICKOLAS
  • MECHANIC
  • 110,194 POSTS
Hi,

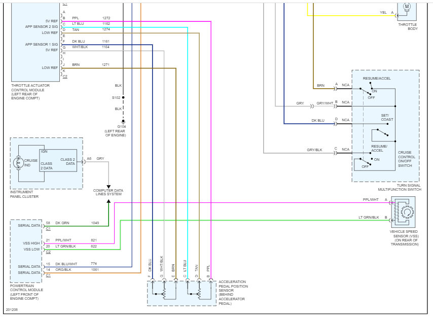
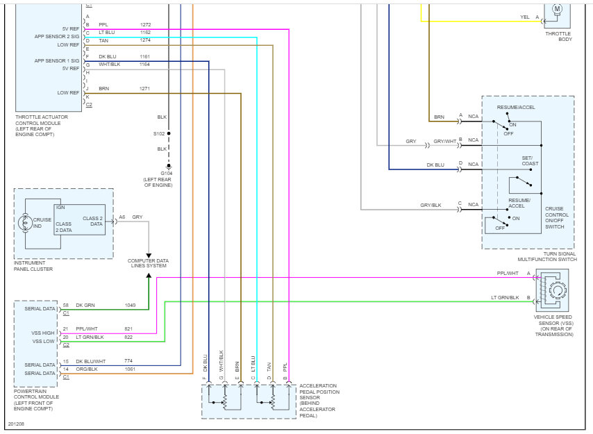
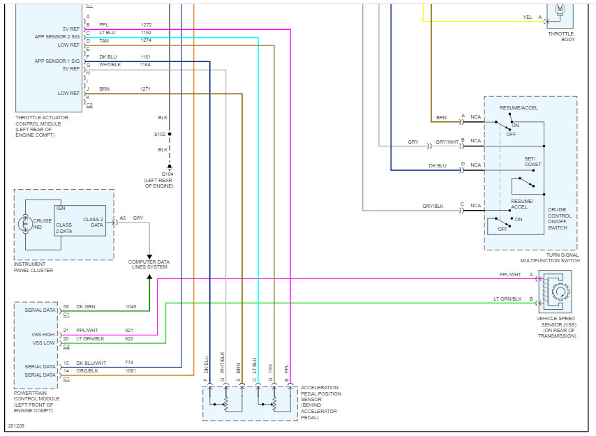
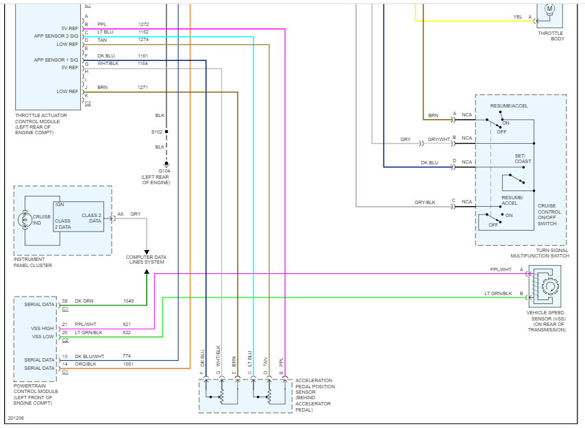
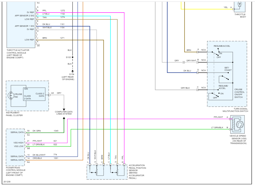
I attached the entire wiring schematic for the cruise control below. There are four fuses identified at the top of the first pic. However, there is only one identified as cruise control. The others are part of the circuit, so yes, they need to be checked.

When you check them, in addition to checking the fuse, make sure there is power to and from them.

Here is a link you may find helpful:

https://www.2carpros.com/articles/how-to-check-a-car-fuse

Let me know if this helps.

Take care,

Joe

See pics below. Note: The schematic was cut in half to make it readable for you. I did overlap them so you can follow from one to the next.
Was this
answer
helpful?
Yes
No
Monday, October 10th, 2022 AT 8:35 PM

Please login or register to post a reply.