Fuel pump switch location

Tiny
LOWRY
  • MEMBER
  • 2000 HONDA HRV
  • 1.6L
  • 4 CYL
  • 4WD
  • MANUAL
  • 120,000 MILES
Crashed, engine will not start. Fuel pump is not making any sound. If it does not have switch then were should I start?
Tuesday, December 18th, 2018 AT 12:57 PM

5 Replies

Tiny
STEVE W.
  • MECHANIC
  • 15,622 POSTS
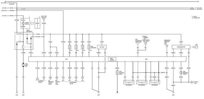
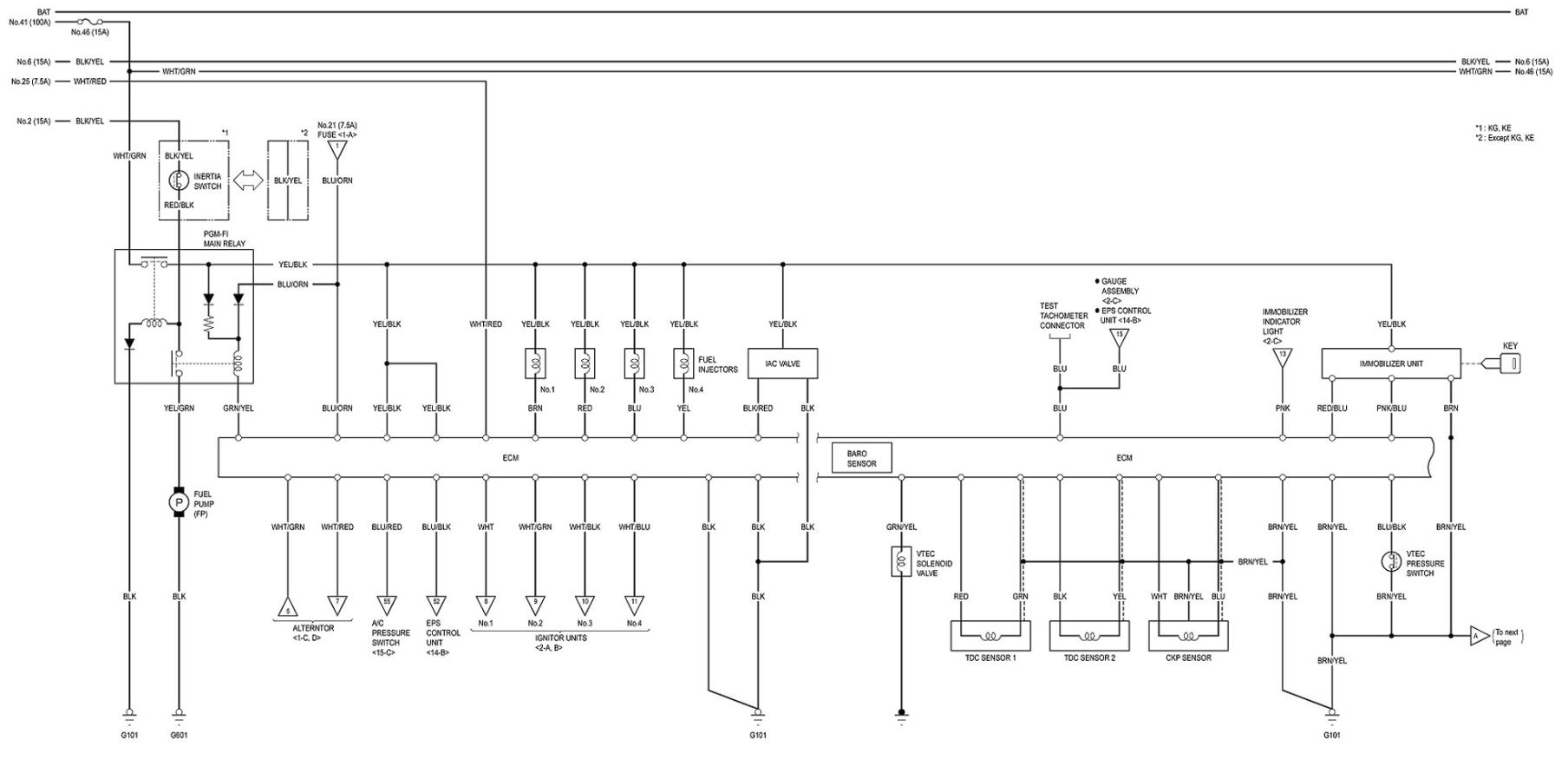
Looking at the wiring it shows an inertia switch for the fuel pump. The actual location is sort of vague but it looks like it is behind the center of the dash.
Was this
answer
helpful?
Yes
No
Wednesday, December 19th, 2018 AT 3:23 PM
Tiny
LOWRY
  • MEMBER
  • 3 POSTS
Problem solved! Thanks.
Was this
answer
helpful?
Yes
No
Wednesday, December 19th, 2018 AT 3:37 PM
Tiny
STEVE W.
  • MECHANIC
  • 15,622 POSTS
Was it the switch or?
Was this
answer
helpful?
Yes
No
Wednesday, December 19th, 2018 AT 5:09 PM
Tiny
LOWRY
  • MEMBER
  • 3 POSTS
Open glove box or just take it away. And behind console there is bigger black button. Clicks in and pump works.
Was this
answer
helpful?
Yes
No
Thursday, December 20th, 2018 AT 3:31 AM
Tiny
STEVE W.
  • MECHANIC
  • 15,622 POSTS
Thanks for the reply. The book is sort of vague on the location.
Was this
answer
helpful?
Yes
No
Thursday, December 20th, 2018 AT 11:11 AM

Please login or register to post a reply.