Water leaking inside my car

Tiny
LOU20
  • MEMBER
  • 2008 KIA RIO
  • 100,000 MILES
I have water leaking inside my car on the passenger side. It's coming from under the glove box.
Thursday, May 28th, 2020 AT 3:36 PM

3 Replies

Tiny
DANNY L
  • MECHANIC
  • 5,648 POSTS
Hello, I'm Danny.

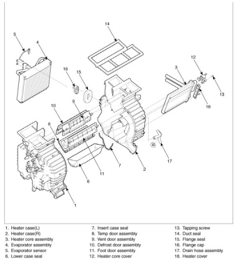
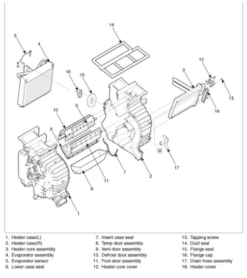
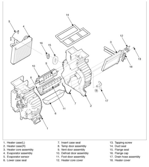
That sounds like you heater core located in the HVAC box is leaking.Here is a tutorial showing how to replace a heater core:

https://www.2carpros.com/articles/replace-heater-core

I've attached picture steps below on how to remove the HVAC box in your car. Hope this helps and thanks for using 2CarPros.

Was this
answer
helpful?
Yes
No
Thursday, May 28th, 2020 AT 5:27 PM
Tiny
LOU20
  • MEMBER
  • 83 POSTS
Is the heater core expensive to get fix?
Was this
answer
helpful?
Yes
No
Thursday, May 28th, 2020 AT 8:08 PM
Tiny
DANNY L
  • MECHANIC
  • 5,648 POSTS
Hello again.

Heater cores are a common part to be replaced due to leakage. The shop book calls for 4 hours of labor. Depending on your area most shop labor rates are around $100.00 an hour. Dealerships like Kia while charge more for parts and labor. Kia dealer part is $278.00 as opposed to AutoZone auto parts stores that want $100.00. It just really depends to what kind of shop you take it to. Hope this helps and thanks again for using 2CarPros.

Danny-
Was this
answer
helpful?
Yes
No
Thursday, May 28th, 2020 AT 8:27 PM

Please login or register to post a reply.