Water in gas tank

Tiny
DAWN GROSINSKY
  • MEMBER
  • 2004 GMC YUKON
  • 118,000 MILES
I jump started my car and let it sit running, it shut off and wont start. I think there is a lot of water in my gas tank, but I had already had it started and idling. What do I do?
Tuesday, December 22nd, 2020 AT 2:36 AM

1 Reply

Tiny
ASEMASTER6371
  • MECHANIC
  • 52,796 POSTS
Good morning,

If you have water in the tank, the tank needs to come down and the flushed out of all the water.

https://www.2carpros.com/articles/how-to-replace-an-electric-fuel-pump

The fuel filter needs to be replaced as well.

https://www.2carpros.com/articles/how-to-change-a-fuel-filter

How did the water get into the tank?

Roy

FUEL TANK REPLACEMENT (DUAL TANKS - FRONT)

REMOVAL PROCEDURE

IMPORTANT: Clean all fuel and evaporative emission (EVAP) line connections and surrounding areas prior to disconnecting the lines in order to avoid possible fuel and/or EVAP system contamination.

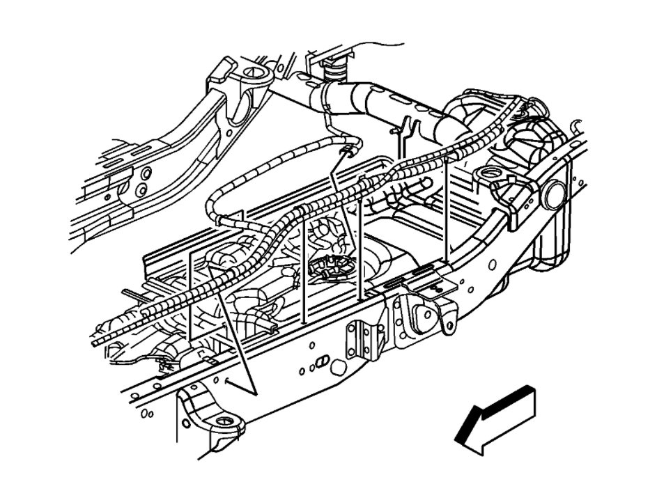
imageOpen In New TabZoom/Print

1. Relieve the fuel system pressure. Refer to the Fuel Pressure Relief Procedure.
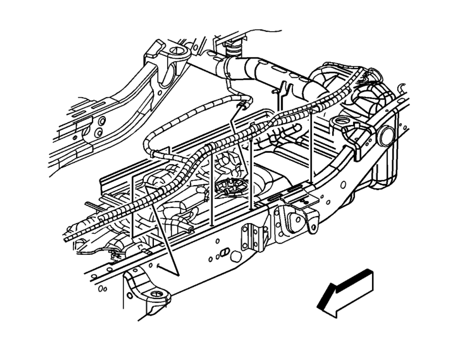
2. Drain the fuel tank. Refer to Fuel Tank Draining Procedure (Single Tank) Fuel Tank Draining Procedure (5.3L (L59) Engine) Fuel Tank Draining Procedure (Dual Tanks - Front) Fuel Tank Draining Procedure (Dual Tanks - Rear).
3. Disconnect the evaporative emission (EVAP) vent line from the fuel tank line.

imageOpen In New TabZoom/Print

4. Disconnect the vapor line (1) from the fuel tank.

imageOpen In New TabZoom/Print

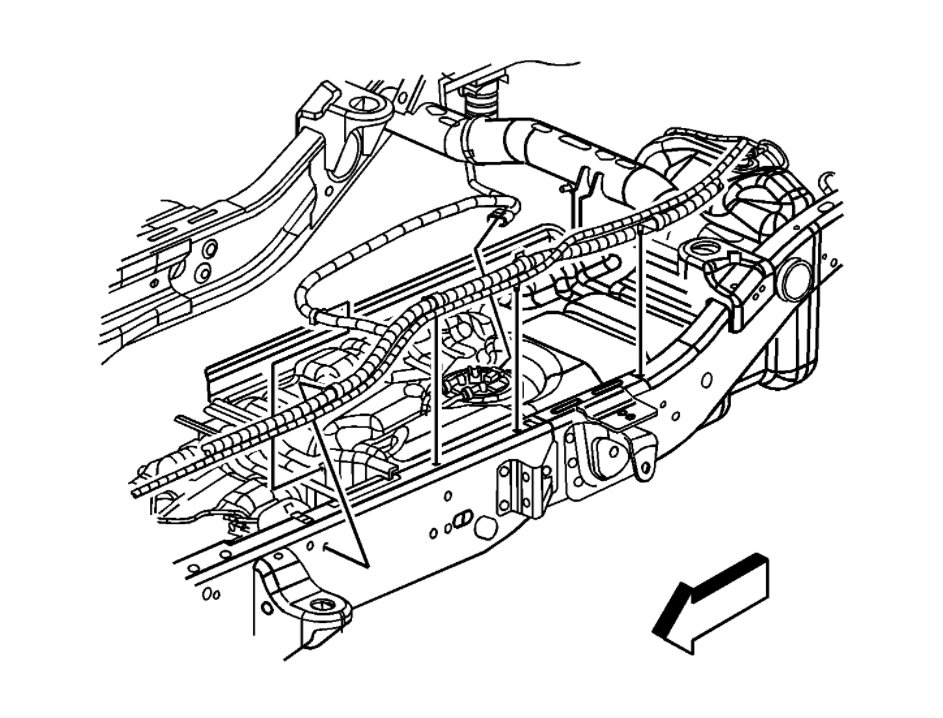
5. Disconnect the fuel feed and EVAP lines from the fuel tank.

imageOpen In New TabZoom/Print

6. Open the clip on the side of the fuel tank retaining the intermediate lines.
7. Disconnect the fuel and EVAP intermediate lines from the front tank.
8. Cap the fuel and EVAP lines in order to prevent possible fuel/EVAP system contamination.

imageOpen In New TabZoom/Print

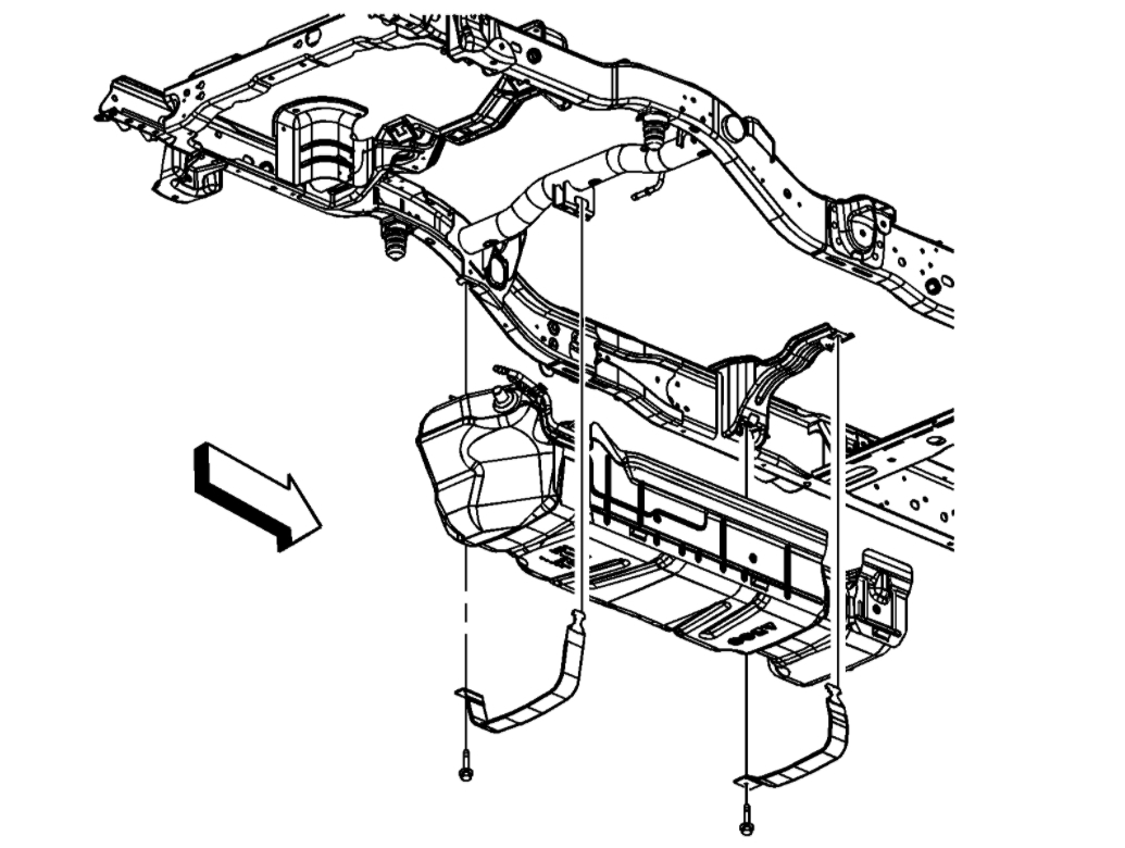
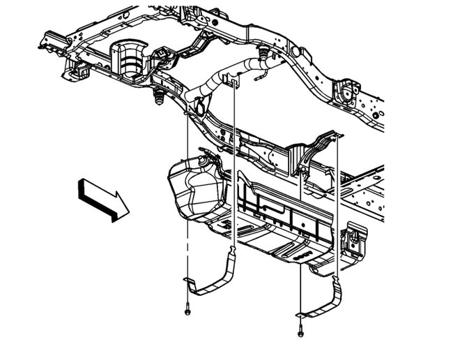
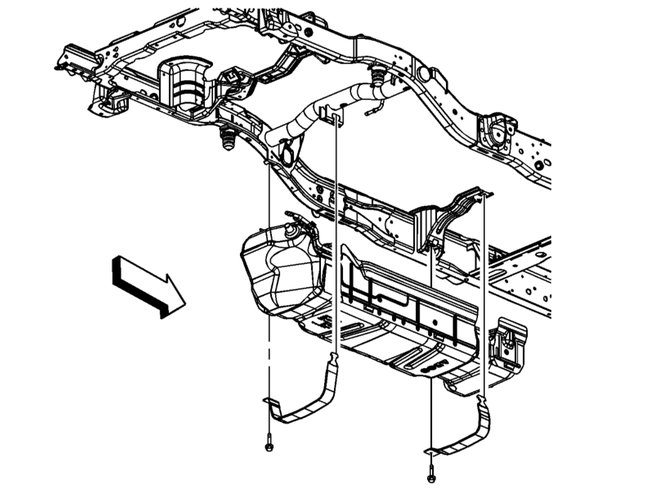
9. If equipped, remove the fuel tank shield bolts.
10. If equipped, remove the fuel tank shield.

imageOpen In New TabZoom/Print

11. Using an adjustable jack, support the fuel tank.

NOTE: Refer to Damage to Fuel Tank Straps Notice in Service Precautions.

12. Remove the fuel tank strap bolts.
13. Remove the fuel tank straps.
14. With the aid of an assistant, carefully lower the fuel tank until the sending unit is accessible.

imageOpen In New TabZoom/Print

15. Disengage the connector position assurance (CPA) retainer.
16. Disconnect the sending unit electrical connector.
17. Completely lower the fuel tank.
18. Place the fuel tank in a suitable work area.
19. If necessary, remove the sending unit.
Was this
answer
helpful?
Yes
No
Tuesday, December 22nd, 2020 AT 3:33 AM

Please login or register to post a reply.