Was running, getting fuel, but no start

Tiny
CHRISTOPHER SHANE BRIAN
  • MEMBER
  • 1997 GEO PRIZM
  • 1.6L
  • 4 CYL
  • 2WD
  • AUTOMATIC
  • 195,001 MILES
I thought it was my fuel pump and or relay, but I now have fuel, but engine will not start.
Wednesday, October 23rd, 2019 AT 1:06 PM

15 Replies

Tiny
KASEKENNY
  • MECHANIC
  • 18,907 POSTS
Hi,

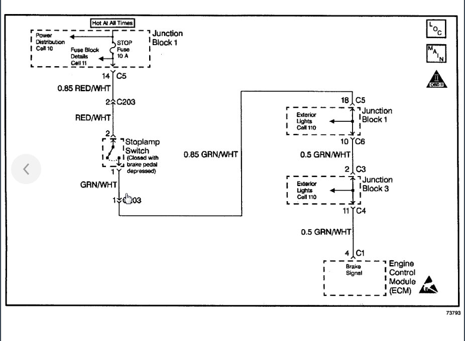
If it won't start then you either don't have spark, fuel, or compression. Unless something happened that you didn't mention that caused a loss of compression or change in timing, we can assume that is okay.

As for fuel, how do you know you are getting fuel? If you are getting fuel and have been cranking the engine, this could be as simple as fouled spark plugs.

If you have been cranking this and getting fuel, I would go ahead and change the plugs and retest it. As you are installing the new plugs, hook one to the plug wire and hold it against the block to see if you are getting spark. If you are not getting spark we can dig into that.

Here is a guide that runs through the basics of what we will look at. The first thing will be the crank sensor that we look at but we can get to that once we do this stuff first. Let me know and we can go from there. Thanks

https://www.2carpros.com/articles/car-cranks-but-wont-start

https://www.2carpros.com/articles/symptoms-of-a-bad-crankshaft-sensor
Was this
answer
helpful?
Yes
No
Wednesday, October 23rd, 2019 AT 7:06 PM
Tiny
CHRISTOPHER SHANE BRIAN
  • MEMBER
  • 11 POSTS
Pulled the 1 plug and did as stated, no fire.
Was this
answer
helpful?
Yes
No
Wednesday, October 23rd, 2019 AT 7:21 PM
Tiny
KASEKENNY
  • MECHANIC
  • 18,907 POSTS
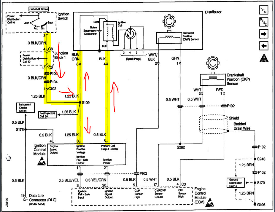
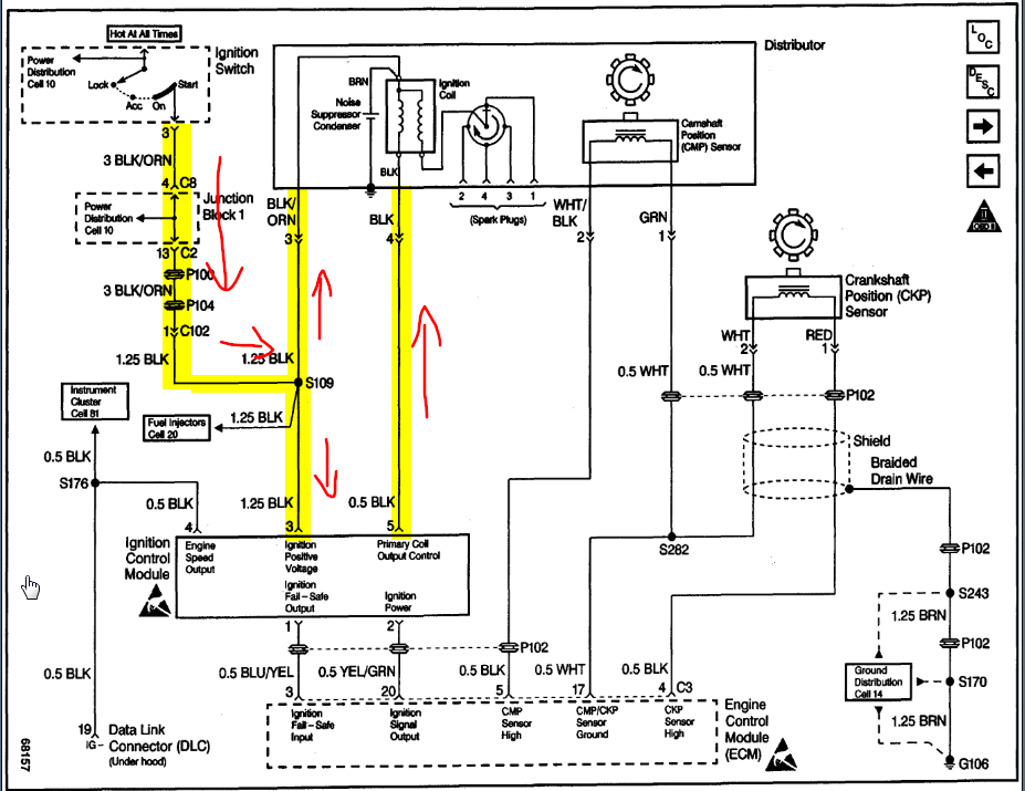
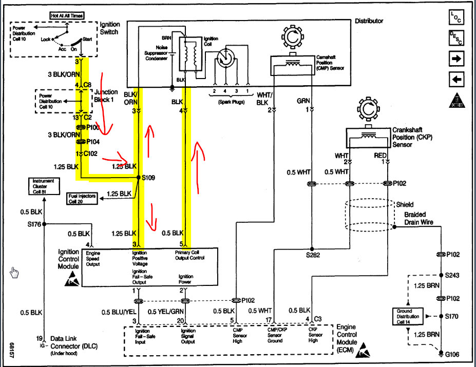
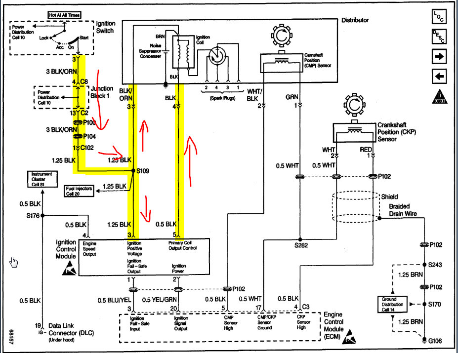
Okay great. So we need to trace the ignition system and see if we have power where we should to determine where we are loosing voltage.

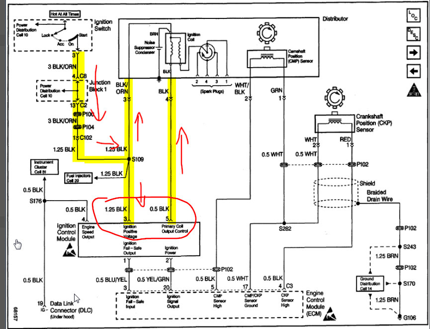
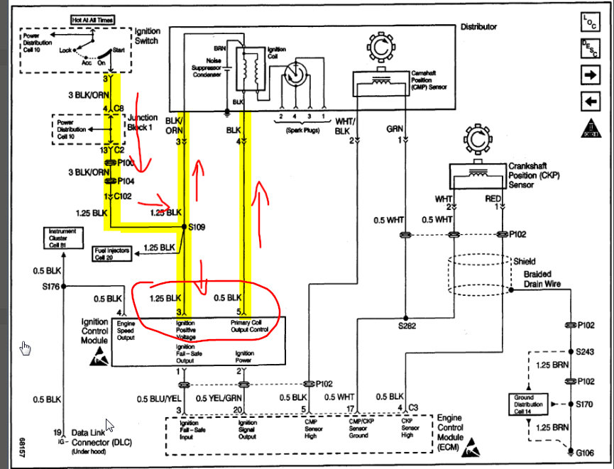
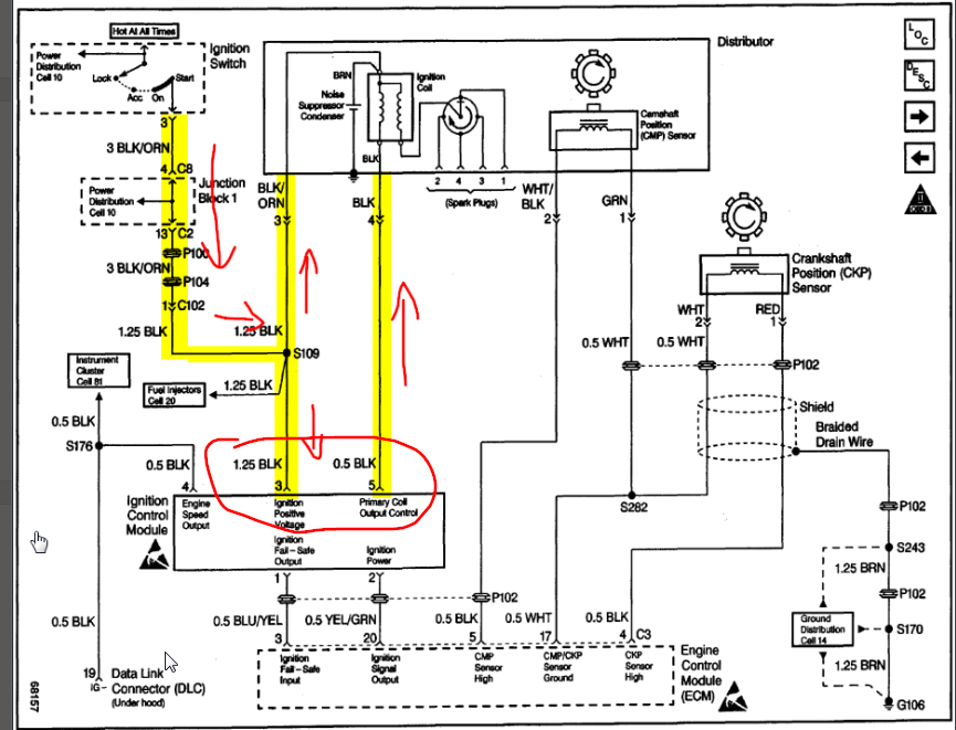
I attached the description so we can follow the voltage through the system. Plus the wiring diagram and I traced the path to see where we don't have power.

Looking at the wiring diagram, when you turn the key, it sends signal to the ignition control module, which sends voltage to the coil on the primary coil circuit. The coil then turns this into high voltage on the secondary side and sends it to the spark plugs. Do we have voltage on the primary side of the coil when cranking? If we do then the control module, ECM, and CKP sensor are all okay.

If we don't then we need to suspect the crank sensor, ECM, or ignition control module.

If we do have power on the primary side of the coil then it is either the igniter or the distributor is the issue.

Let me know what you find with this and we can go from there. Thanks
Was this
answer
helpful?
Yes
No
Wednesday, October 23rd, 2019 AT 7:44 PM
Tiny
CHRISTOPHER SHANE BRIAN
  • MEMBER
  • 11 POSTS
Sorry for the delay. I am kinda ashamed but Is the coil on the firewall or inside the distributor? And I need information on checking for spark. Such as; where, with what, etc?
Was this
answer
helpful?
Yes
No
Wednesday, October 30th, 2019 AT 2:02 AM
Tiny
KASEKENNY
  • MECHANIC
  • 18,907 POSTS
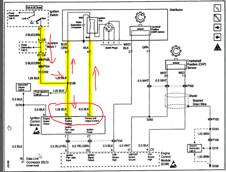
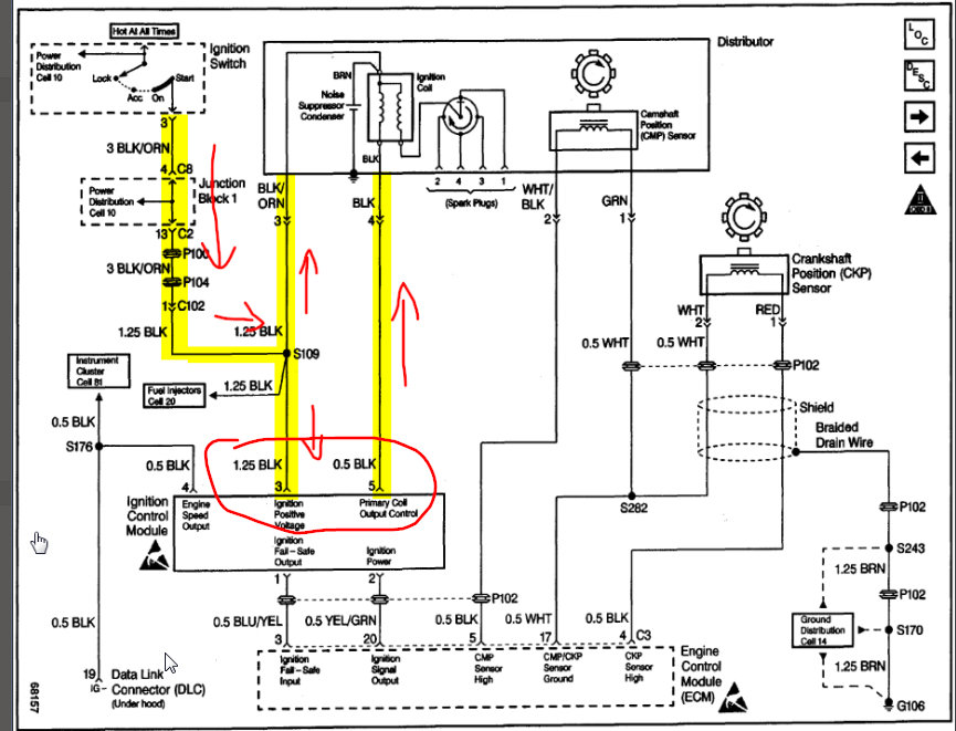
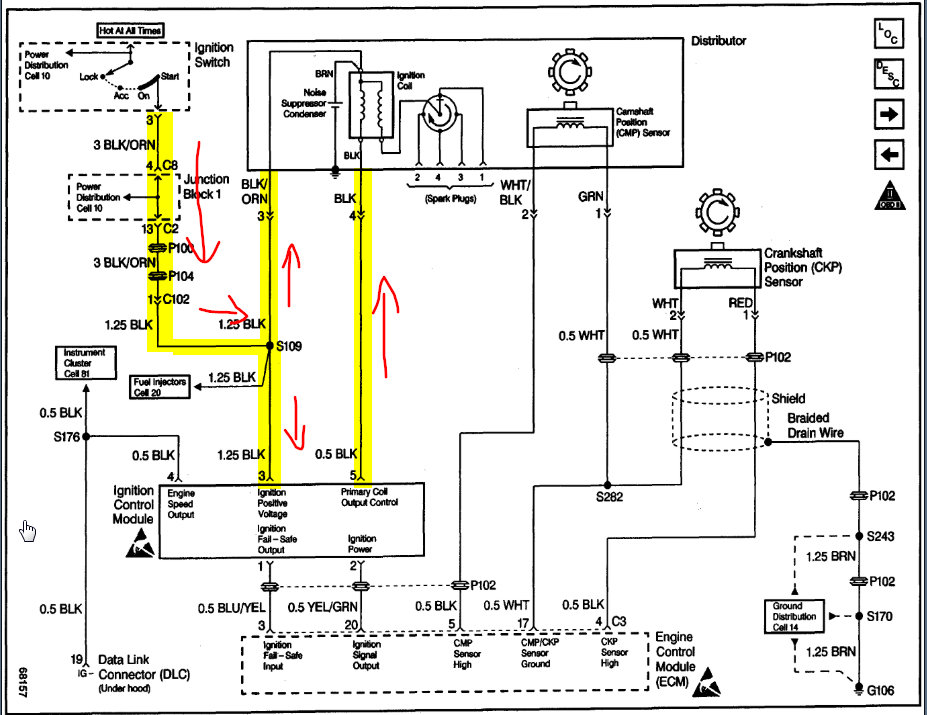
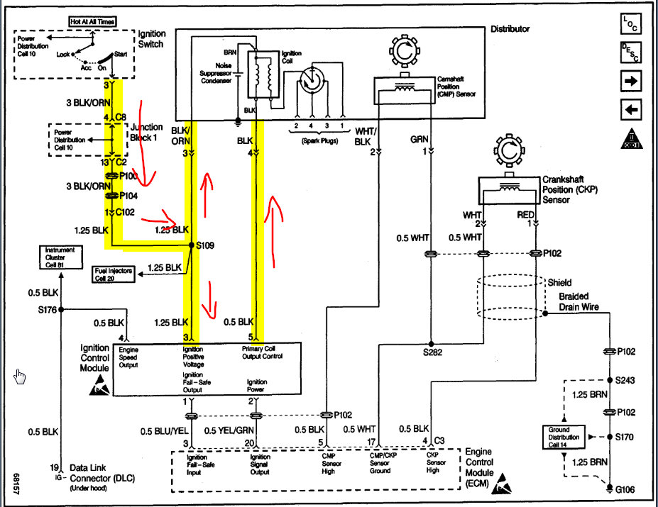
No worries. The coil is inside the distributor. However, just check to see if you have power coming into the ignition control module and going out to the distributor. I circled these two places on the diagram. If you have it coming in from the ignition switch but not coming out then the control module is your issue. If you have it coming out, then I would just go ahead and replace the distributor. You can get a complete distributor pretty cheap these days and it will all be new parts.
Was this
answer
helpful?
Yes
No
Wednesday, October 30th, 2019 AT 6:47 PM
Tiny
CHRISTOPHER SHANE BRIAN
  • MEMBER
  • 11 POSTS
Good evening. I have no idea of the location of the ignition control module. Unless it is the metal thing mounted to the firewall (drivers side). It has one plug with multiple wires going in. The middle wire and one of the outside wires have power when the ignition switch is engaged.
Was this
answer
helpful?
Yes
No
Saturday, November 2nd, 2019 AT 4:57 PM
Tiny
CHRISTOPHER SHANE BRIAN
  • MEMBER
  • 11 POSTS
The wires go to a black junction plug mounted below it on the same fender well. Thanks in advance for any help you may continue to offer. I tried a new coil and still no luck.
Was this
answer
helpful?
Yes
No
Saturday, November 2nd, 2019 AT 4:58 PM
Tiny
KASEKENNY
  • MECHANIC
  • 18,907 POSTS
Okay, so if you have power on two of the wires that could be the issue depending on which outside wire has power. I assume you have power on the engine speed sensor (crank sensor) but if you don't have it on the primary coil output then the control module is the issue.
Was this
answer
helpful?
Yes
No
Saturday, November 2nd, 2019 AT 6:30 PM
Tiny
CHRISTOPHER SHANE BRIAN
  • MEMBER
  • 11 POSTS
Well, I finally got to check the coil. I used a light tester and I have power at both positive and negative terminals. So I'm guessing the distributor is needing replacing.
Was this
answer
helpful?
Yes
No
Wednesday, November 13th, 2019 AT 10:00 AM
Tiny
KASEKENNY
  • MECHANIC
  • 18,907 POSTS
Okay. So if you have voltage going into and coming out of the coil then the next stop is the distributor. This is clearly what delivers it to the plugs so if nothing is coming out, I would replace it. Based on this info, I can't see where you would be wrong.
Was this
answer
helpful?
Yes
No
Wednesday, November 13th, 2019 AT 6:24 PM
Tiny
APRIL MAPP
  • MEMBER
  • 2 POSTS
So I have replaced the distributor (new OEM replacement) assembly, new igniter, and new relay(firewall fuse box location). Checked to insure that engine was getting plenty of fuel, still no start! Please help me.
Was this
answer
helpful?
Yes
No
Wednesday, November 20th, 2019 AT 11:29 AM
Tiny
CHRISTOPHER SHANE BRIAN
  • MEMBER
  • 11 POSTS
After purchasing a code scanner I checked to obd2 codes (under the dash drivers side). The code I get is p1600. Help
Was this
answer
helpful?
Yes
No
Wednesday, November 20th, 2019 AT 4:41 PM
Tiny
KASEKENNY
  • MECHANIC
  • 18,907 POSTS
Here is the test for this code. We are going to have to go through it and see what we find.
Was this
answer
helpful?
Yes
No
+1
Wednesday, November 20th, 2019 AT 8:35 PM
Tiny
CHRISTOPHER SHANE BRIAN
  • MEMBER
  • 11 POSTS
Thanks, I will respond ASAP.
Was this
answer
helpful?
Yes
No
Thursday, November 21st, 2019 AT 8:04 PM
Tiny
KASEKENNY
  • MECHANIC
  • 18,907 POSTS
Sounds good. We will wait to hear back. Thanks
Was this
answer
helpful?
Yes
No
Friday, November 22nd, 2019 AT 9:04 AM

Please login or register to post a reply.