Warning lights on dash do not light up

Tiny
EMME66
  • MEMBER
  • 2012 HYUNDAI VELOSTER
  • 1.6L
  • 4 CYL
  • 2WD
  • AUTOMATIC
  • 185,000 MILES
Instrument cluster of warning lights do not show on dash any longer.
Tuesday, May 24th, 2022 AT 8:18 PM

7 Replies

Tiny
SQM
  • MECHANIC
  • 6,383 POSTS
Hello,

Just to clarify when you turn on the key none of the warning/message lights illuminates?
If that is what you are experiencing, it is likely due to a faulty gauge cluster.
This will either require replacement or rebuild the electrical components for the cluster.

If it is just one or two lights, then it could be due to a bad LED or wiring issue.

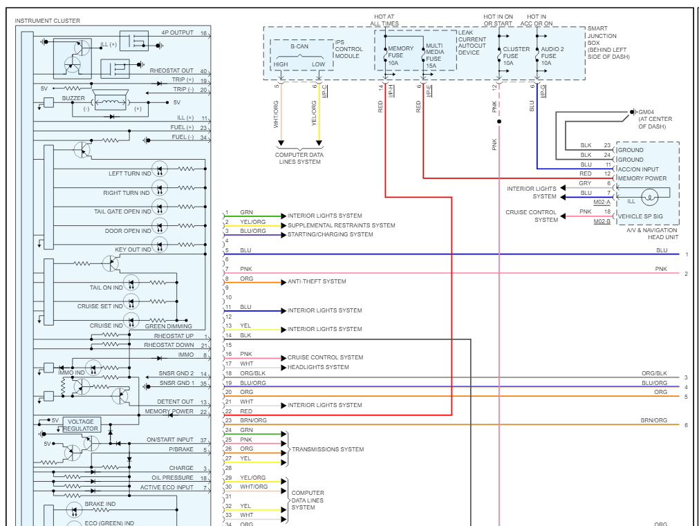
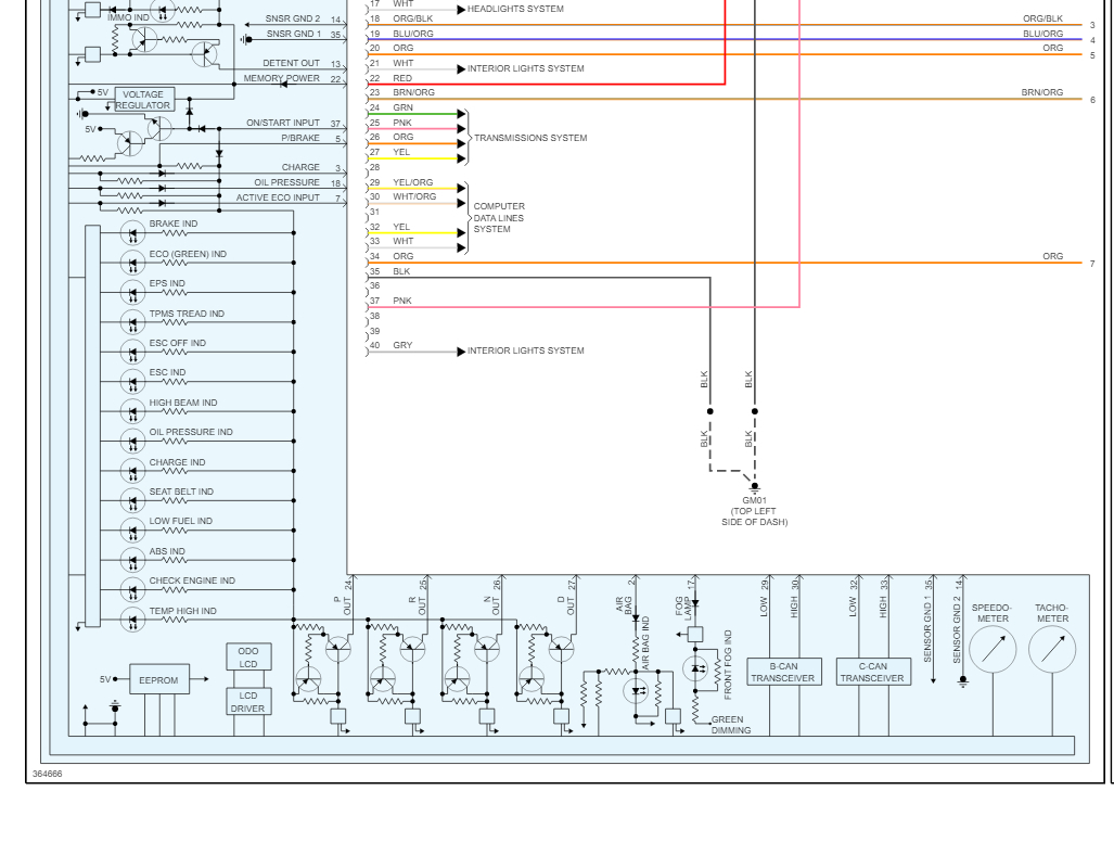
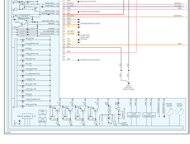
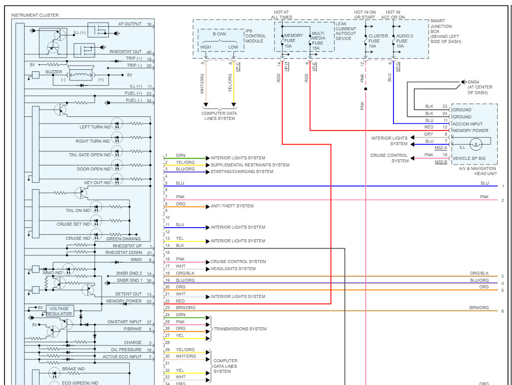
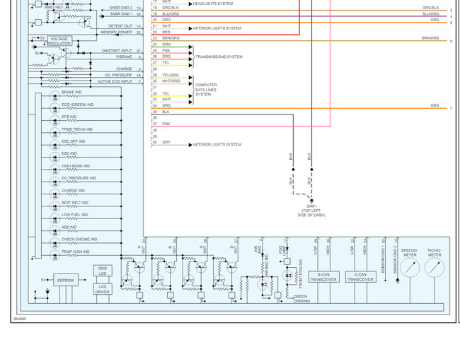
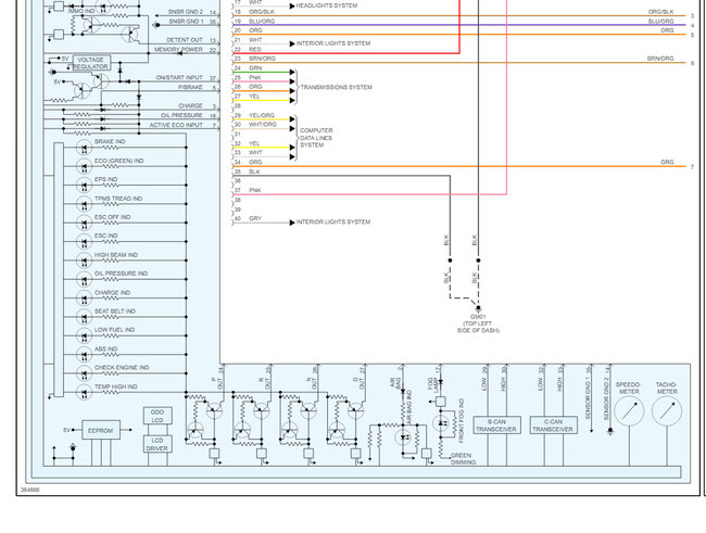
I have attached the wiring schematics for the gauge cluster below for your reference.

Let me know of any questions.

Thank you.
Was this
answer
helpful?
Yes
No
+1
Tuesday, May 24th, 2022 AT 9:20 PM
Tiny
EMME66
  • MEMBER
  • 12 POSTS
Sean, thank you. I might add that the lights that do show up are the lights on, trunk and door open, key out does that make any difference? Again, thank you.
Was this
answer
helpful?
Yes
No
Tuesday, May 24th, 2022 AT 9:26 PM
Tiny
SQM
  • MECHANIC
  • 6,383 POSTS
So, all the warning lights are out, it does sound like something to do with the module within the cluster and triggers those lights.
Was this
answer
helpful?
Yes
No
+1
Tuesday, May 24th, 2022 AT 10:46 PM
Tiny
EMME66
  • MEMBER
  • 12 POSTS
Hi Sean.

I have to say regarding the warning dash lights I tried the first thing, least costly was to change the 10amp fuse and that did the trick. I appreciate the help and reply.
Emme
Was this
answer
helpful?
Yes
No
Friday, May 27th, 2022 AT 10:01 AM
Tiny
SQM
  • MECHANIC
  • 6,383 POSTS
That is great news. Glad you got it figured out.
Was this
answer
helpful?
Yes
No
Friday, May 27th, 2022 AT 3:15 PM
Tiny
EMME66
  • MEMBER
  • 12 POSTS
Hi Sean, I have another problem with my 2012 Volester. I saw YouTube videos where other cars had the same problems.
My car just started to do this
Only sometimes from a start, the drive and reverse do not engage. I have found that turning the engine off wanting then starting, it may take 2 or 3 times both gears engage then no problem. After the next time maybe 2 or 3 times in a 11-hour drive period, as I use the car for deliveries.
Have you heard about this?
Transmission oil is fine.
Was this
answer
helpful?
Yes
No
Wednesday, June 1st, 2022 AT 10:50 AM
Tiny
SQM
  • MECHANIC
  • 6,383 POSTS
Hello,

It sounds like a strange issue. Since this is a different issue, please start a new question. That way the site can properly index the question.

Just go to this link:

https://www.2carpros.com/questions/new

We will lookout for it.
Thank you.
Was this
answer
helpful?
Yes
No
+1
Wednesday, June 1st, 2022 AT 2:55 PM

Please login or register to post a reply.