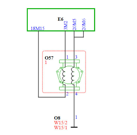
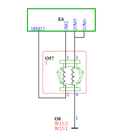
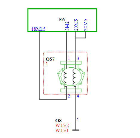
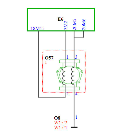
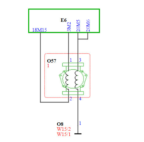
When pugged scanner to OB2 in front SAM I see error code "P0645 A/C clutch magnetic control Circuit Failure (Short circuit to ground or open circuit"
And this is true, in harness I see there is 4 wires coming from A/C refrigerator (2 of them from A/C pressure sensor I think [blue/brown] and [brown] they are connected)
But what about A/C clutch wires [white/red] and [brown/white] they are controlling A/C clutch but it my case I can't find where they supposed to connect.
Maybe you could help and provide a wiring diagram for A/C control in engine bay or front SAM.
Please help me out.
Wednesday, July 5th, 2023 AT 1:11 PM


















