VSC Light on and trouble code P0430

Tiny
RICH NORBY
  • MEMBER
  • 2005 TOYOTA HIGHLANDER
  • 3.3L
  • V6
  • 4WD
  • AUTOMATIC
  • 153,000 MILES
Can these two issues be related. My tachometer when cold fluxuates from 1,000 to 1,500 RPMs when first started for a couple minutes then settles down to around 900 RPMs. Would changing the bank two catalytic converter fix these issues?
Wednesday, May 5th, 2021 AT 4:23 PM

9 Replies

Tiny
JACOBANDNICKOLAS
  • MECHANIC
  • 110,194 POSTS
Hi,

The VSC light is related to stability control. Chances are one of the wheel speed sensors is bad. I don't feel it is related to the P0430.

Now, the 430 can be the converter (most times it is), or it can be the oxygen sensor (air/fuel sensor).

I need to know if you have a live data scan tool. If you do, we can check to see how the A/F sensor is reacting. That could cause the idle issue and also be causing the code. Also, the short-term fuel trims, which can be seen via a live data scan tool, can help determine if the mixture is wrong and the computer it trying to compensate.

As far as the VSC, we have two options. First, have the can-bus system scanned to determine if there is a code related to the VSC or a wheel speed sensor. CAN stands for controller area network. Basically, all modules/computers are tied together via a few wires. This type of scan should identify stored codes in any of the modules. Here is a link that shows how it's done:

https://youtu.be/InIlnsjOVFA

Next, if you can't have that done, you can check each wheel speed sensor using a multimeter or voltmeter. Here is a link that shows how to do it:

https://www.2carpros.com/articles/abs-wheel-speed-sensor-test

Let me know what is found or if you have other questions. I realize this may seem complicated, so please feel free to ask.

Take care,

Joe

Was this
answer
helpful?
Yes
No
+1
Thursday, May 6th, 2021 AT 9:05 PM
Tiny
RICH NORBY
  • MEMBER
  • 31 POSTS
Short term FT1 -2.3, long term FT1 0.0, short term FT2 0.8, long term FT 2 0.0. Reading taken with cold engine, not sure if that matters. I don’t have trouble code for O2 sensors, so I think your right about CAT converter being the problem for the Po430 code. I removed the front wheel speed sensors and have voltage readings from each. Cleaned and checked rear wheel sensors but couldn’t figure out how to get to the connectors to check for voltages from each. The sensor wires go thru the wheel well into the inside wheel wheel area. Not sure how to get the interior panels off to get access to the connectors to check sensors voltage. Any help with that would be great. The rear sensors were rusted in, had to carefully work them out. Cleaned sensors and removed rust from sensors chambers. Going to drive the car tomorrow and see if VSC light goes out.
Was this
answer
helpful?
Yes
No
Sunday, May 9th, 2021 AT 5:59 PM
Tiny
JACOBANDNICKOLAS
  • MECHANIC
  • 110,194 POSTS
Hi,

Let me know if the light goes out for the VSC. I'm interested in knowing. Also, you mentioned rust. Make sure the toner ring (sensor rotor) isn't rusted, loose, damaged, or dirty.

Take care

Joe
Was this
answer
helpful?
Yes
No
Sunday, May 9th, 2021 AT 8:12 PM
Tiny
RICH NORBY
  • MEMBER
  • 31 POSTS
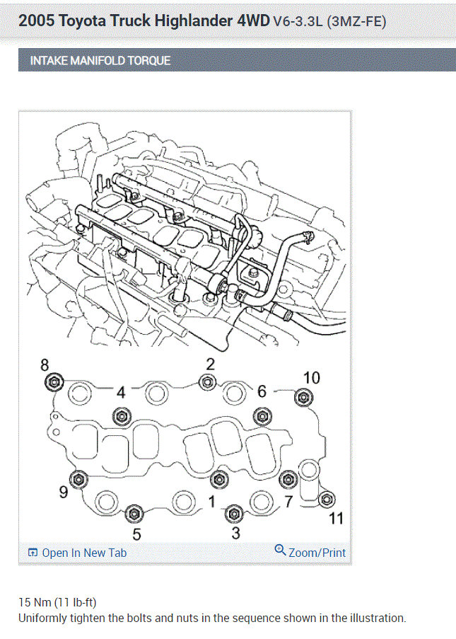
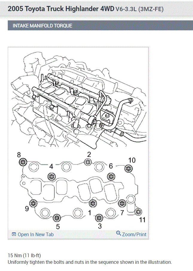
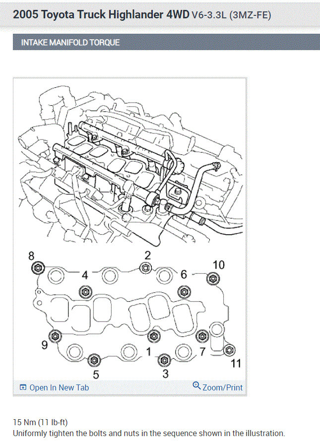
I removed the upper intake manifold plenum to get access to the spark plugs on my 2005 Toyota Highlander. Can you tell me the torque for the Allen head bolts that I removed? Where can I find torque setting for this car?
Was this
answer
helpful?
Yes
No
Friday, May 14th, 2021 AT 4:54 PM
Tiny
JACOBANDNICKOLAS
  • MECHANIC
  • 110,194 POSTS
Hi,

Absolutely, we can help. If you look at the pic below, it includes the torque specs. Additionally, it shows the torque sequence (order to tighten them). Make sure to follow the sequence provided.

Let me know if this helps or if you have other questions.

Take care,

Joe

See pic below.
Was this
answer
helpful?
Yes
No
+1
Friday, May 14th, 2021 AT 9:16 PM
Tiny
RICH NORBY
  • MEMBER
  • 31 POSTS
Thank you for the intake manifold torque information. Would those torque settings also be good for the air plenum that bolts to the intake? I’m now going to change the timing belt, water pump, front cam seals, pulleys and belts. Two questions; the kit I ordered came with a paper water pump gasket would you recommend getting a metal type? Also the timing belt does not have marks for lining up the timing marks. Can I transfer the marks from the old belt to the new belt or count ribs between the old marks? Thanks again.
Was this
answer
helpful?
Yes
No
Sunday, May 16th, 2021 AT 9:10 AM
Tiny
JACOBANDNICKOLAS
  • MECHANIC
  • 110,194 POSTS
Hi,

I believe you are referring to the intake surge tank (upper intake). Take a look at pic1 below. If that is what you are referring to, the directions and specs are in pic two for replacement. If that isn't it, let me know.

Take care,

Joe

See pics below.
Was this
answer
helpful?
Yes
No
+2
Sunday, May 16th, 2021 AT 6:37 PM
Tiny
RICH NORBY
  • MEMBER
  • 31 POSTS
Thanks Joe, this is what I needed. I’ve worked on cars off and on over the years and I’m not so great at finding this type of info. This is my grandson's first car so we’re going through the basics of car maintenance and use of tools and properly torquing bolts as we put things back together. I find I’m learning along with him. Your help is appreciated.
Was this
answer
helpful?
Yes
No
Monday, May 17th, 2021 AT 9:16 AM
Tiny
JACOBANDNICKOLAS
  • MECHANIC
  • 110,194 POSTS
Hi,

You are very welcome. I like hearing you are teaching him. Both of you are welcome here anytime.

If you have a chance, let me know how things turn out for you.

Take care,

Joe
Was this
answer
helpful?
Yes
No
Monday, May 17th, 2021 AT 8:26 PM

Please login or register to post a reply.