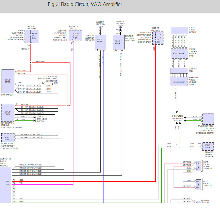
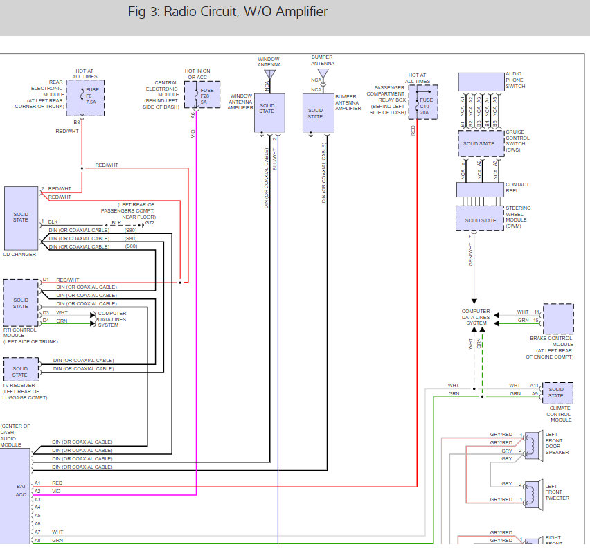
Once it did and I mean once it display a list of things like diagnostic, and so on. Then nothing. And radio used to come on and off if I switched it on. Now it does not come on at all. So what I would like to know without dealerships mentioned is, can I put a normal radio in or can this be fixed?
Thursday, August 2nd, 2018 AT 5:30 AM






