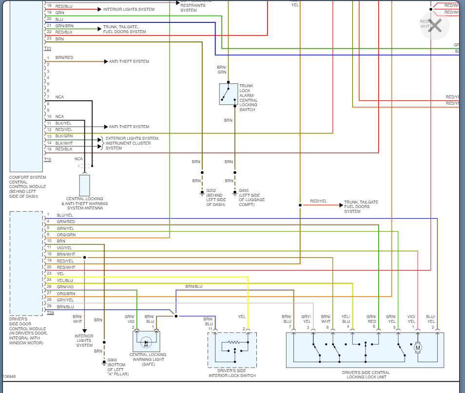
i have a 4dr 2001 vw jetta, last night I locked the doors with the key. Today inserted key onto front driver door lock, turn it to open, front r door lock went up, but the rest of the locks did not, and tried to unlock the rest with the lock switch and did noting, notice that the light next to the lock pin, has a flashing, light, so im guessing the alarm is still on. Had this problem before, but was fixed by hitting the door right next to where the key is inserted, and that would fix the problem, but now I whacked it for like a min and still not working. Could it be the door lock module, or what could it be?
Monday, August 10th, 2009 AT 9:41 AM


