Vlp reset without a scanner?

2008 CHRYSLER PT CRUISER
260,000 MILES • 4 CYL • 2WD • AUTOMATIC
Avatar
MICHAELMAXWELLPT2008
  • MEMBER
  • 8 POSTS
Need help with resetting the vlp without a scanner.
Apr 18, 2025 at 12:02 PM
Advertisement
Avatar
STEVE W.
  • CAR REPAIR CONTRIBUTOR
  • 15,149 POSTS
Sorry but there is no process to reset the VLP without a scan tool.
Apr 18, 2025 at 7:49 PM
Advertisement
Avatar
MICHAELMAXWELLPT2008
  • MEMBER
  • 8 POSTS
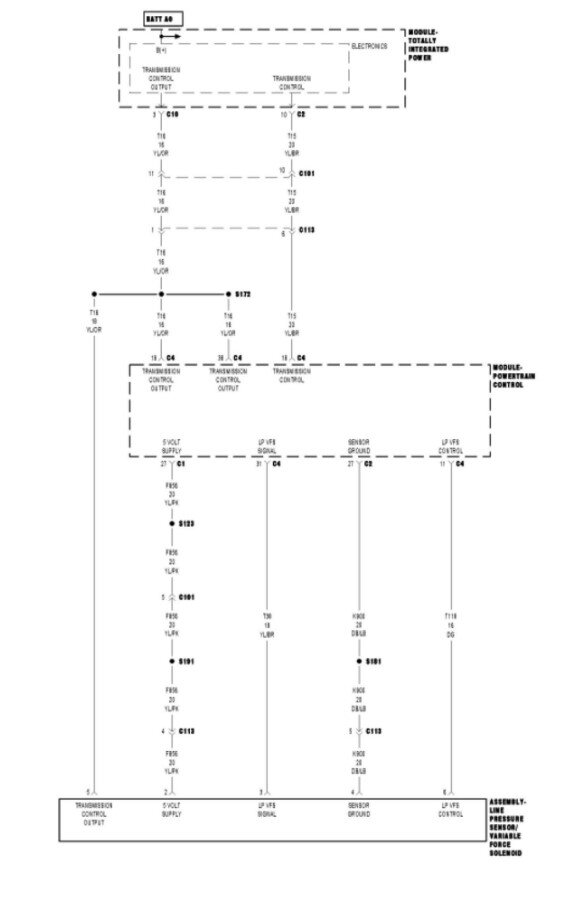
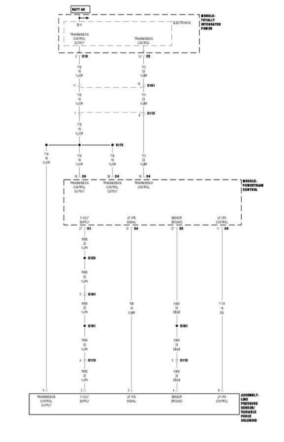
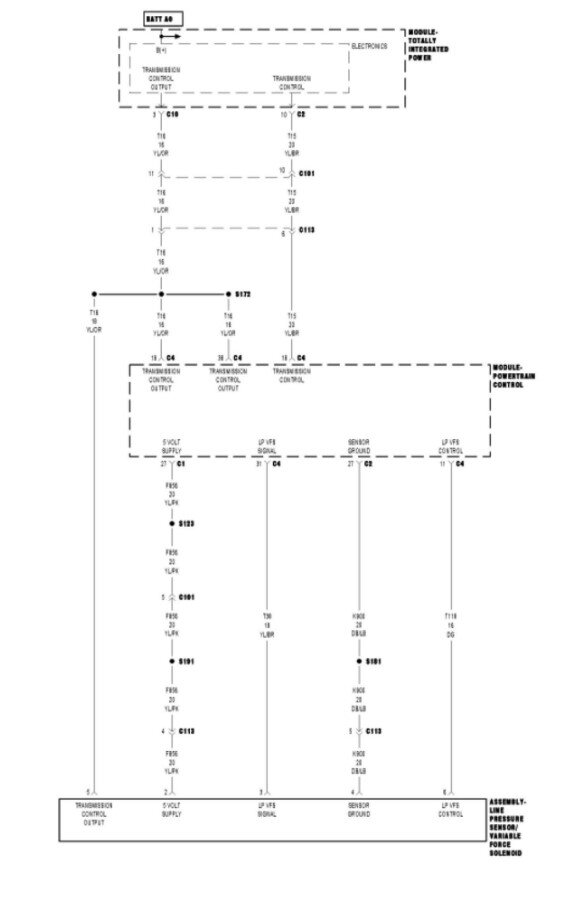
So there is no way around it what if i got a new sensor and i also get a code of p0935 and a code p1745. Could it be because the transmission lines are backwards or not? I don't have money to take it to a shop or to the dealership so there is no other option out there? My scanner is a Foxwell nt710 and do you know if it would work to clear the code or no?
Apr 18, 2025 at 8:51 PM
Avatar
STEVE W.
  • CAR REPAIR CONTRIBUTOR
  • 15,149 POSTS
P0935 is a circuit code for the line pressure sensor. It could be a bad sensor or a wiring fault in the connector to the transmission. If that code is present, it will set the P1745 which is a code saying that the line pressure has been high for a set length of time.
Repair the fault causing the P0935 and the P1745 may clear. I would check the wiring harness to the transmission over and look for shorted or broken wires.
Apr 19, 2025 at 12:13 AM
Repair Safety Notice: This information is for general instructional purposes only. Vehicle repair can be dangerous. Verify all information, follow manufacturer service procedures, use proper tools and safety equipment, and consult a qualified repair shop when needed.