Vehicle would not start found the clutch actuator bad?

Tiny
JR PAYNE
  • MEMBER
  • 2014 FORD FOCUS
  • 2.0L
  • 4 CYL
  • 2WD
  • AUTOMATIC
  • 249,000 MILES
Vehicle wouldn't start located bad clutch actuator replace that and vehicle still will not crank over. Any ideas of step-by-step testing?
Monday, October 23rd, 2023 AT 11:36 AM

20 Replies

Tiny
BORIS K
  • MECHANIC
  • 836 POSTS
Hello,

The vehicle is fitted with the DPS6 transmission

I would suggest first carrying out a diagnostic or CAN scan to see if there are any relevant DTC stored. Please post these here so that they can be evaluated for further advise.

How to:
https://www.2carpros.com/articles/can-scan-controller-area-network-easy

Did you carry a transmission adaptive learn using a suitable scan tool which will configure the replaced components?

The vehicle needs to see that the transmission is in Park before the starter activation is allowed.

Cheers, Boris
Was this
answer
helpful?
Yes
No
Tuesday, October 24th, 2023 AT 7:06 AM
Tiny
JR PAYNE
  • MEMBER
  • 47 POSTS
I'll scan it tonight. Thank you
Was this
answer
helpful?
Yes
No
Tuesday, October 24th, 2023 AT 9:32 AM
Tiny
KEN L
  • MASTER CERTIFIED MECHANIC
  • 55,475 POSTS
BORIS K is one of our best! Let us know how it goes.
Was this
answer
helpful?
Yes
No
Tuesday, October 24th, 2023 AT 1:39 PM
Tiny
JR PAYNE
  • MEMBER
  • 47 POSTS
Thank you. I really appreciate you guys.
Was this
answer
helpful?
Yes
No
Tuesday, October 24th, 2023 AT 2:46 PM
Tiny
JR PAYNE
  • MEMBER
  • 47 POSTS
Hello Boris. I did the scan and I'm attaching the codes that came up to prevent the no crank no start conditions. Any help would be greatly appreciated.
Was this
answer
helpful?
Yes
No
Tuesday, November 28th, 2023 AT 10:46 AM
Tiny
JR PAYNE
  • MEMBER
  • 47 POSTS
  • 2014 FORD FOCUS
  • 2.0L
  • 4 CYL
  • 2WD
  • AUTOMATIC
  • 249,000 MILES
I've attached the scans from my reader. Please advise which steps I should take to diagnose.
Was this
answer
helpful?
Yes
No
Thursday, November 30th, 2023 AT 11:38 AM (Merged)
Tiny
KEN L
  • MASTER CERTIFIED MECHANIC
  • 55,475 POSTS
Thanks for the codes. It looks like the transmission dual clutch is stuck, this can happens when both actuators are engaged because one is seized or one of the clutch disc has fallen apart. To be sure let's use this guide to confirm the issue, you will need to see if the engine can be turned over by hand.

https://www.2carpros.com/articles/engine-seized-test

If you can't move the engine by hand remove the clutch actuators and try it again. If you still can't move the engine by hand the transmission needs to come out. Here are the location of the clutch actuators. Check out the images (below). Please let us know what happens.

Was this
answer
helpful?
Yes
No
Thursday, November 30th, 2023 AT 11:38 AM (Merged)
Tiny
JR PAYNE
  • MEMBER
  • 47 POSTS
I went out tonight and was able to rotate the crankshaft with no problem at all. Next suggestion?
Was this
answer
helpful?
Yes
No
Tuesday, December 5th, 2023 AT 10:11 PM
Tiny
BORIS K
  • MECHANIC
  • 836 POSTS
Hello,

Sorry for my absence, work has been very busy

For some further information please see link:
https://static.nhtsa.gov/odi/tsbs/2016/MC-10109047-9999.pdf

We list fault code U1013 so his bulletin might apply.

I believe step 4, TCM replacement might apply here.

Cheers, Boris
Was this
answer
helpful?
Yes
No
Wednesday, December 6th, 2023 AT 9:32 AM
Tiny
JR PAYNE
  • MEMBER
  • 47 POSTS
I always thought that the car would crank over if I ran a jumper from starter relay to starter. I tried that as well and nothing. The TCM is on backorder according to the dealership.
Was this
answer
helpful?
Yes
No
Friday, December 8th, 2023 AT 7:36 PM
Tiny
KEN L
  • MASTER CERTIFIED MECHANIC
  • 55,475 POSTS
Let's try to rotate the engine by hand to help confirm the problem with the clutch making the engine lock up at which case the starter is not the problem.

Please go over this guide to help:

https://www.2carpros.com/articles/engine-seized-test

Please go over this guide and get back to us.
Was this
answer
helpful?
Yes
No
Saturday, December 9th, 2023 AT 9:00 AM
Tiny
JR PAYNE
  • MEMBER
  • 47 POSTS
It rotates freely.
Was this
answer
helpful?
Yes
No
Saturday, December 9th, 2023 AT 12:41 PM
Tiny
JR PAYNE
  • MEMBER
  • 47 POSTS
Shouldn't I be able to run a jump wire from starter relay and force starter to rotate engine?
Was this
answer
helpful?
Yes
No
Saturday, December 9th, 2023 AT 12:43 PM
Tiny
KEN L
  • MASTER CERTIFIED MECHANIC
  • 55,475 POSTS
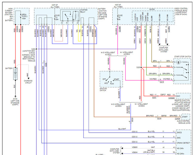
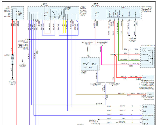
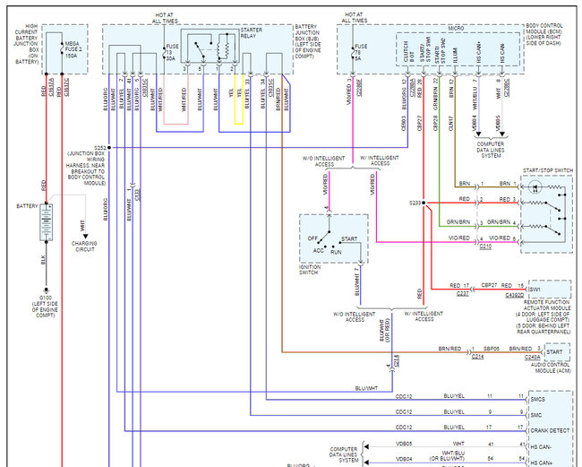
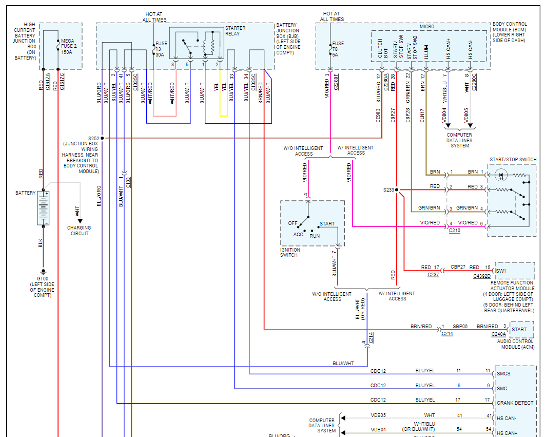
Good to hear, yes if you jump 12 volts to the trigger wire the starter should work and crank the engine over. I would clear the codes and check the fuse #13 in the fuse panel under the hood. There is a starter relay as well in the same fuse panel. Here are the wiring diagrams for the starter so you can see how the system works. Once the codes are clear try to crank the engine over then run the codes again to see which ones are stored, these will be the hard codes we need to address. Check out the images (below). Let us know how it goes.
Was this
answer
helpful?
Yes
No
Monday, December 11th, 2023 AT 9:34 AM
Tiny
JR PAYNE
  • MEMBER
  • 47 POSTS
I'm able to manually turn it over with a jump wire even after I installed a new TCM. It still fails during relearn shift drums fail every time. Here are the latest codes.
Was this
answer
helpful?
Yes
No
Friday, December 22nd, 2023 AT 3:20 AM
Tiny
JR PAYNE
  • MEMBER
  • 47 POSTS
Additional photos.
Was this
answer
helpful?
Yes
No
Friday, December 22nd, 2023 AT 3:22 AM
Tiny
JR PAYNE
  • MEMBER
  • 47 POSTS
I'm able to manually turn it over with a jump wire even after I installed a new TCM It still fails during relearn shift drums fail Everytime. Here are the latest codes
Was this
answer
helpful?
Yes
No
Friday, December 22nd, 2023 AT 3:22 AM
Tiny
BORIS K
  • MECHANIC
  • 836 POSTS
Hello,

When you installed the new TCM was the module configured correctly?

Before removing old module.
Download the module information to the diagnostic tool using the Programmable Modules Installation routine.

Install new module.
Note: New units must be configured using the Programmable Module Installation Routine in the diagnostic tool.

Upload the module information from the diagnostic tool to the module using the Programmable Modules Installation routine.

Run the Shift Mechanism Position Learn using the Service Functions routine in the diagnostic tool.

Run the Clutch System Learn using the Service Functions routine in the diagnostic tool.
Use the General Equipment: Ford Diagnostic Equipment.

A good guide to possible learn and adjustment issues with diagnostic tool:
https://static.oemdtc.com/GSB/G0000089.pdf

Your diagnostic tool keeps reporting an issue with selector drum A, which actuates the odd gears, 1-3-5.
Sounds like there is a possible mechanical issue with the selector drum or gear selector forks.

A good video how the transmission works:
https://youtu.be/YKlACsWULbM?si=m698VKYX2Ifb1EIK

Cheers, Boris
Was this
answer
helpful?
Yes
No
Friday, December 22nd, 2023 AT 7:44 AM
Tiny
JR PAYNE
  • MEMBER
  • 47 POSTS
Sounds like I'm leaning towards a new transmission if I'm following what you're putting down.
Was this
answer
helpful?
Yes
No
Saturday, December 23rd, 2023 AT 11:32 AM
Tiny
KEN L
  • MASTER CERTIFIED MECHANIC
  • 55,475 POSTS
Well, if you can turn the engine by hand, it might not be the transmission. I would clear all the codes and then turn the system on without starting the engine and then run the codes again to see which ones are hard codes. Please get back to us, we want to get this fixed for you.
Was this
answer
helpful?
Yes
No
Tuesday, December 26th, 2023 AT 9:26 AM

Please login or register to post a reply.