Friday, March 8th, 2024 AT 5:59 PM
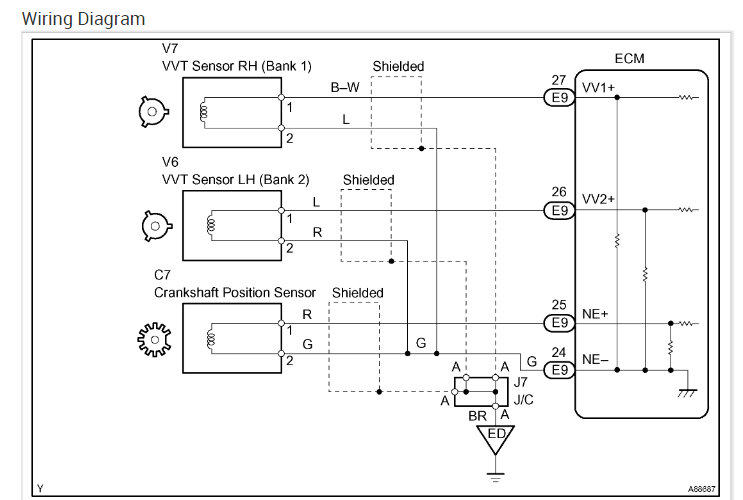
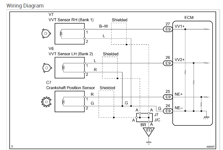
Issue just popped up. When I start my car I notice that the fuel gauge and engine temperature gauge does not work. When I shift it into gear the gauges start working as it should. When I shift the gear into reverse or neutral or even park the car shuts off. When I scan the OBD system, I was getting P0335, P0340, P0345. I changed the crankshaft sensor and now I was able to get rid of the P0345 code, but the other 2 codes remained, and the vehicle is still doing the same thing. Vehicle idles normally but when shifting into gear the car shuts off. Alternator and battery is good and I had changed that few months ago. When I rev the engine quite a bit and shift into gear, the car will stay on but when I shift it out of drive then it will shut off. Please help!




















