Monday, May 23rd, 2022 AT 9:19 AM
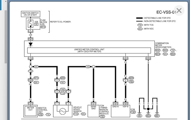
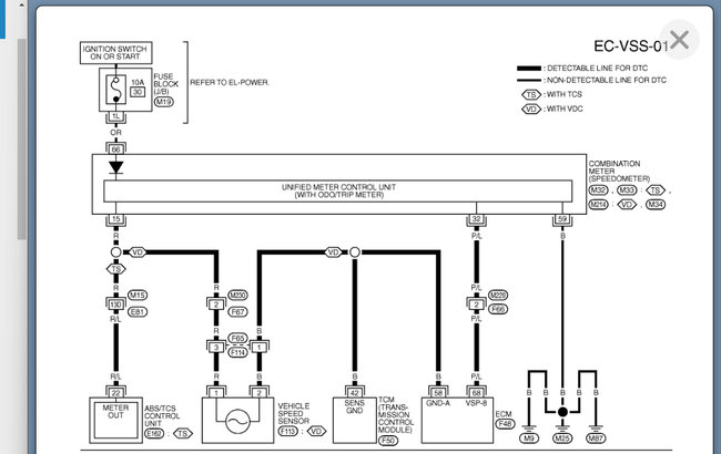
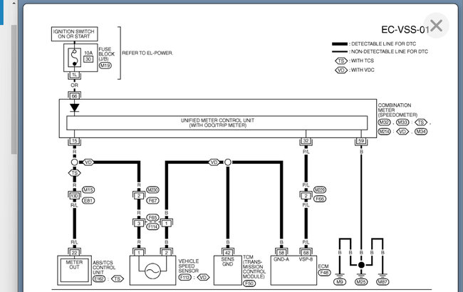
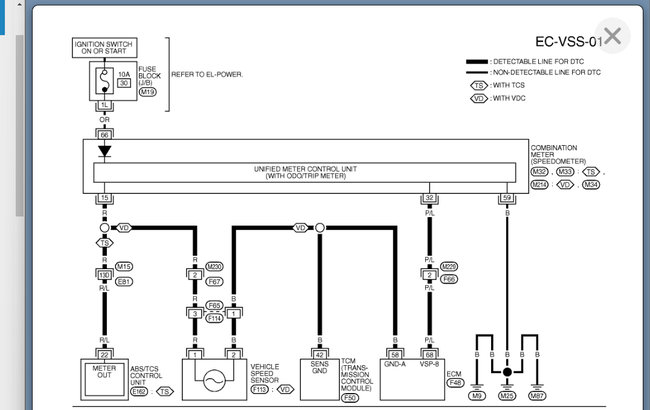
Hello Army veran have been trying to locate vehicle speed sensor. On 03 Nissan maxima and 03 Infiniti i35 sedan sport has exact engine. Both vehicles have plug type which is located on top near fire wall. But it's an empty silver cap. Which Infiniti and Nissan calls it "plug type" ; if you were to draw a line from the plug type towards the front of transmission still on top they call that particular one "pinion type"; known as the gear-speedometer sensor that has the 2 prong wire harness connected to sensor. That it the one also called revolution sensor. At the end of sensor it does have a gear. If you google part #SU6488 this will be the one. I need help on locating. Please help this Veteran out. Appreciate it. Tm







