Wednesday, September 16th, 2020 AT 10:04 PM
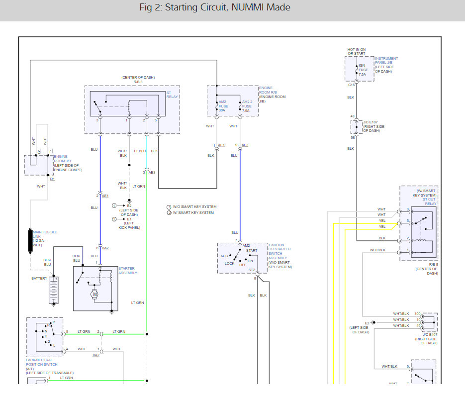
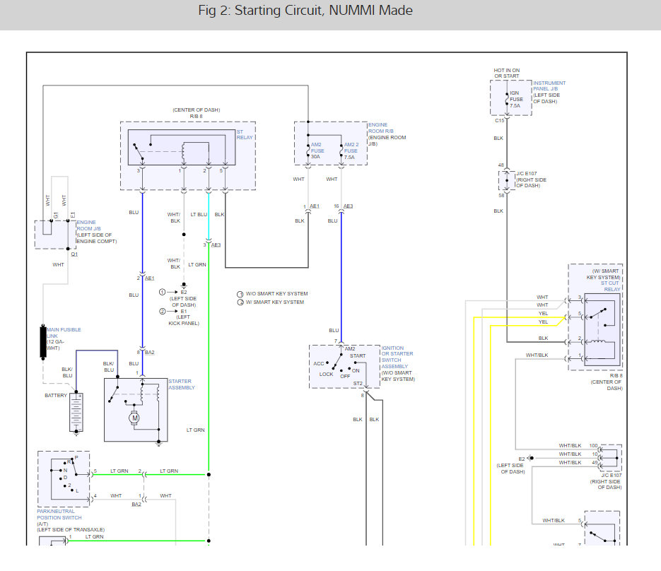
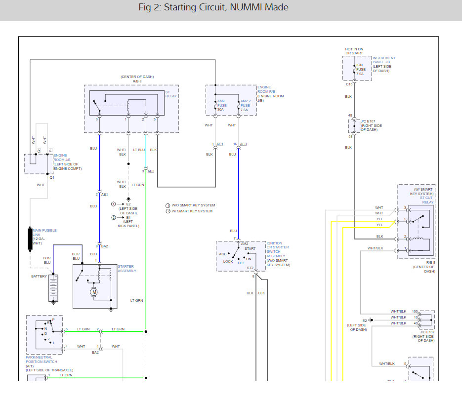
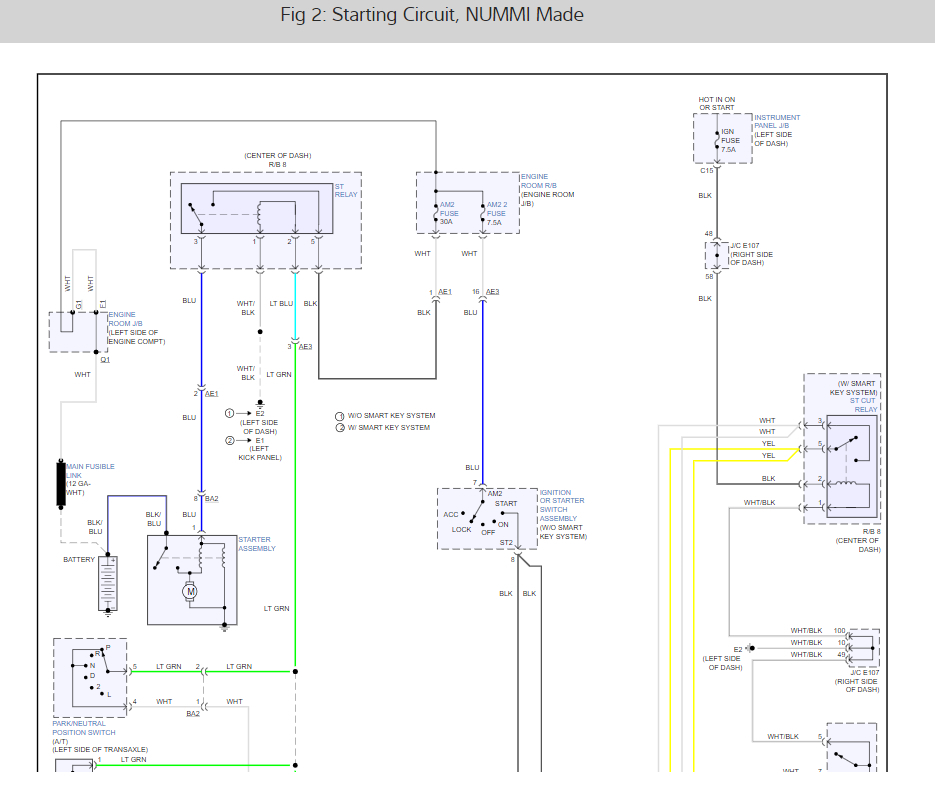
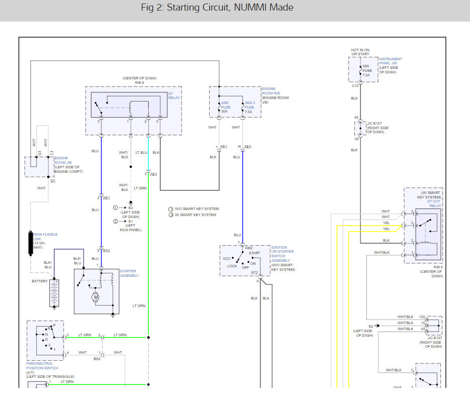
Hello, the vehicle is just silent when the ignition switch is turned to start position. I have tested the fuse and relay they are all working fine, I have tested the starter motor by connecting the solenoid wire directly to the battery, then the vehicle started properly. When I tested for power on the solenoid wire I could find any. I am suspecting the neutral safety switch but I need the diagram, that I may be able to by pass it and to see if there is any other things I supposed to check for.






