How to bypass and or delete VATS?

Tiny
EARL91
  • MEMBER
  • 2000 CHEVROLET TAHOE
  • 5.7L
  • V8
  • 4WD
  • AUTOMATIC
  • 180,000 MILES
I need help to bypass and or delete this anti-theft VATS module. Please help.
Friday, April 26th, 2024 AT 4:21 AM

9 Replies

Tiny
KEN L
  • MASTER CERTIFIED MECHANIC
  • 55,291 POSTS
You can get a bypass module online or you can do a resistor bypass as well. Look on YouTube they will show you how.
Was this
answer
helpful?
Yes
No
Friday, April 26th, 2024 AT 10:42 AM
Tiny
EARL91
  • MEMBER
  • 89 POSTS
Do you have a part number for the module? Resistor not work.
Was this
answer
helpful?
Yes
No
Friday, April 26th, 2024 AT 10:50 AM
Tiny
STEVE W.
  • MECHANIC
  • 15,675 POSTS
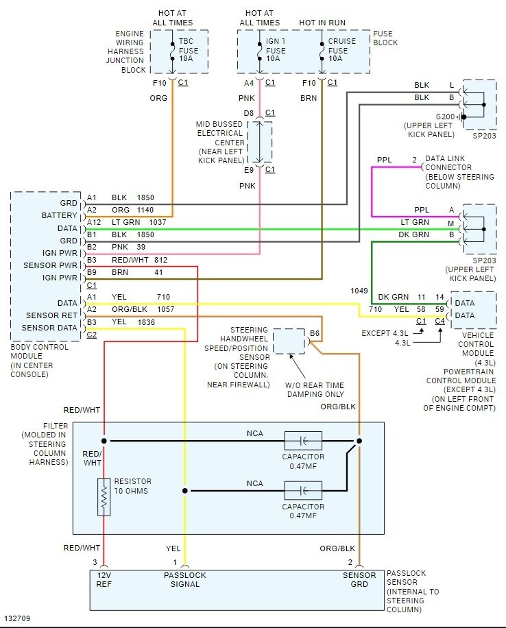
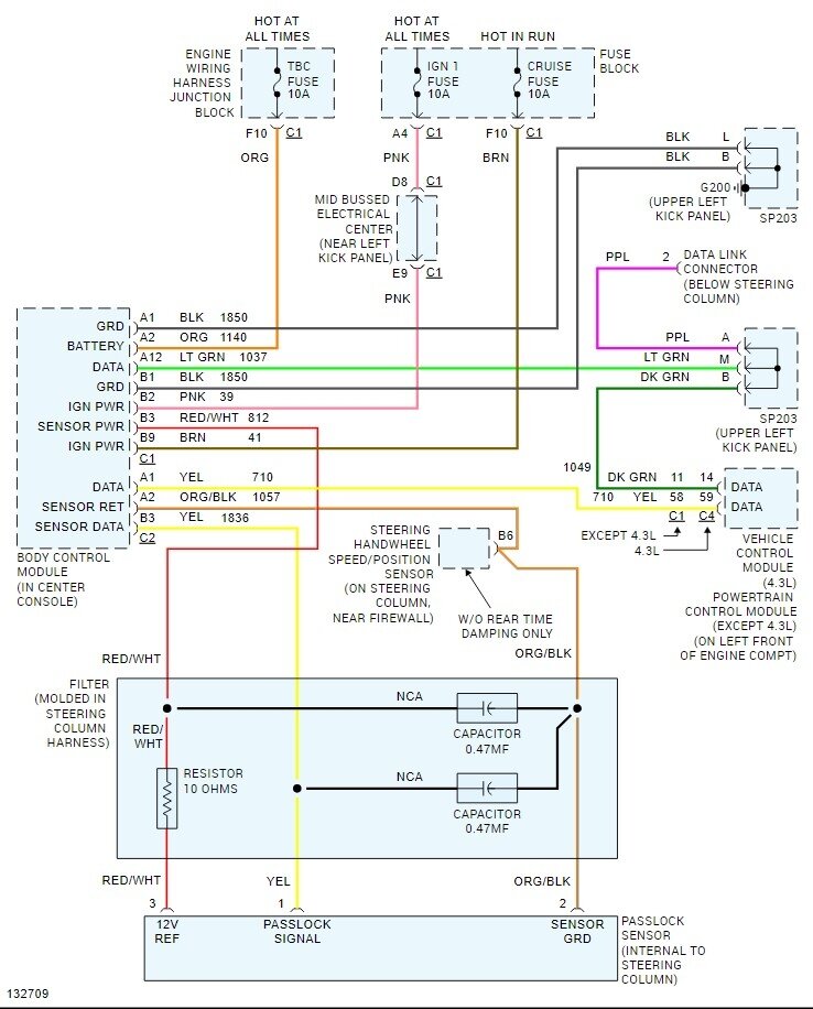
The Tahoe of that year uses the pass lock system. The resistor trick will work on the earlier passkey systems, the pass lock however uses a magnet on the ignition barrel to activate a hall effect trigger in the housing. That sends a frequency signal to the VATS to tell it you have a valid key. There are modules out there that claim to work to bypass the system, however they are not something you get from a parts store or dealer so no real name or part number.
Was this
answer
helpful?
Yes
No
Friday, April 26th, 2024 AT 4:43 PM
Tiny
EARL91
  • MEMBER
  • 89 POSTS
It's a 2000 tahoe. The old body style. I don't know what it is. Is it a ground. My ignition switch tumbler. I don't know any suggestions wiring diagram anything. This is my daily driver.
Was this
answer
helpful?
Yes
No
Monday, April 29th, 2024 AT 2:53 AM
Tiny
STEVE W.
  • MECHANIC
  • 15,675 POSTS
Okay, does your key turn the ignition? It just doesn't turn off the security light so it will start? Or is that not the issue? What does it do if you put the key in and turn or try to turn it?
If you put the key in and turn it to start but the security light comes on, there is a failed component in the VATS system. Which is fairly common with that design. The sensor inside the column likes to fail. Then it doesn't send the signal to the BCM, and the VATS system locks the injection system so the vehicle doesn't run.
So please explain what it does when you try the key, thank you.
Was this
answer
helpful?
Yes
No
Monday, April 29th, 2024 AT 6:31 AM
Tiny
EARL91
  • MEMBER
  • 89 POSTS
Okay, so the key does work. It will start and shut off right away. I have tried the relearn it does not work. The security light just stays on. Ruining my fuel pump every time I Tru to start it. I hope it's not the housing.
Was this
answer
helpful?
Yes
No
Monday, April 29th, 2024 AT 9:22 AM
Tiny
STEVE W.
  • MECHANIC
  • 15,675 POSTS
If the key works and it starts and shuts off, and the 30 minute relearn does nothing the most likely issue is the passlock sensor in the steering column. They are replaceable, but you would need to talk to a dealer. GM changed procedures a while back for security issues.
Book time is around 1.5 hours to replace it, but they don't show current pricing on the parts.
As a DIY the repair is a pain unless you have a scan tool to verify the faults and then test the sensor.
Was this
answer
helpful?
Yes
No
Monday, April 29th, 2024 AT 11:24 AM
Tiny
EARL91
  • MEMBER
  • 89 POSTS
I have a scan tool at my work. Autel
Was this
answer
helpful?
Yes
No
Tuesday, April 30th, 2024 AT 3:10 AM
Tiny
STEVE W.
  • MECHANIC
  • 15,675 POSTS
Okay, go into the live data and security and look for the VATS signal. As you turn the key from off tp on or start it should, on a working sensor, switch from off to on or similar. If you see that then look in the body and instrument panel for error codes. Like I said the sensor failing is the common problem, but the VATS uses a few parts.
Was this
answer
helpful?
Yes
No
Tuesday, April 30th, 2024 AT 9:20 AM

Please login or register to post a reply.