Van randomly blacks out

Tiny
ERIC D LATHAN
  • MEMBER
  • 2013 CHRYSLER TOWN AND COUNTRY
  • 3.6L
  • 2WD
  • AUTOMATIC
  • 252,000 MILES
For the last couple of weeks now, my van will black out while driving the computer tries to reset itself to factory default. The radio computer software is believed to be corrupt and does not reset to factory default. Anyway, the first few times this happened I was stopped at a light or in traffic and the vehicles stopped working. However, the vehicles would start back up, but when I am driving down the highway the car is driving and the next thing, I know the radio blacked out and within a half-minute the radio back on and the center displays on my dashboard is back at menu select. The van does sputter a bit when that happens. The van also sputters when I am giving it gas when moving from a stopped position it also does it when driving down the highway.
The only code I am getting is P0420, but I don't believe a Catalytic sensor on Bank 2 can be causing the problem. I am leaning to a bad fuel pump, but I just don't know. I can't get rid of it. I just brought it in October, and it is currently being financed. Depending on how big the job is I may end up doing the work myself. Any ideas or suggestions?
Wednesday, February 2nd, 2022 AT 11:26 AM

10 Replies

Tiny
KASEKENNY
  • MECHANIC
  • 18,907 POSTS
Let's start with the basics so we don't get too far down a rabbit hole.

Let's check the battery and make sure it is able to hold a proper charge because on this vehicle when the battery is weak all sorts of things can happen like this. Here is a guide that will help with the type of test we need to do. Most parts stores can do this.

https://www.2carpros.com/articles/car-battery-load-test

I am thinking we could have an issue with the TIPM, but the most likely thing is a battery voltage issue, causing the TIPM to malfunction.

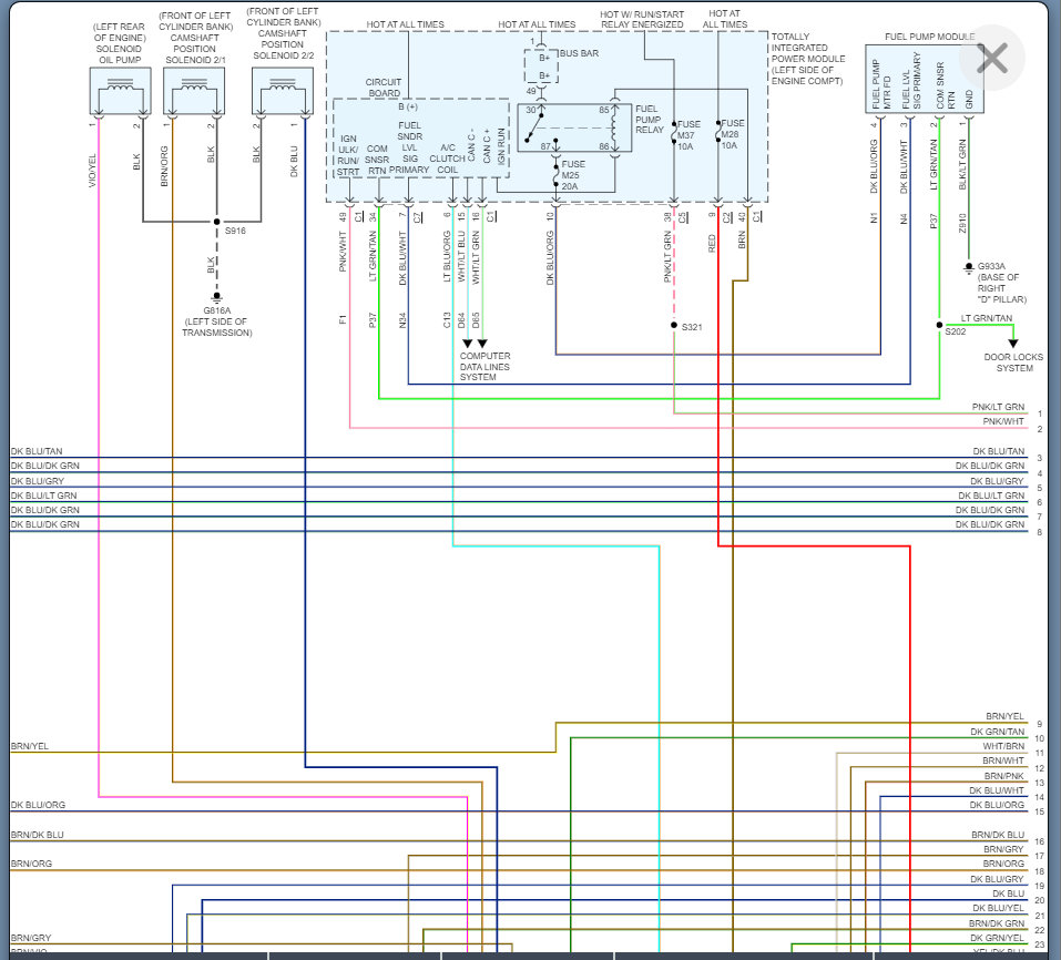
I am attaching the wiring diagram below that we will need to use to test this, but we will need to get it to act up.

Is this relatively easy to get to act up?
Was this
answer
helpful?
Yes
No
Thursday, February 3rd, 2022 AT 2:44 PM
Tiny
ERIC D LATHAN
  • MEMBER
  • 6 POSTS
So, the battery that was in the vehicle when I bought it died and no form of recharge could help. I have a battery tester at home that told me the battery was bad. I replaced it with a battery from Walmart. The vehicle started no problem, but one cold last week I stopped at a restaurant to get breakfast. When I came back to my car, I put the key in. Nothing happened, I tried to pull the key out, it would not budge. After 5 minutes and looking through YouTube I went unplugged the battery and reattached it. Not only did the vehicle start but I did not have any more problems like that that day. Later that night the Spoddeeing returned. To me everything is sporadic. I don't know to test to make it happen again.
Was this
answer
helpful?
Yes
No
Thursday, February 3rd, 2022 AT 3:31 PM
Tiny
KASEKENNY
  • MECHANIC
  • 18,907 POSTS
Okay. That is good info. However, this doesn't rule out a battery or the TIPM.

Let's test the battery again and make sure we don't have a battery drain issue and then if disconnecting the battery caused it to start, that points to a TIPM issue.

So, if the battery passes, it may be worthwhile putting a TIPM in it. However, this would be a guess at this point so let's see what the battery does and go from there.
Was this
answer
helpful?
Yes
No
Thursday, February 3rd, 2022 AT 4:26 PM
Tiny
ERIC D LATHAN
  • MEMBER
  • 6 POSTS
Load test results
Voltage 12.98v
Measured 1142 CCA
Rated 800 CCA
Temperature 93 F
I did notice that the connectors to the battery do not sit tight on its tight on the battery. I've tried tightening them, but they are in all the way.
Monday, I had the same issue where the vehicle went completely out. This time I watched the vehicle as I put the key in the initial switch which, as I turned the vehicle on Is vehicle suffered total power failure. It was had to pull power cable from battery to get it vehicle to reset itself. I had been using the vehicle most of the day of the day no issues it snooze until 30 minutes prior where the vehicle his vehicle had started to sputter again.
Was this
answer
helpful?
Yes
No
Tuesday, February 8th, 2022 AT 1:25 PM
Tiny
ERIC D LATHAN
  • MEMBER
  • 6 POSTS
Good battery.
Was this
answer
helpful?
Yes
No
Tuesday, February 8th, 2022 AT 2:11 PM
Tiny
KASEKENNY
  • MECHANIC
  • 18,907 POSTS
Can you get some pictures of the battery cables? You are correct that this is not the battery itself, but it still sounds like a battery related issue so that cable is something that we need to investigate.

Basically, there isn't one known thing outside a battery, a TIPM issue that would cause this, so we need to dig further.

This means we need to see if these cables are the issue.

When you are trying to tighten these and they are fully tight, can you still remove them without loosening the nut?
Was this
answer
helpful?
Yes
No
Wednesday, February 9th, 2022 AT 5:27 AM
Tiny
ERIC D LATHAN
  • MEMBER
  • 6 POSTS
As the video shows a small amount of force is needed to remove the cable. However, the cable is snugged enough that it will not come off the battery. The pads are new just added when I did load test. Besides taking the vehicle to a shop how can I test the TIPM?
Was this
answer
helpful?
Yes
No
Monday, February 14th, 2022 AT 8:28 PM
Tiny
KASEKENNY
  • MECHANIC
  • 18,907 POSTS
Okay. Just to be clear. Is that with them fully tight? We need to tighten them down so that you cannot move them with your hand.

Basically, what can happen is as you are driving the vibration will cause them to move and interrupt the ground path for a split second and you can lose power at random times.

I would suggest making sure those terminals are tight so that you cannot remove them like that and then see if this blacks out again.

If it does, the way we need to test the TIPM is to monitor voltage coming out of it on the effected circuits. I suspect we will have voltage dropouts when the radio blacks out which means the circuit board on the TIPM is the issue. This is a common thing on these TIPMs

However, I would not do that until you confirm this still happens after you tighten then terminals to the point that they don't come off by hand.
Was this
answer
helpful?
Yes
No
Tuesday, February 15th, 2022 AT 8:55 AM
Tiny
ERIC D LATHAN
  • MEMBER
  • 6 POSTS
I've replaced the (+) battery lead. I've had no problem as of today with sporadic power failure. I waited until today to see if running the heater would bring the problem back. No problem there, I still get sputtering problems when trying to get up to speed and the vehicle lurches when moving from a complete stop. Thanks for the help.
Was this
answer
helpful?
Yes
No
Friday, February 18th, 2022 AT 6:57 AM
Tiny
KASEKENNY
  • MECHANIC
  • 18,907 POSTS
Okay. Progress is a good thing.

I think that confirms they are not related so if you want to address the sputtering let's get a new post started for that one and I am sure we will figure it out.

Here is a link:

https://www.2carpros.com/questions/new

Thanks so much for updating us on this one.
Was this
answer
helpful?
Yes
No
Friday, February 18th, 2022 AT 10:48 AM

Please login or register to post a reply.