Wednesday, May 24th, 2017 AT 9:41 AM
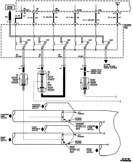
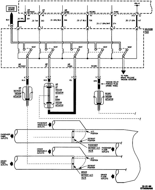
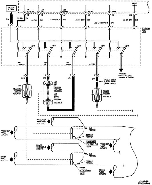
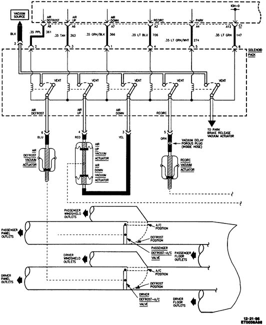
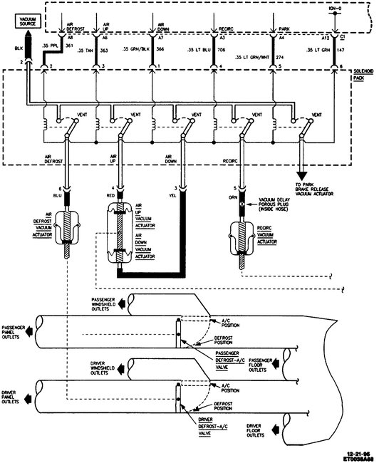
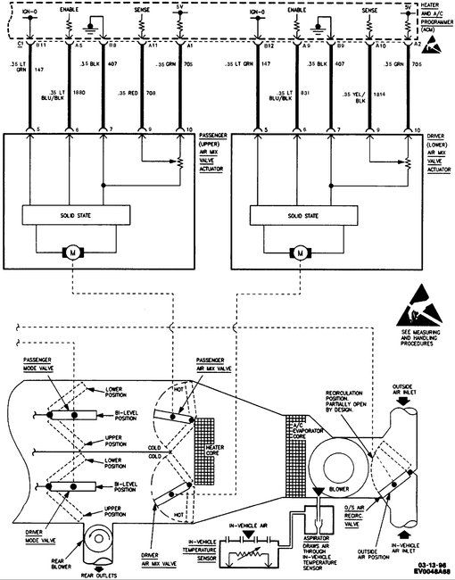
I have the car listed above, I could really use a climate control cabin vacuum diagram with replacement part number for upper and lower actuator motors. The dealer and Alldata do not have the correct information.


