HOME
ASK A QUESTION
REPAIR GUIDES
BECOME A MEMBER
LOG IN
Login with Facebook
OR
Remember me
NOT A MEMBER?
FORGOT PASSWORD?
CONTACT US
PRIVACY POLICY
TERMS AND CONDITIONS
☰
Home
Subaru
GL
Engine
Vacuum Hose Diagram
Vacuum hose diagram
GEDEDIAH
MEMBER
1986 SUBARU GL
1.8L
4 CYL
4WD
MANUAL
200,000 MILES
I have the car listed above and I got it the carbon was off and no idea where the hoses go.
Sunday, December 18th, 2016 AT 4:14 AM
2 Replies
HMAC300
MECHANIC
48,601 POSTS
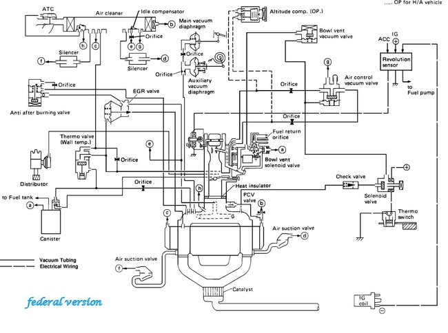
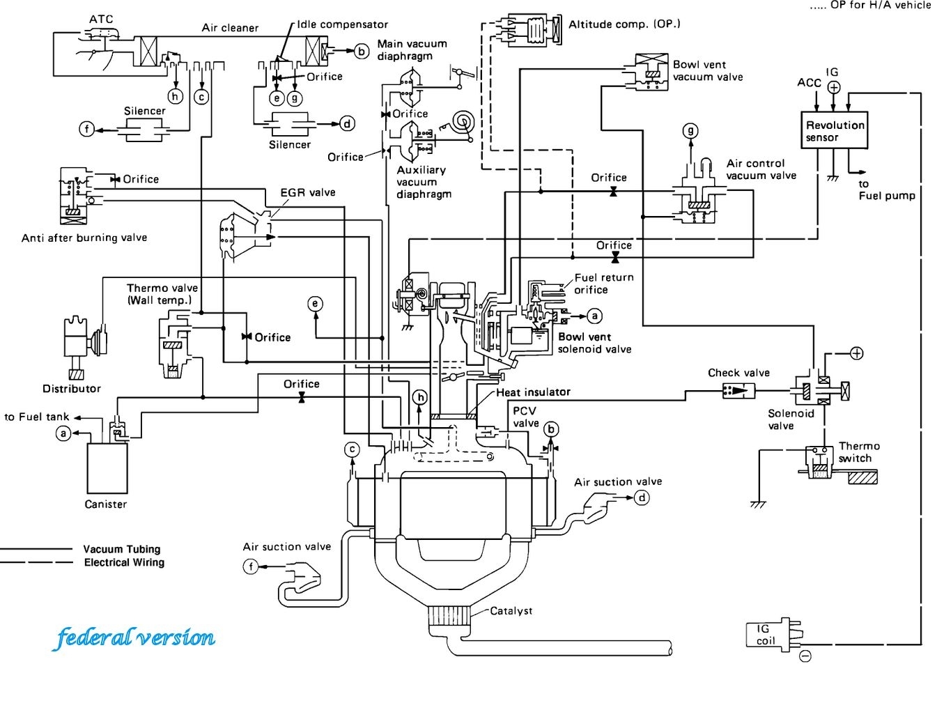
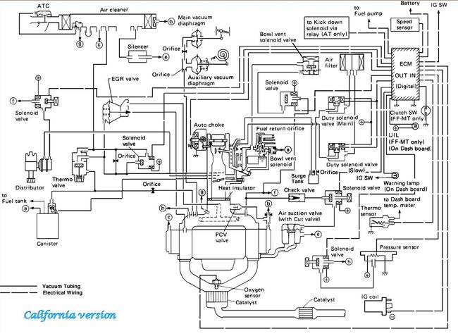
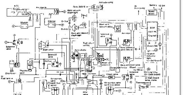
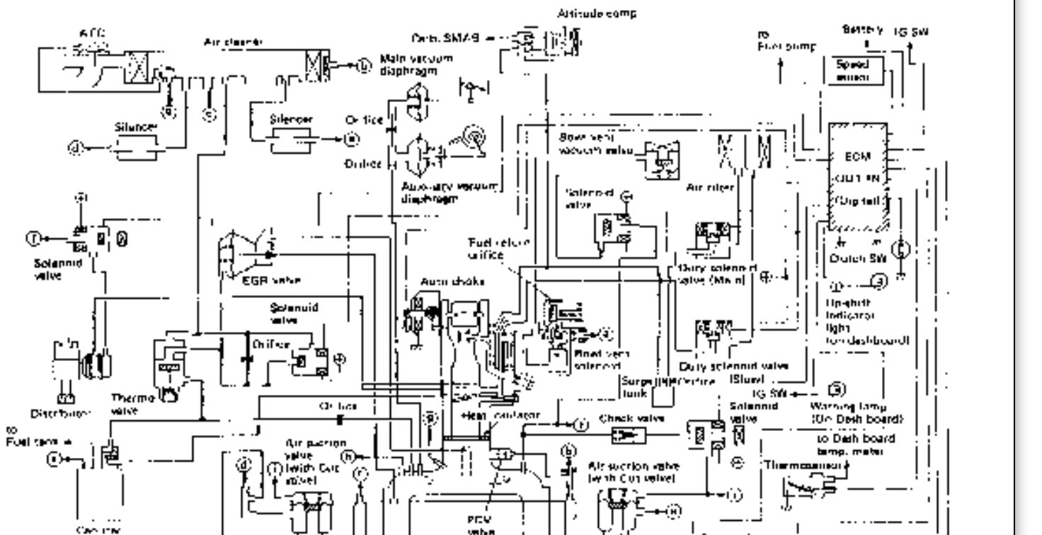
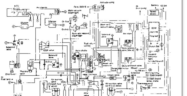
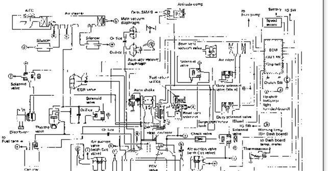
See pictures. Diagram is not very good at all, but it is all that we have this is for four wheel drive. If turbo fuel injected it is different.
Images (Click to make bigger)
Was this
answer
helpful?
Yes
No
Sunday, December 18th, 2016 AT 8:29 AM
STEVE W.
MECHANIC
15,586 POSTS
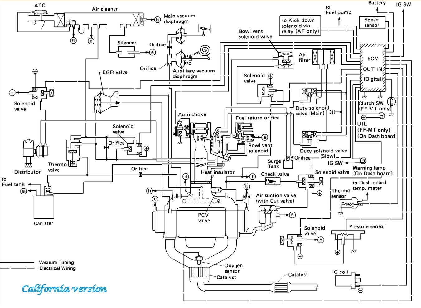
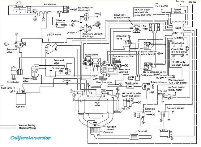
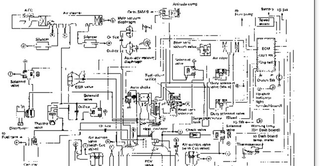
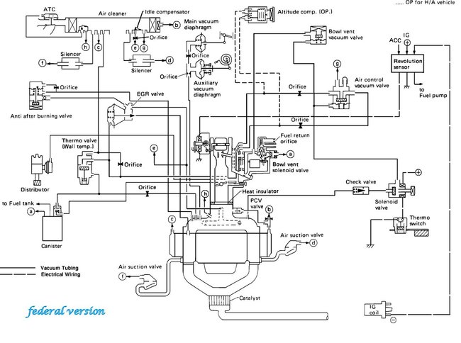
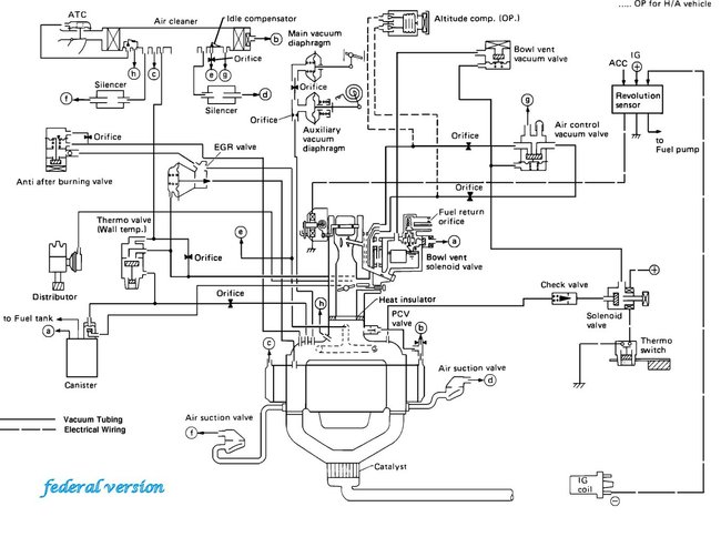
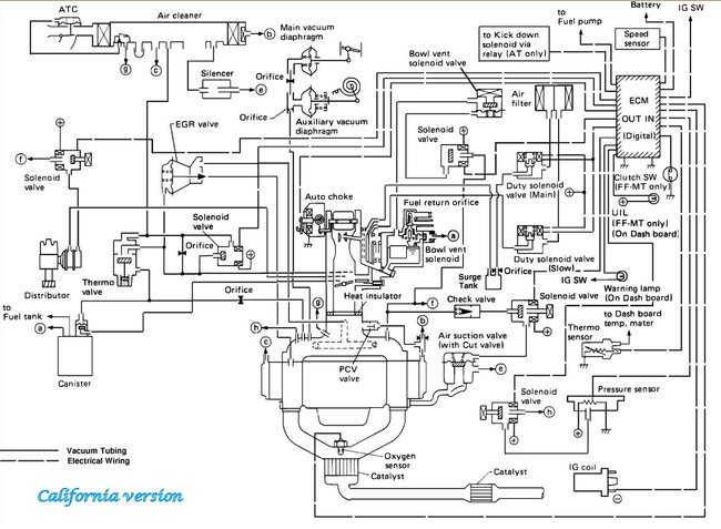
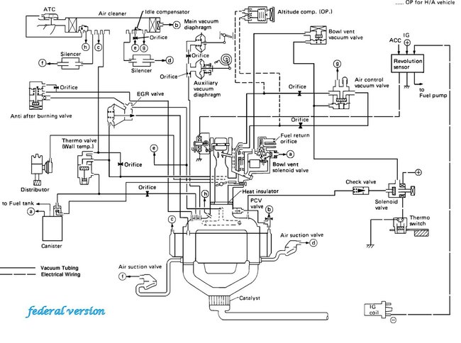
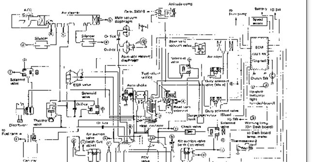
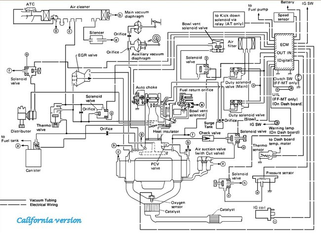
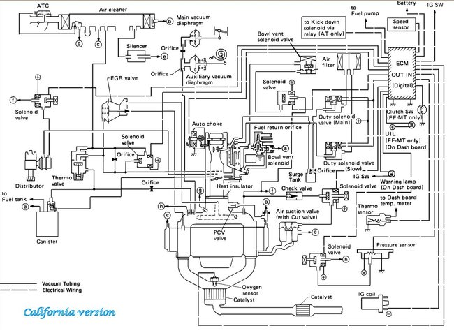
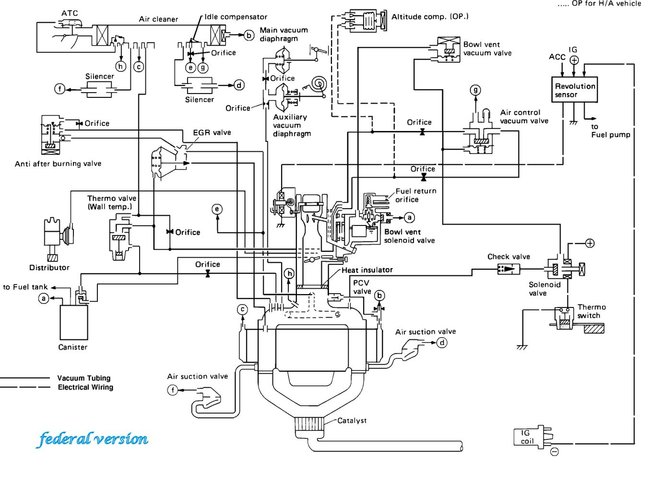
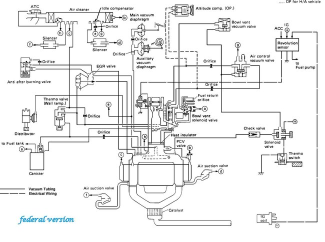
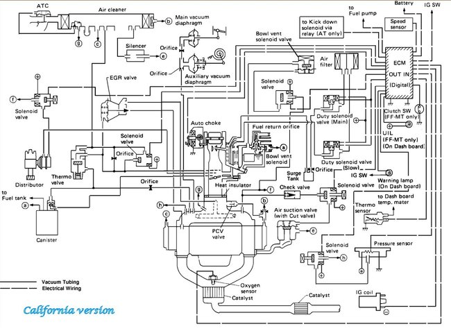
Here are the California and federal versions. Good luck.
Images (Click to make bigger)
Was this
answer
helpful?
Yes
No
Sunday, December 18th, 2016 AT 9:10 AM
Please
login
or
register
to post a reply.
Related Vacuum Hose Diagram Content
1986 Subaru Gl Timing And Vacum Hoses
Just Trying To Work Out Is The Timing. Supposed. To Be 0 Or 8 For. The Crank? Also Do U Have Diagrams On This As Well As The Positions Of...
Asked by
laurie90
·
3 ANSWERS
1986
SUBARU GL
1986 Subaru Gl New Engine, Old Car
I've Had This Subaru For Many Months And Have Enjoyed Every Aspect Of It But One. The 1.8 L Horizontally Opposed Four Cylinder Engine Only...
Asked by
crazybrit318
·
2 ANSWERS
1986
SUBARU GL
The Ignition System Is Not Producing Spark. The Driver...
The Ignition System Is Not Producing Spark. The Driver Side Timin Belt Is Ok, Its Got A New Coil, A New Altenator, I'm At A Loss, It's A...
Asked by
brian weekman
·
3 ANSWERS
1986
SUBARU GL
Ask a Car Question. It's Free!
Vacuum Leak
Intermittent Misfire
Intermittent Misfire