When the truck is off and the keys are out, the climate control will turn on and the blower fan will run?

Tiny
NWENTZEL
  • MEMBER
  • 2011 CHEVROLET SILVERADO
  • 5.3L
  • V8
  • 4WD
  • AUTOMATIC
  • 111,000 MILES
It seems to be worse with the colder weather. Also, maybe related or not my daytime running light are getting unswitched power at all times too. I have replaced the ignition switch thinking maybe it didn't recognize that the key was taken out.
Tuesday, December 6th, 2022 AT 7:37 PM

1 Reply

Tiny
JACOBANDNICKOLAS
  • MECHANIC
  • 110,192 POSTS
Hi,

There could be an issue with a relay sticking. I need to know if the vehicle has automatic climate control or manual control.

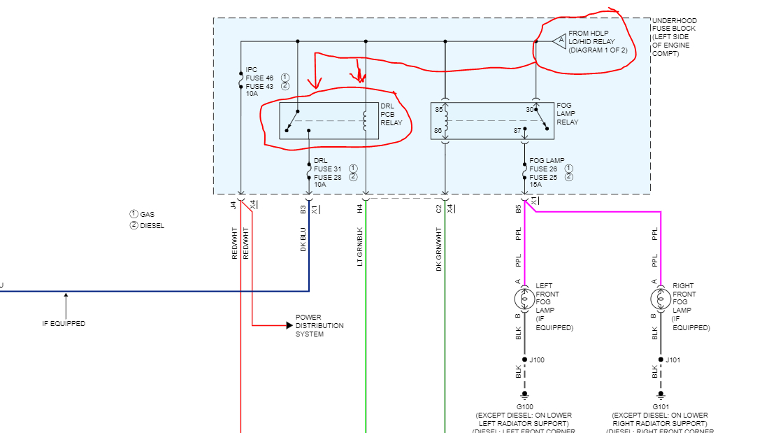
Pic 1 below is for the manual climate control. I need you to pull fuse 70 to confirm the fan stays off. If it does, then we need to check connectors and wiring for shorts to power between the fuse and the motor. Note, there is a blower motor control module. It too could have an internal short.

As far as the DRL, the last two pics are related to that issue. Remove the DRL 2 fuse in the under-hood fuse box to see if the DRL turns off. It will be fuse 33. If it does, go to the DRL relay in the under-hood fuse box and switch it with a different one with the same part number to see if it fixes the light issue.

Let me know what you find or if you have other questions.

Take care,

Joe

See pics below. If you have automatic climate control, let me know.
Was this
answer
helpful?
Yes
No
Tuesday, December 6th, 2022 AT 9:15 PM

Please login or register to post a reply.