Wednesday, January 15th, 2025 AT 6:14 AM
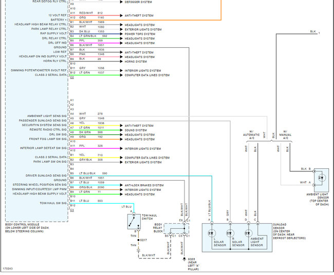
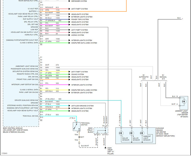
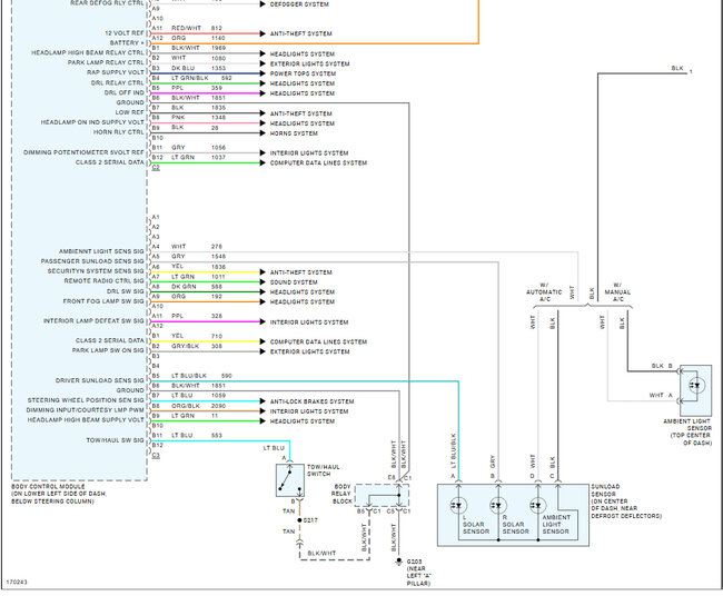
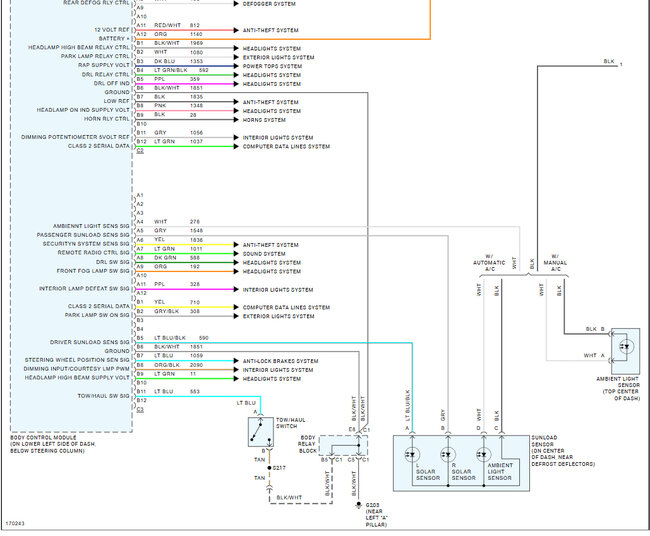
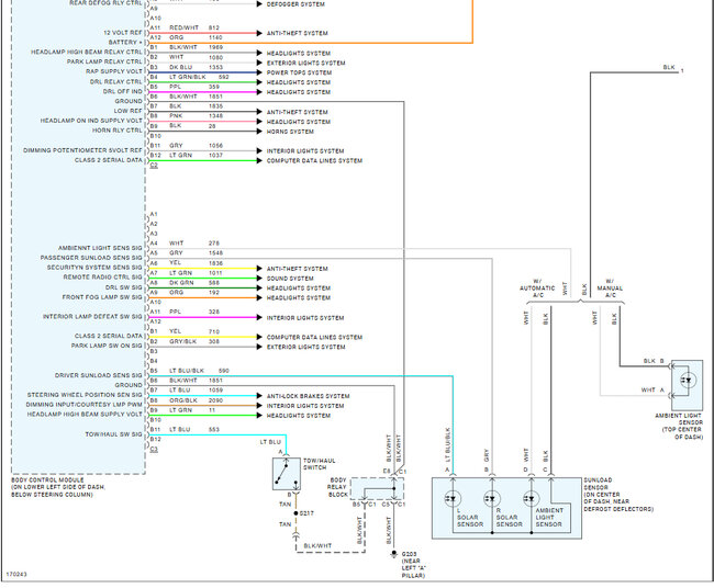
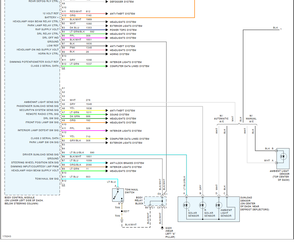
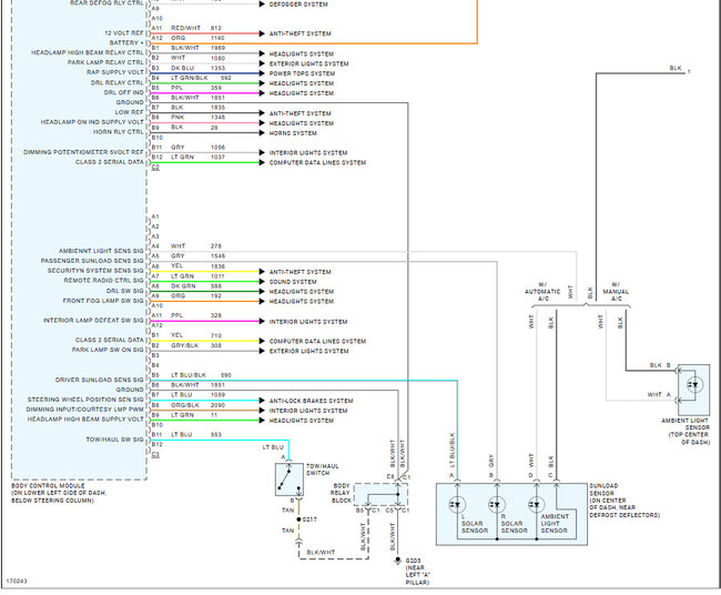
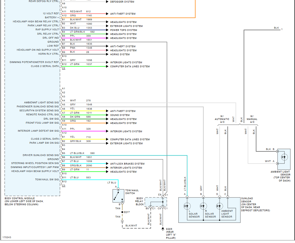
I drove through about a foot deep of water after that 300ft later the service stability system came across the screen the abs, check engine, and battery light came on and the truck stalled and shut off when I went to start it again it wouldn't start and the battery had died even though it only a 2 month old battery when I had someone give me a jump I noticed when I put the key in it would normally say driver 2 but now it says unknown driver and the truck will start for 2-3seconds and turns off I don't have anything on the key like pk or pk+ and the security light will come on when you put the key in but goes out a couple seconds later so I thought something got too wet under the truck but it has now been over two weeks and have not had any rain and I've taken the leaf blower to under the truck all around under the hood I've have checked all the fuses and the ECM 15a one was blown replaced it also when I put the battery back in the truck after having it charged at AutoZone the front and far back dome lights come on and the rear air blows out even though it's all set to off and the dome lights try turning them off and won't and the key fob won't work either and I just put a brand new battery in it too and when I hook up an OBD reader the reader won't even power up and I plugged it into another car and powers right up.












