Sunday, May 14th, 2023 AT 10:21 AM
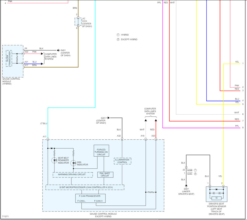
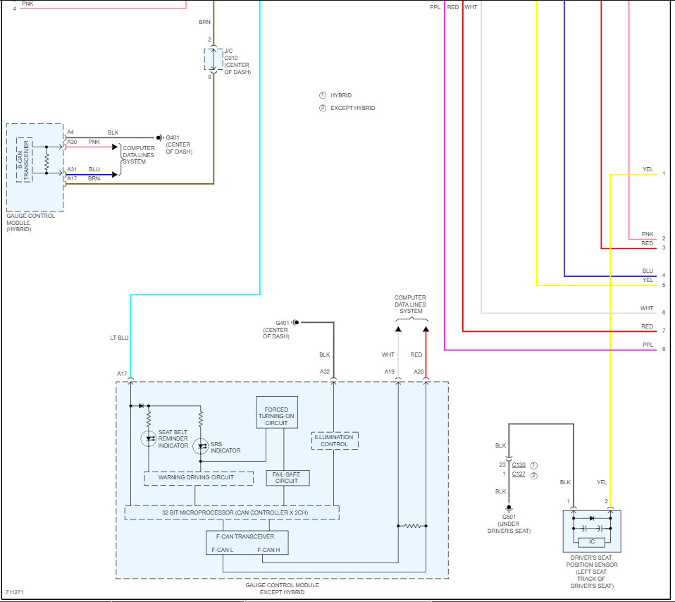
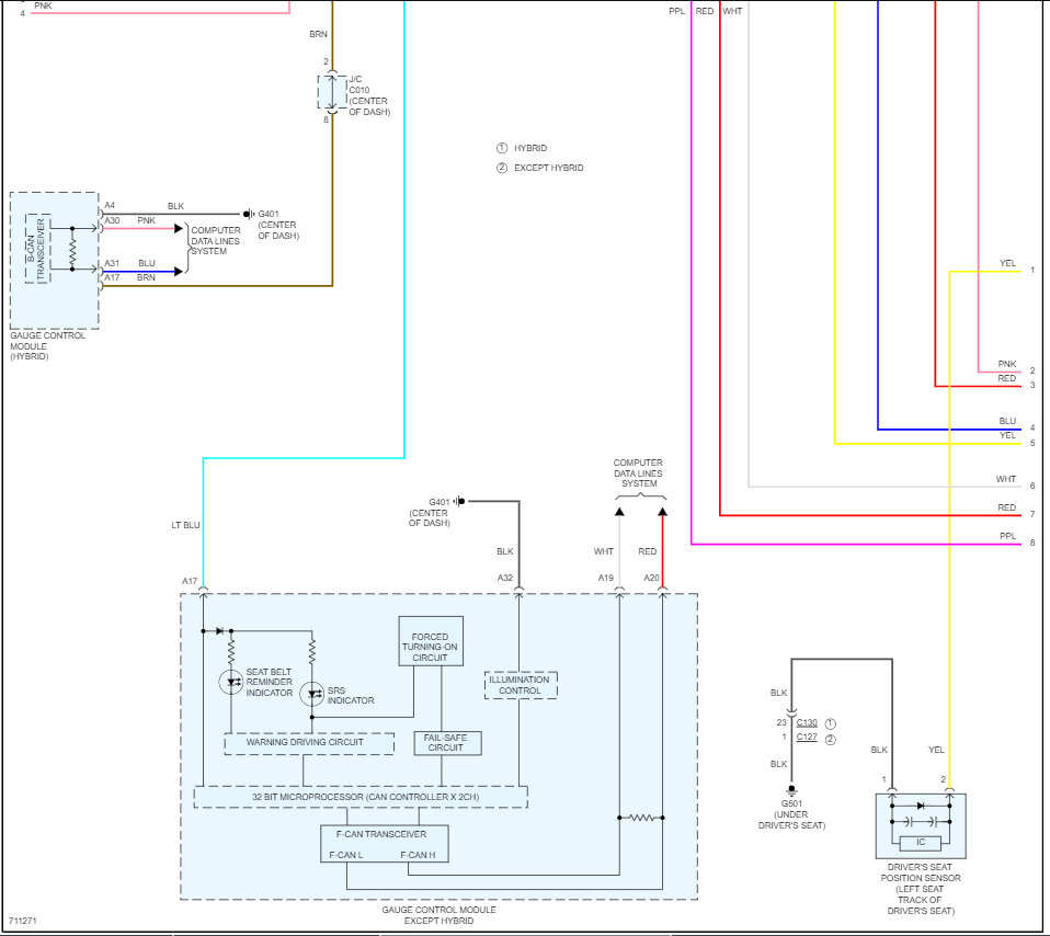
I accidentally unplugged the 2 wires with metal pieces on the ends that slide into the yellow airbag port under the passenger seat. The wires are not broken or damaged, but I can't figure out which way they go in.






