Friday, May 21st, 2021 AT 9:23 PM
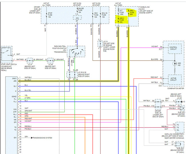
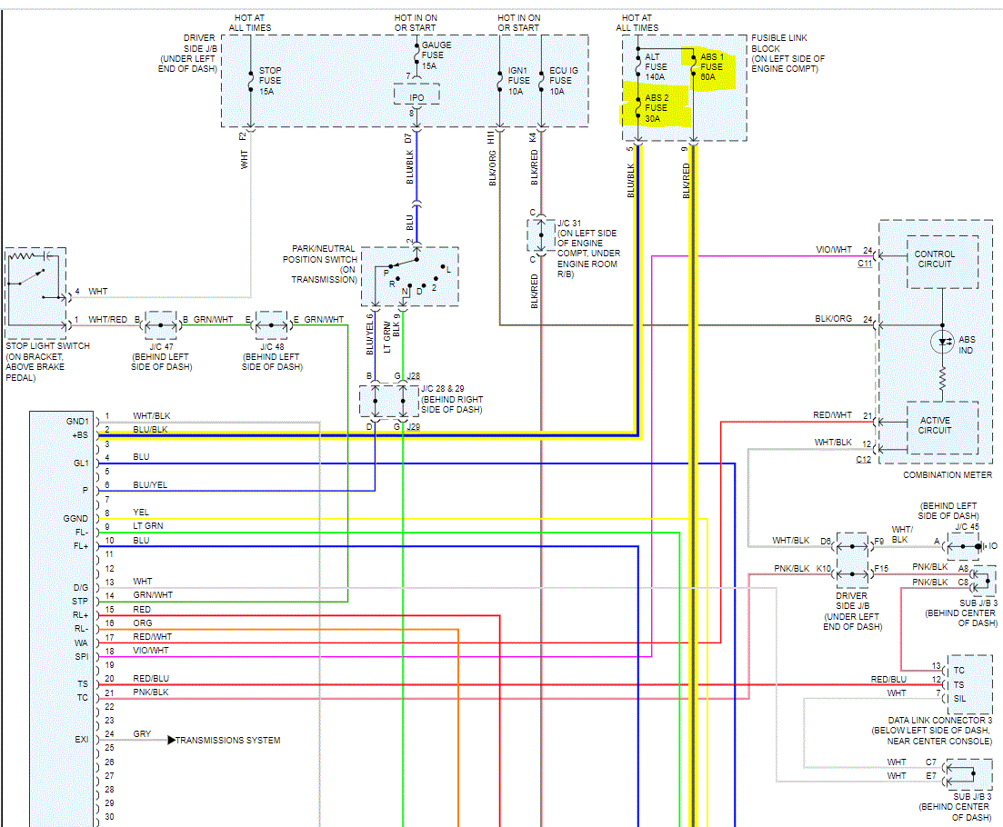
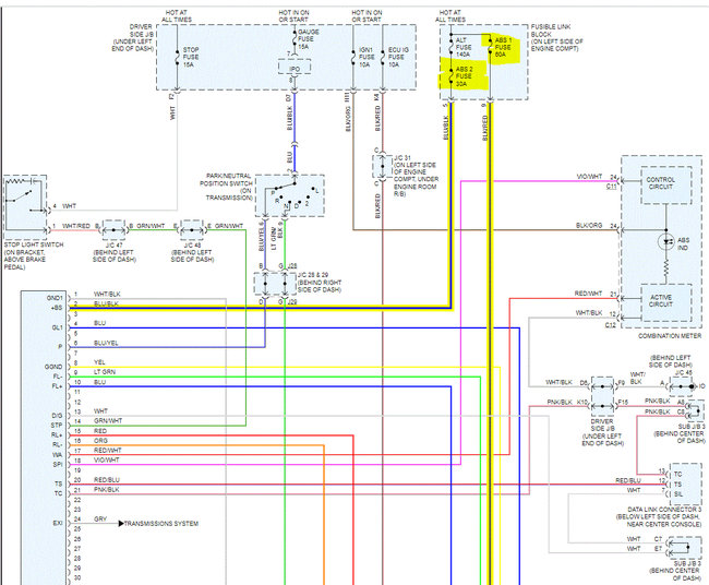
My truck is making an intermittent strange noise that sounds similar to a starter that is failing to engage (2-3 second whining noise). It only makes this noise while slowing to a stop. Just before the complete stop, I can feel the brake pedal drop 1/4 inch or so. My mechanic has been no help so far because, as we all know, it fails to occur while the mechanic is driving. He says it is probably not brake related but, because of the extra pedal movement just before stopping, I tend to disagree. He also says it may be the starter, but why would it make the noise only during stops? Any ideas guys?










